指南生活
首页
美食营养
手工爱好
生活家居
返回
指南生活
首页
美食营养
游戏数码
手工爱好
生活家居
健康养生
运动户外
职场理财
情感交际
母婴教育
时尚美容
知识问答
生活知识
生活百科
搜索
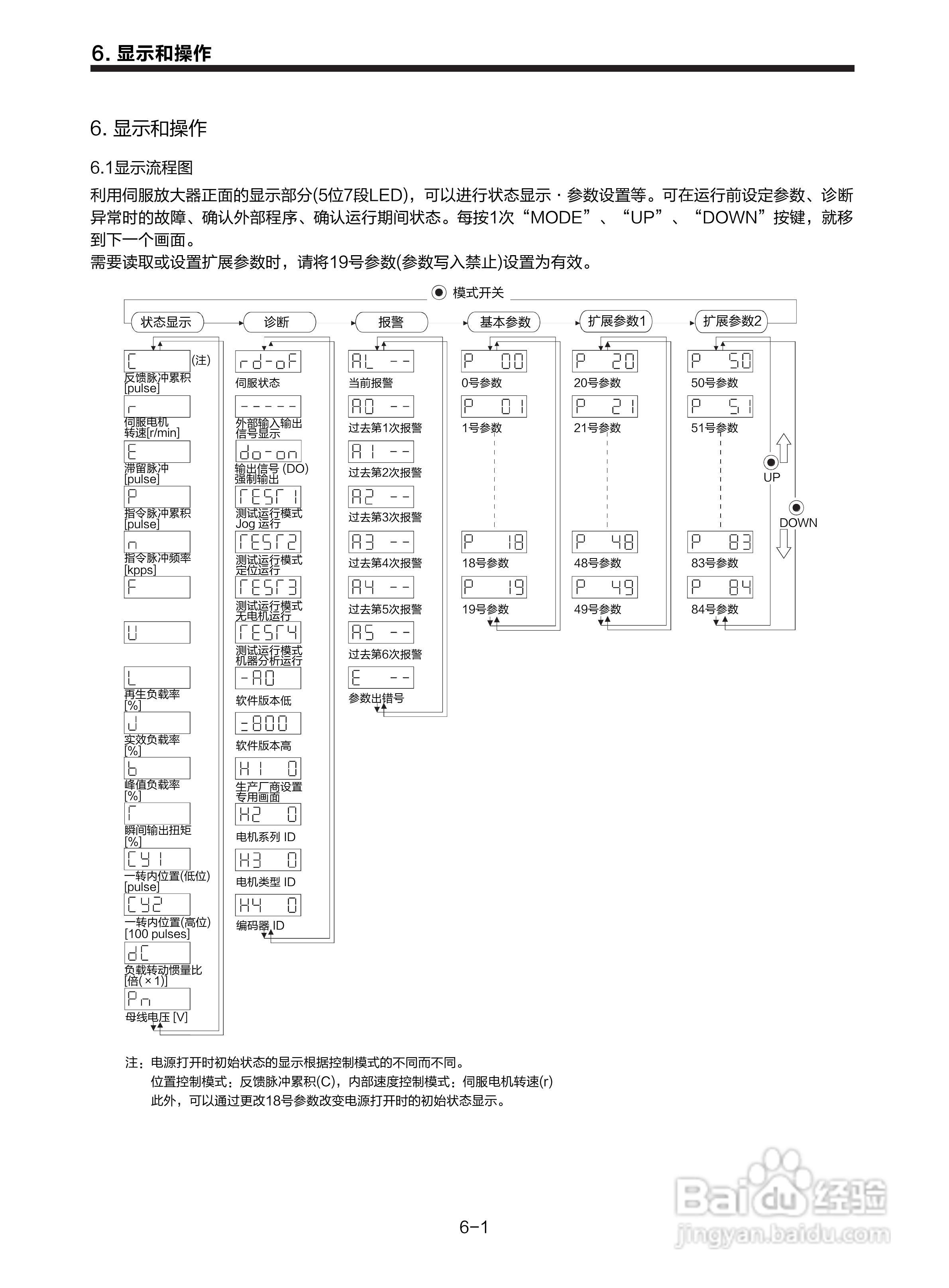
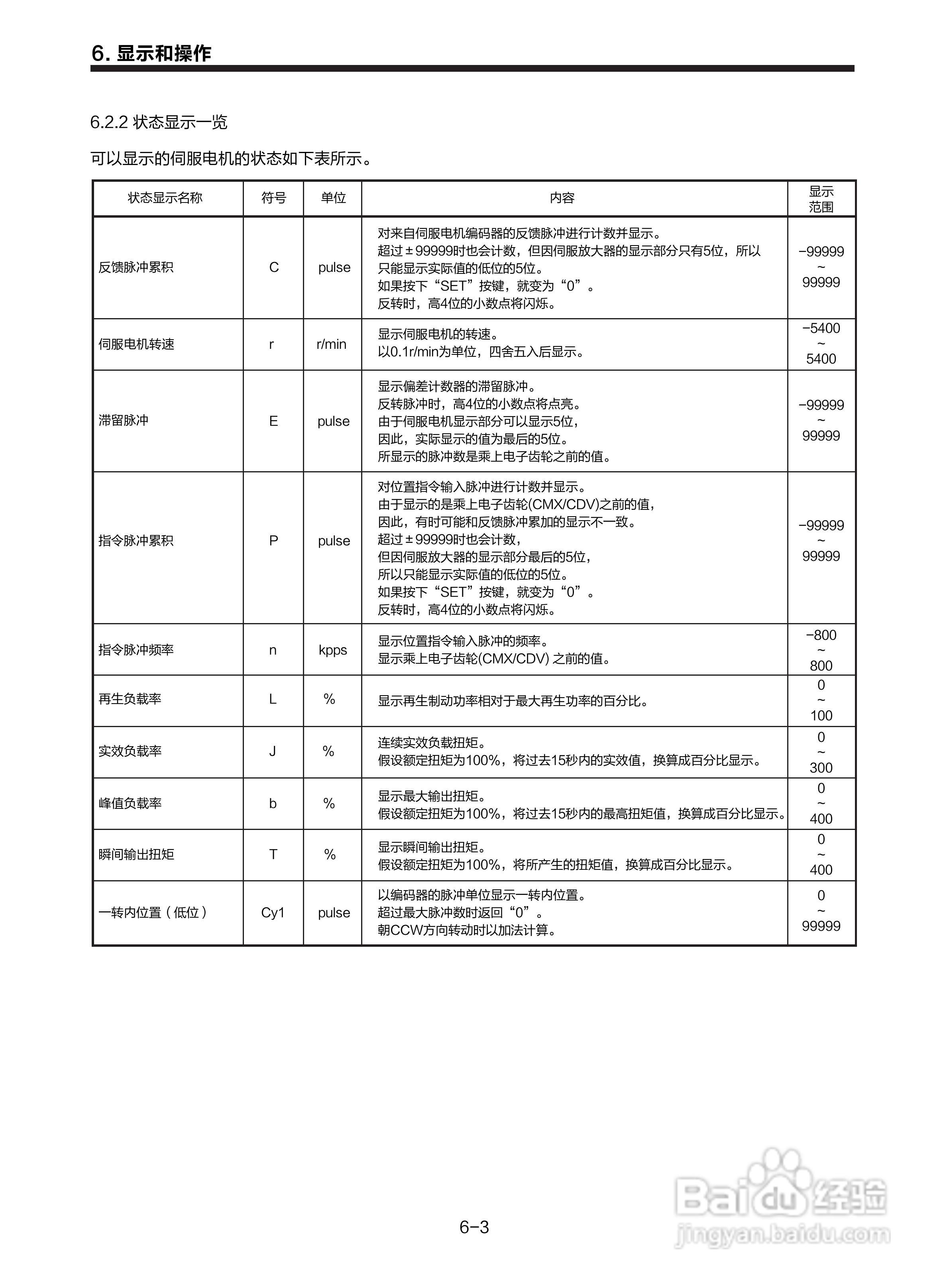
三菱 MR-E-□A-KH003 MR-E-□AG-KH003通用交流伺服接:[12]
2026-04-03 17:13:56
本篇为《三菱 MR-E-□A-KH003 MR-E-□AG-KH003通用交流伺服接》,主要介绍该产品的使用方法以及常见故障解决方案。
(共篇)
上一篇:
|
下一篇:
声明:
本网站引用、摘录或转载内容仅供网站访问者交流或参考,不代表本站立场,如存在版权或非法内容,请联系站长删除,联系邮箱:site.kefu@qq.com。
相关推荐
三菱 MR-E-□A-KH003 MR-E-□AG-KH003通用交流伺服接:[15]
阅读量:177
三菱plc红绿灯设计
阅读量:138
三菱 MR-E-□A-KH003 MR-E-□AG-KH003通用交流伺服接:[22]
阅读量:137
三菱 MR-E-□A-KH003 MR-E-□AG-KH003通用交流伺服接:[17]
阅读量:139
三菱 MR-E-□A-KH003 MR-E-□AG-KH003通用交流伺服接:[28]
阅读量:59
猜你喜欢
暗度陈仓是什么意思
万劫不复是什么意思
对牛弹琴是什么意思
陈皮是什么
杯弓蛇影是什么意思
wow是什么意思
嘴巴发苦是什么原因
香港有什么特产
头晕眼花是什么原因
篮子是什么意思
猜你喜欢
什么是生物
红细胞高是什么原因
tennis是什么意思
腹黑什么意思
院士是什么级别的干部
打封闭针有什么副作用
什么叫爱情
什么叫有机物
喝绿茶有什么好处
什么减肥药效果好