指南生活
首页
美食营养
手工爱好
生活家居
返回
指南生活
首页
美食营养
游戏数码
手工爱好
生活家居
健康养生
运动户外
职场理财
情感交际
母婴教育
时尚美容
知识问答
生活知识
生活百科
搜索
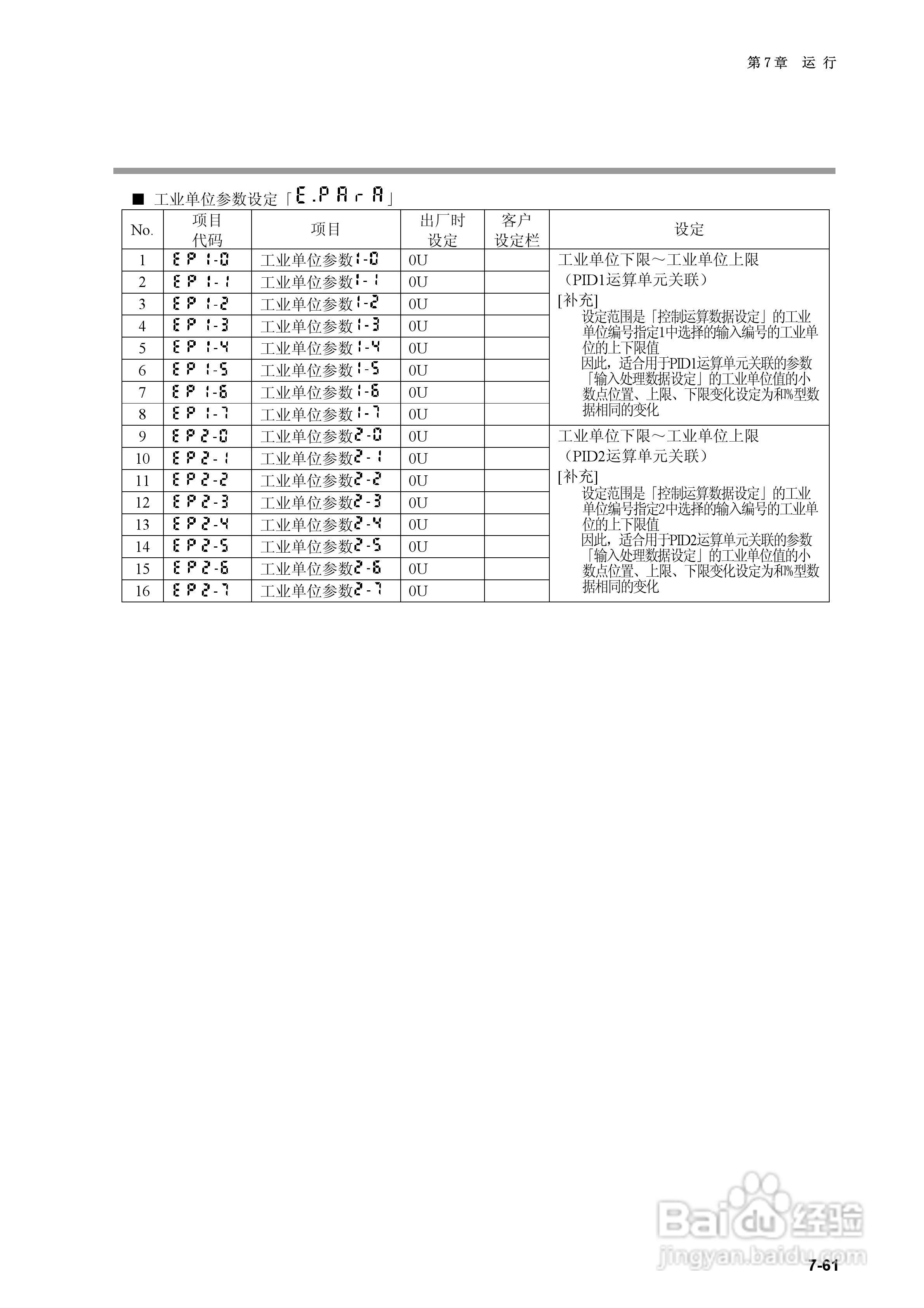
日本山武指示调节器SDC40B使用说明书:[15]
2026-04-30 03:24:31
本篇为《日本山武指示调节器SDC40B使用说明书》,主要介绍该产品的使用方法以及常见故障解决方案。
(共篇)
上一篇:
|
下一篇:
声明:
本网站引用、摘录或转载内容仅供网站访问者交流或参考,不代表本站立场,如存在版权或非法内容,请联系站长删除,联系邮箱:site.kefu@qq.com。
相关推荐
日本山武指示调节器SDC40B使用说明书:[18]
阅读量:157
使用说明书封面怎么做
阅读量:165
使用说明书wf2651使用指南
阅读量:97
日本山武指示调节器SDC40B使用说明书:[10]
阅读量:168
日本山武指示调节器SDC40B使用说明书:[19]
阅读量:26
猜你喜欢
委比是什么意思
大蒜精油的功效与作用
胡豆的功效与作用
三七的作用与功效
花架子是什么意思
zbc是什么意思
什么是滚床单
隔音棉什么牌子好
擦边球是什么意思
总起句的作用
猜你喜欢
黄皮肤乳膏治什么
敷衍是什么意思
什么是金本位
bingo是什么意思中文
飓风和台风有什么区别
苹果花的功效与作用
相提并论的意思
免贵姓是什么意思
南辕北辙的意思
饭圈是什么意思