指南生活
首页
美食营养
手工爱好
生活家居
返回
指南生活
首页
美食营养
游戏数码
手工爱好
生活家居
健康养生
运动户外
职场理财
情感交际
母婴教育
时尚美容
知识问答
生活知识
搜索
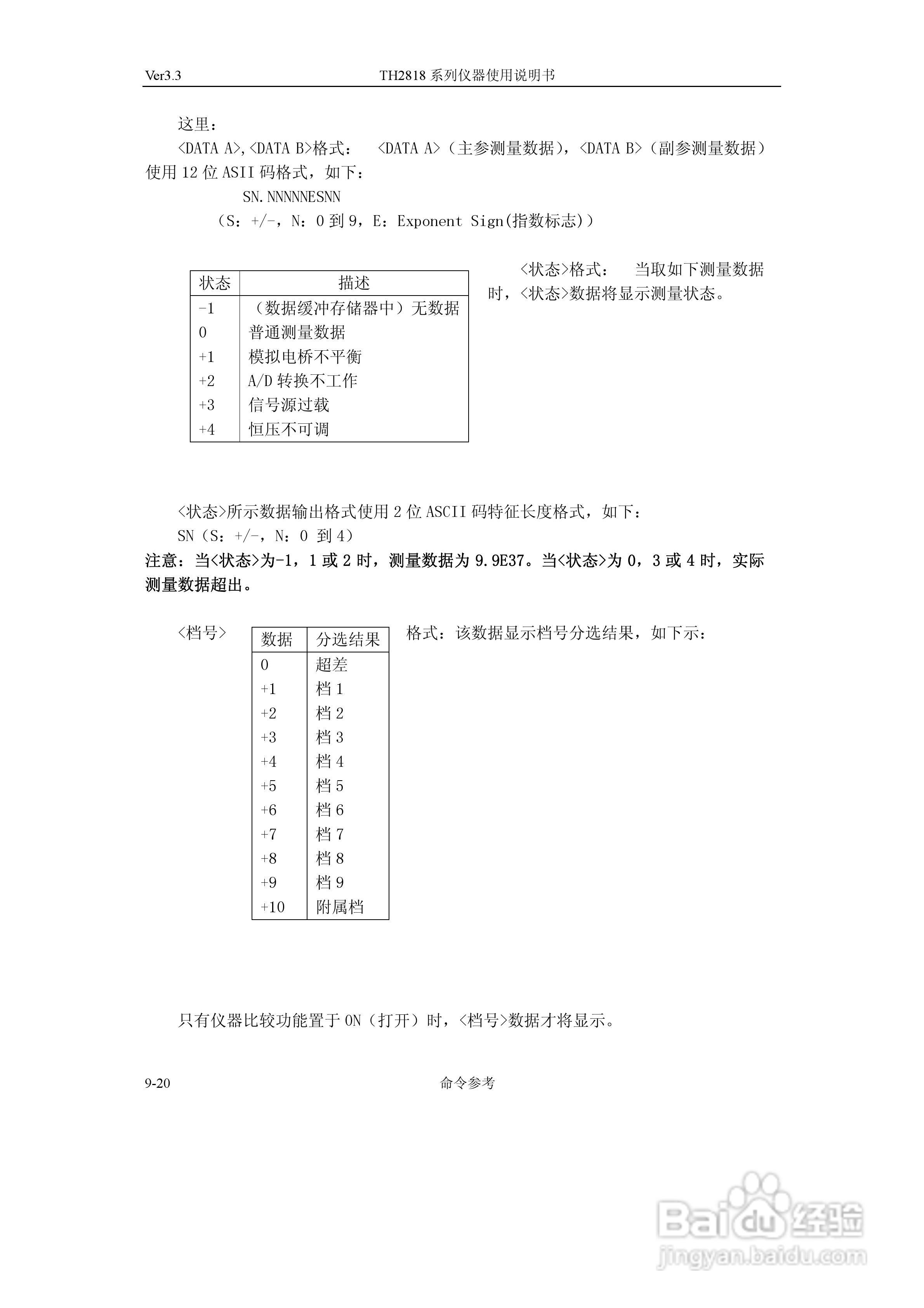
TH2818系列自动元件分析仪说明书:[14]
2025-12-29 21:29:47
本篇为《TH2818系列自动元件分析仪说明书》,主要介绍该产品的使用方法以及常见故障解决方案。
(共篇)
上一篇:
|
下一篇:
声明:
本网站引用、摘录或转载内容仅供网站访问者交流或参考,不代表本站立场,如存在版权或非法内容,请联系站长删除,联系邮箱:site.kefu@qq.com。
相关推荐
TH2818系列自动元件分析仪说明书:[12]
阅读量:193
TH2818系列自动元件分析仪说明书:[8]
阅读量:61
TH2818系列自动元件分析仪说明书:[9]
阅读量:136
TH2818系列自动元件分析仪说明书:[5]
阅读量:110
TH2818系列自动元件分析仪说明书:[17]
阅读量:131
猜你喜欢
怎么把照片内存变小
腊八蒜的腌制方法
好看的壁纸图片大全
白萝卜怎么做好吃
炸带鱼的家常做法
简历工作经历怎么写
橡皮树的养殖方法和注意事项
淘宝怎么刷销量
光子嫩肤效果怎么样
脸上有疤痕怎么办
猜你喜欢
显卡内存怎么看
怎么选手机
亲吻视频大全
在家赚钱的方法
绕口令大全爆笑
祛斑好方法
正确的减肥方法
泡菜的做法大全家常
用什么方法可以祛斑
菠菜汤怎么做好吃