指南生活
首页
美食营养
手工爱好
生活家居
返回
指南生活
首页
美食营养
游戏数码
手工爱好
生活家居
健康养生
运动户外
职场理财
情感交际
母婴教育
时尚美容
知识问答
生活知识
搜索
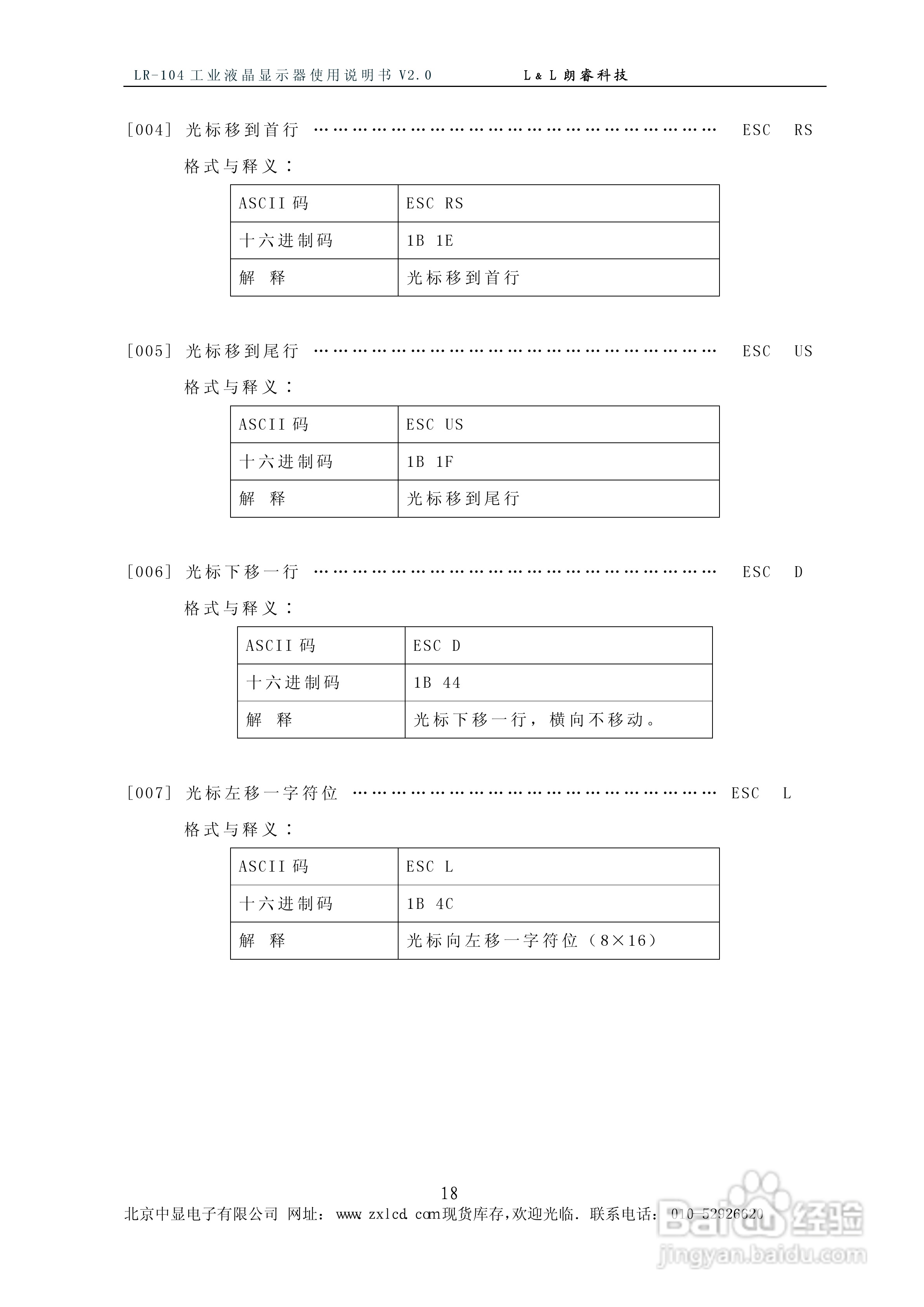
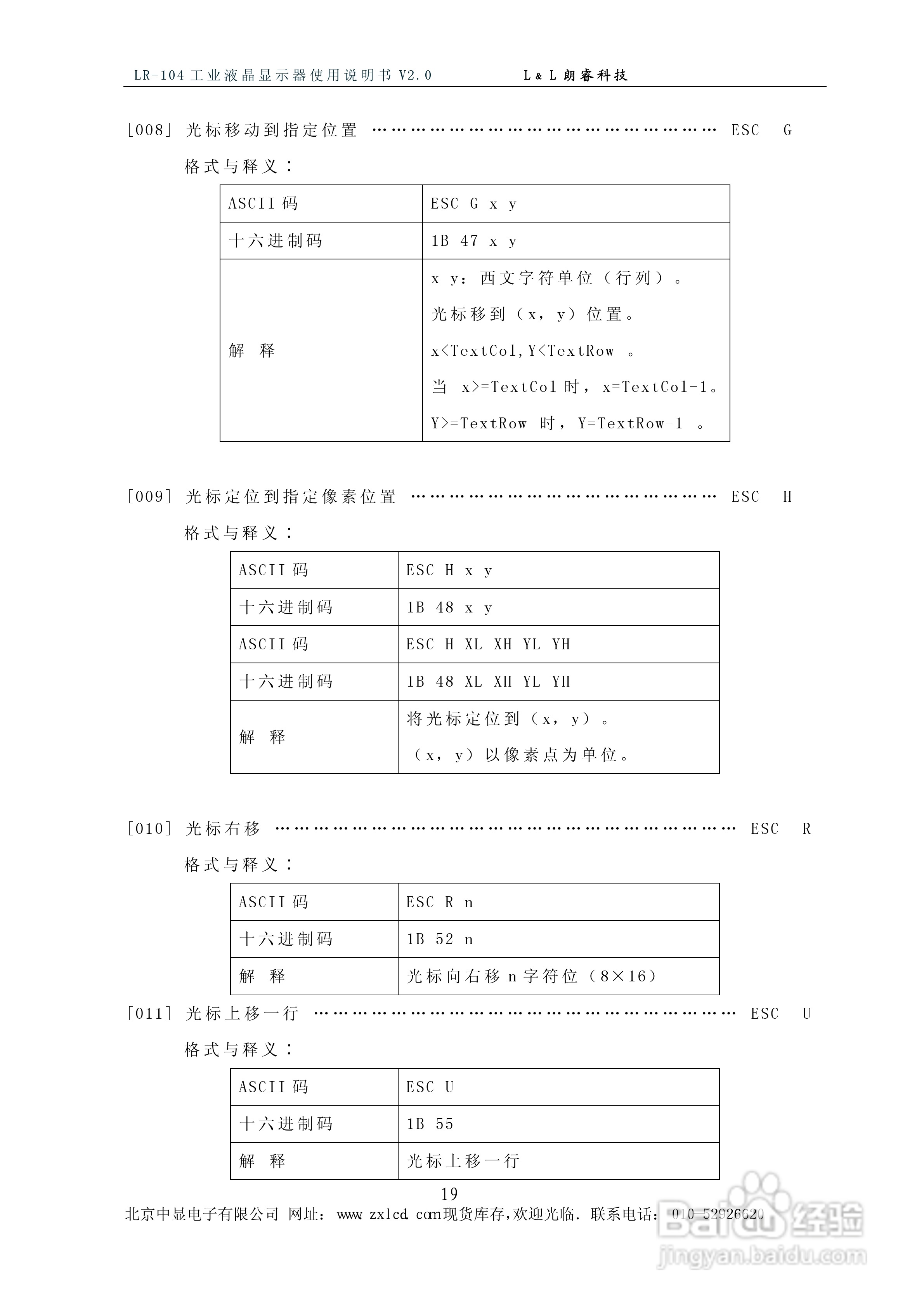
LR-104ARM型彩色工业液晶显示器说明书:[2]
2025-12-26 22:40:16
(共篇)
上一篇:
|
下一篇:
声明:
本网站引用、摘录或转载内容仅供网站访问者交流或参考,不代表本站立场,如存在版权或非法内容,请联系站长删除,联系邮箱:site.kefu@qq.com。
相关推荐
LR-104ARM型彩色工业液晶显示器说明书:[1]
阅读量:25
彩色工业液晶显示器LR-070ARM使用说明书:[3]
阅读量:28
彩色工业液晶显示器LR-070ARM使用说明书:[5]
阅读量:91
朗睿 LR-064ARM型彩色工业液晶显示器使用说明书:[1]
阅读量:86
液晶显示器快递如何打包
阅读量:41
猜你喜欢
如何让电脑不休眠
文件被删除怎么恢复
偏旁部首怎么打
五音是什么
如何设置鼠标灵敏度
江安生活网
二次元是什么意思
受精卵着床有什么症状
reits是什么意思
湄公河在我国境内的名称是什么
猜你喜欢
汉化包怎么用
qq申诉不回来怎么办
结婚喜帖怎么写
生活小常识
怎么赠送qq会员
蒲公英泡水喝有什么作用和功效
如何查询手机流量
如何调电脑屏幕亮度
大腿疼痛是什么原因
如何化淡妆