指南生活
首页
美食营养
手工爱好
生活家居
返回
指南生活
首页
美食营养
游戏数码
手工爱好
生活家居
健康养生
运动户外
职场理财
情感交际
母婴教育
时尚美容
知识问答
生活知识
生活百科
搜索
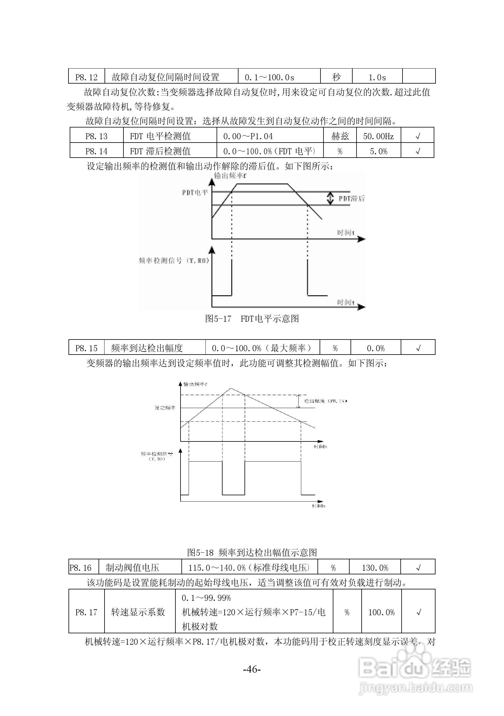
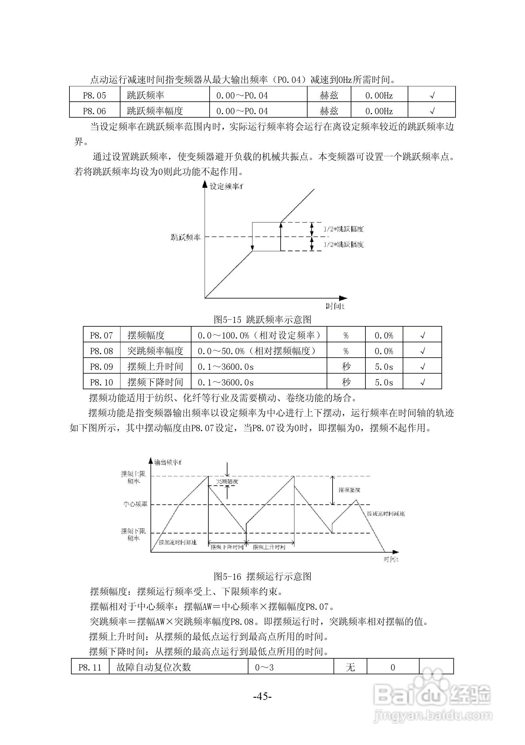
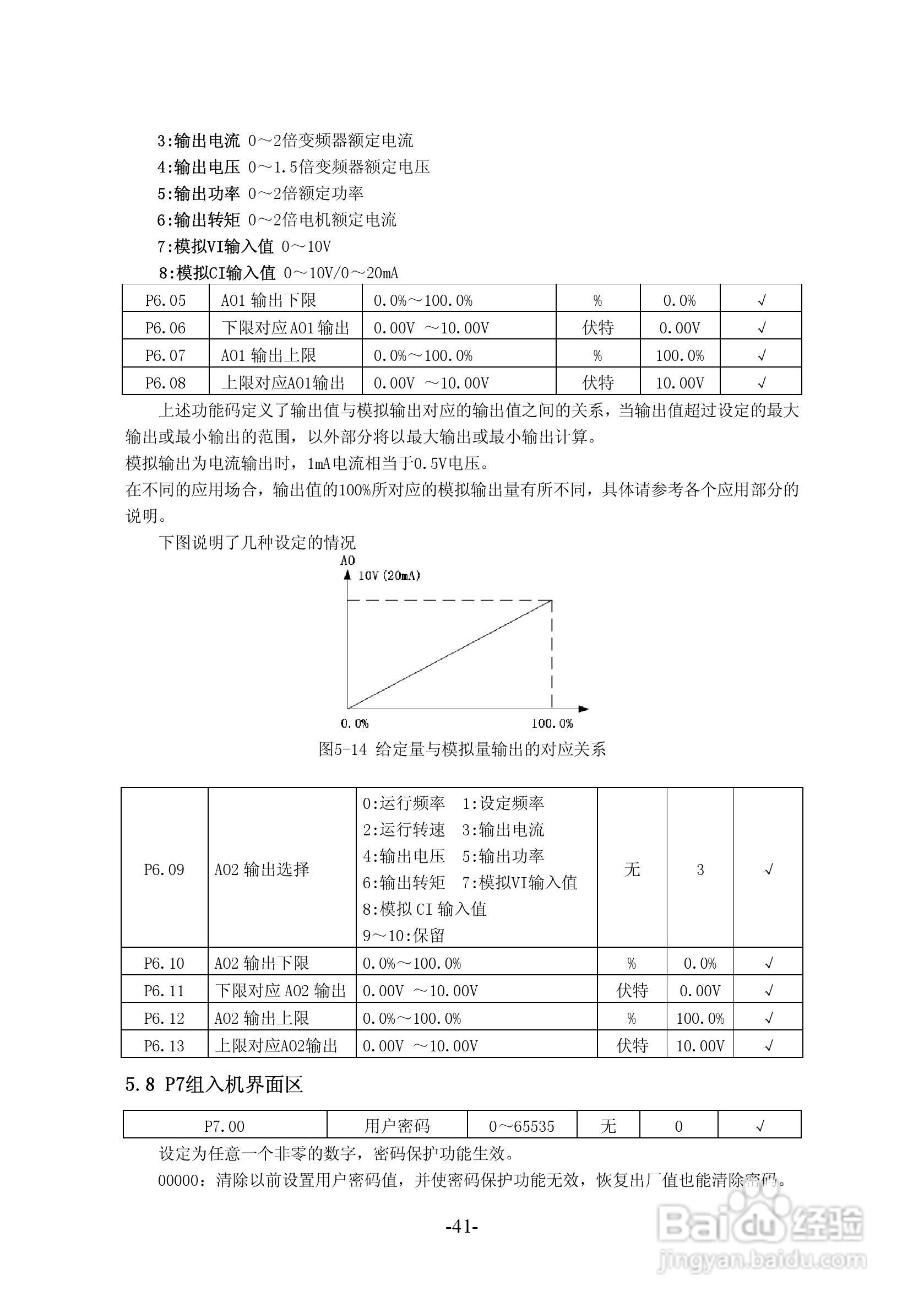
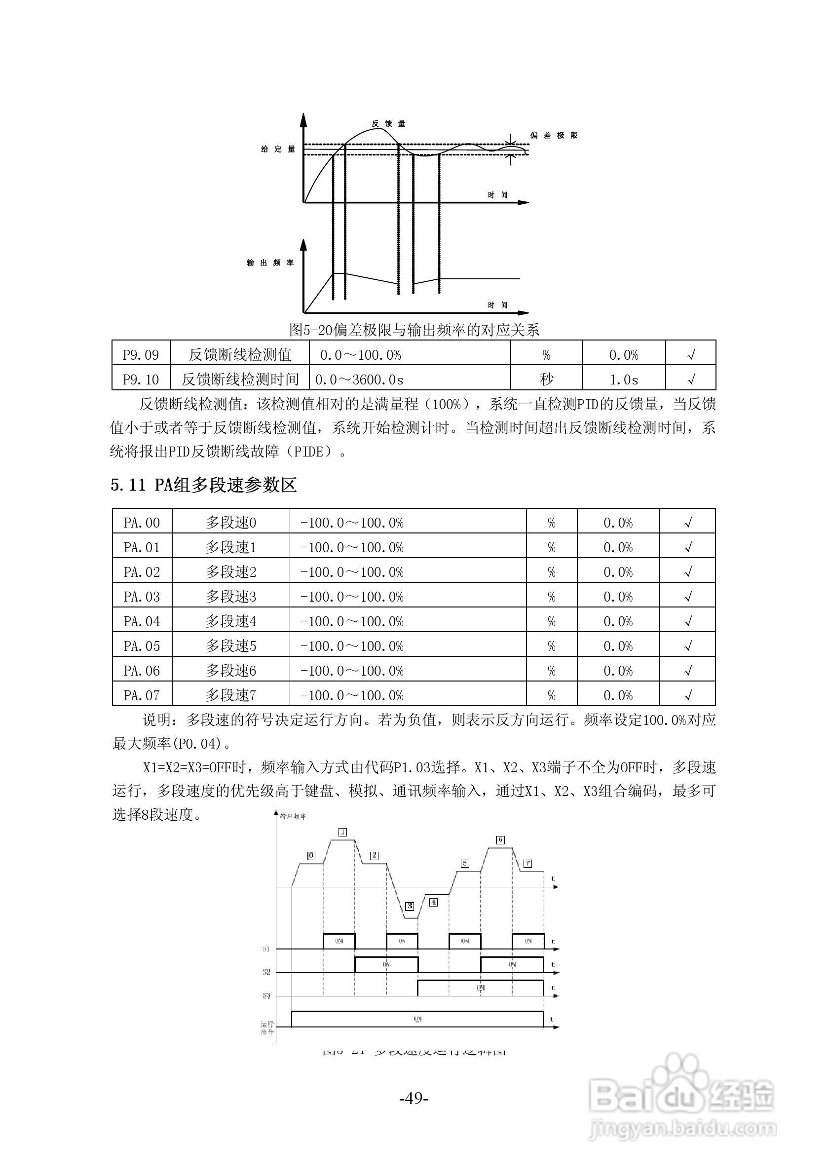
沃森VSI100-G2S0004变频器使用说明书:[5]
2026-04-25 14:30:13
本篇为《沃森VSI100-G2S0004变频器使用说明书》,主要介绍该产品的使用方法以及常见故障解决方案。
(共篇)
上一篇:
|
下一篇:
声明:
本网站引用、摘录或转载内容仅供网站访问者交流或参考,不代表本站立场,如存在版权或非法内容,请联系站长删除,联系邮箱:site.kefu@qq.com。
相关推荐
变频器如何实现低转速高扭矩
阅读量:27
如何在触摸屏上设置输入密码进入界面功能
阅读量:86
abb变频器参数设置教程
阅读量:20
dw17万能断路器不能合闸,求电路图和说明书
阅读量:176
不同线径电缆可以并联么
阅读量:45
猜你喜欢
对口招生是什么意思
剪切视频用什么软件
什么是闪存卡
西八是什么意思
无聊的时候玩什么游戏
翩翩起舞的意思是什么
觥筹交错的意思
qq农场点券有什么用
三顾茅庐是什么意思
三亚什么时候去最好
猜你喜欢
巧夺天工的意思是什么
desire是什么意思
improve是什么意思
brake是什么意思
女为悦己者容的意思
什么是灰色收入
潋滟的意思
中元节什么时候烧纸好
顿号的意思
韩国代购什么好