指南生活
首页
美食营养
手工爱好
生活家居
返回
指南生活
首页
美食营养
游戏数码
手工爱好
生活家居
健康养生
运动户外
职场理财
情感交际
母婴教育
时尚美容
知识问答
生活知识
搜索
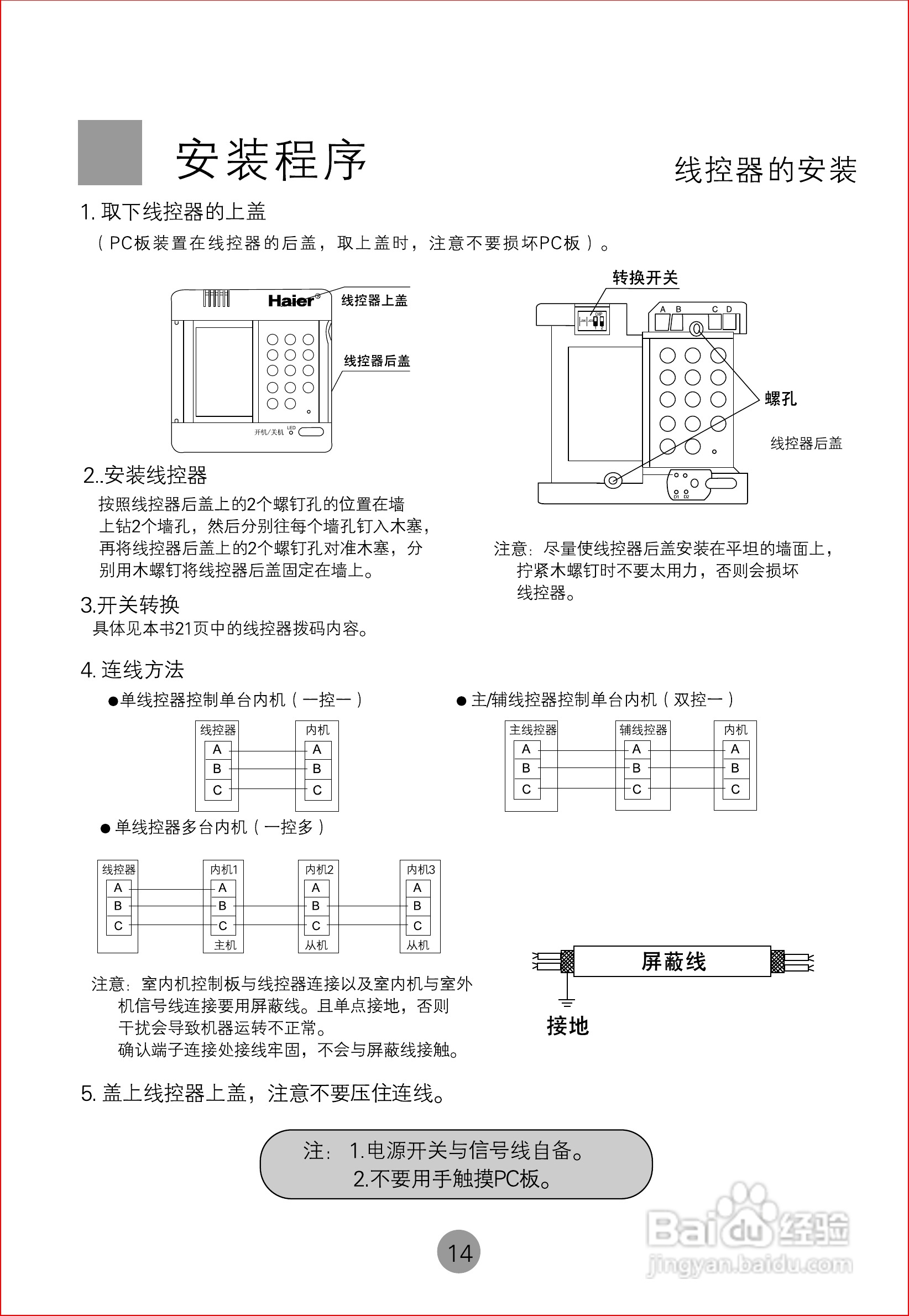
海尔KMR(d)-40N空调使用说明书:[2]
2025-12-12 15:21:16
(共篇)
上一篇:
|
下一篇:
声明:
本网站引用、摘录或转载内容仅供网站访问者交流或参考,不代表本站立场,如存在版权或非法内容,请联系站长删除,联系邮箱:site.kefu@qq.com。
相关推荐
海尔KMR(d)-40N空调使用说明书:[1]
阅读量:133
海尔KMR(d)-40N空调使用说明书:[3]
阅读量:184
海尔KMR(d)-140E/(M)空调使用说明书:[2]
阅读量:74
海尔KMR(d)-140E/(H)空调使用说明书:[2]
阅读量:169
海尔KMR(d)-140E/(M)空调使用说明书:[1]
阅读量:120
猜你喜欢
如何与人相处
我的读书生活
如何排毒最快最有效
如何写信
生活片视频
长款大衣怎么搭配
一体化生活污水处理
股票新股如何申购
如何蒸螃蟹好吃
仙家悠闲生活
猜你喜欢
如何鉴别注胶翡翠
7月14日是什么节日
怎么看电脑内存大小
南京生活网
胃在什么位置图片
卫生巾怎么用视频
怎么给宝宝换尿布
别来无恙是什么意思
梦幻西游5开怎么赚钱
魅族手机锁定怎么解锁