指南生活
首页
美食营养
手工爱好
生活家居
返回
指南生活
首页
美食营养
游戏数码
手工爱好
生活家居
健康养生
运动户外
职场理财
情感交际
母婴教育
时尚美容
知识问答
生活知识
生活百科
搜索
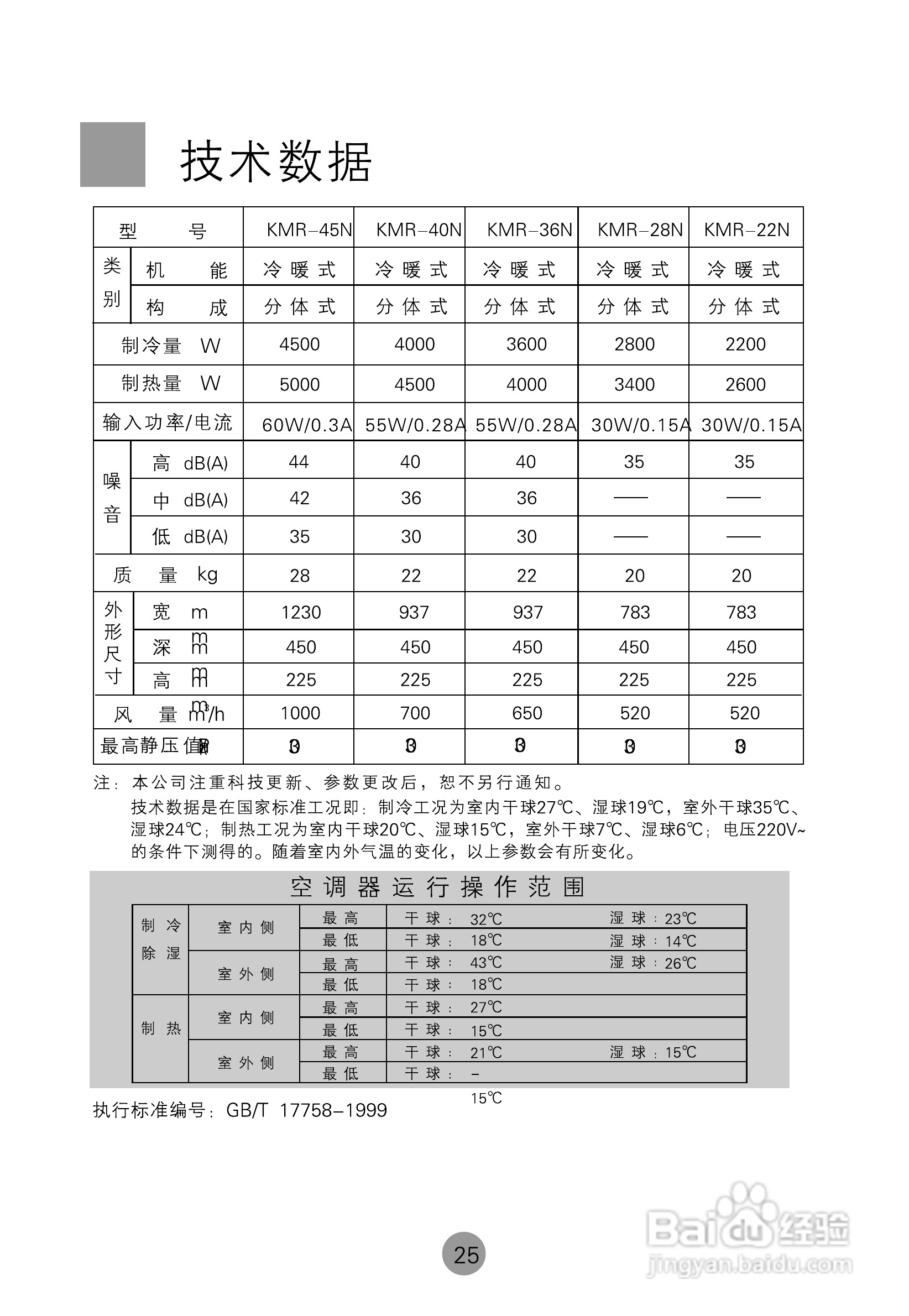
海尔KMR(d)-40N空调使用说明书:[3]
2026-04-24 23:51:04
(共篇)
上一篇:
声明:
本网站引用、摘录或转载内容仅供网站访问者交流或参考,不代表本站立场,如存在版权或非法内容,请联系站长删除,联系邮箱:site.kefu@qq.com。
相关推荐
海尔KMR(d)-40N空调使用说明书:[1]
阅读量:159
海尔KMR(d)-140E/(M)空调使用说明书:[3]
阅读量:176
海尔KMR(d)-140E/(H)空调使用说明书:[2]
阅读量:36
海尔电热水器使用方法
阅读量:43
海尔冰箱电脑型温度设置方法
阅读量:120
猜你喜欢
小茴香的功效与作用
什么是假声
诺氟沙星胶囊的作用与功效
武汉的车牌号应是什么开头
安全知识题库
氮肥的作用
良少一点读什么
shut up什么意思
suck什么意思
扁桃仁的功效与作用
猜你喜欢
如什么得水
运动会通讯稿400字
交流接触器的作用
什么牌子的电视机好
幼儿安全小知识
题记的作用
化学选修四知识点总结
咖啡因的作用
乌鸡白凤丸的功效与作用
包括但不限于什么意思