指南生活
首页
美食营养
手工爱好
生活家居
返回
指南生活
首页
美食营养
游戏数码
手工爱好
生活家居
健康养生
运动户外
职场理财
情感交际
母婴教育
时尚美容
知识问答
生活知识
搜索
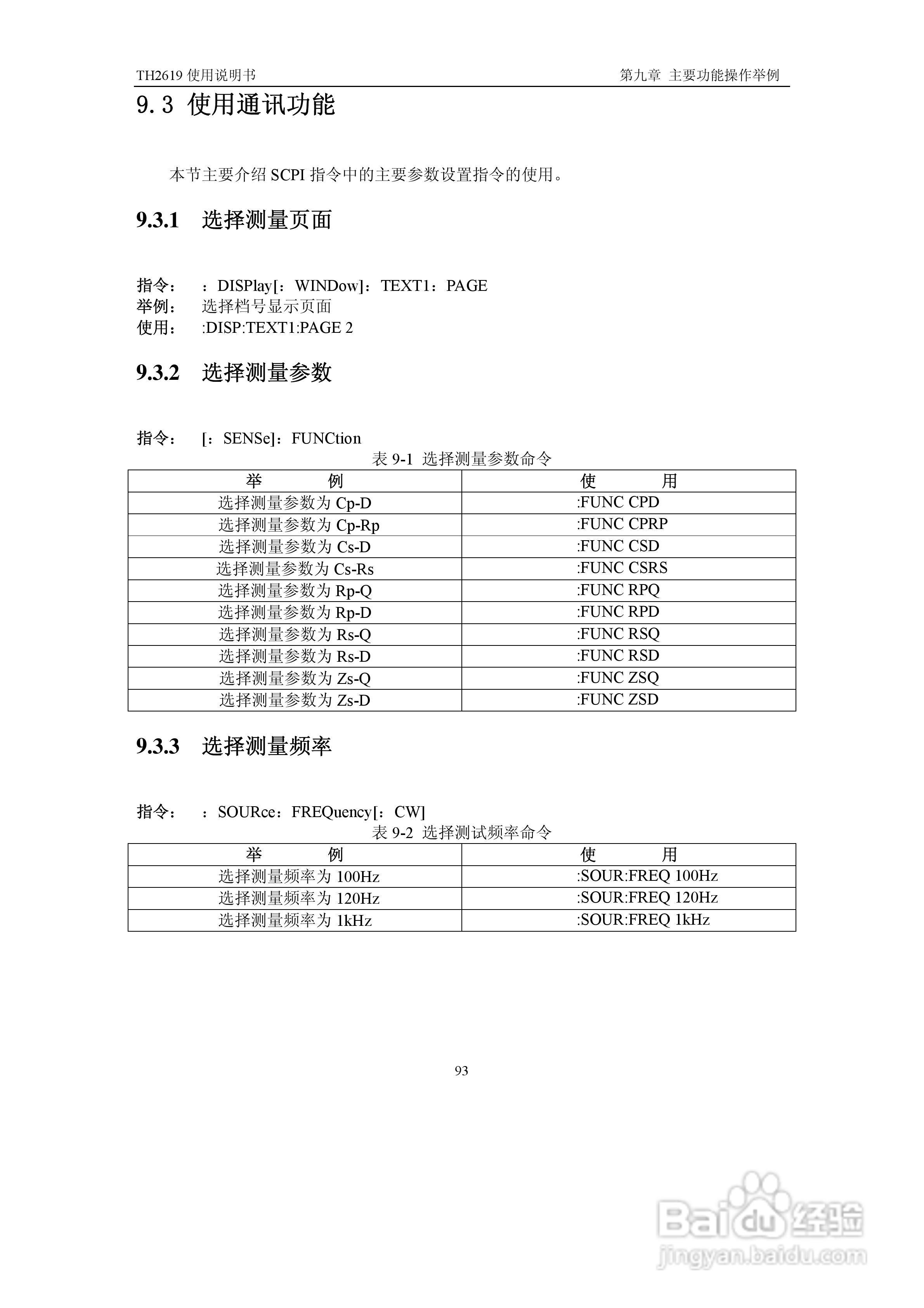
锦流源电子TH2619大电容测试仪说明书:[11]
2026-03-16 19:48:07
本篇为《锦流源电子TH2619大电容测试仪说明书》,主要介绍该产品的使用方法以及常见故障解决方案。
(共篇)
上一篇:
声明:
本网站引用、摘录或转载内容仅供网站访问者交流或参考,不代表本站立场,如存在版权或非法内容,请联系站长删除,联系邮箱:site.kefu@qq.com。
相关推荐
锦流源电子TH2619大电容测试仪说明书:[10]
阅读量:103
锦流源电子TH2619大电容测试仪说明书:[9]
阅读量:163
锦流源电子TH2776电感测试仪说明书:[5]
阅读量:117
锦流源电子TH2776电感测试仪说明书:[6]
阅读量:24
锦流源电子TH2776电感测试仪说明书:[2]
阅读量:105
猜你喜欢
史克肠虫清服用方法
炖鲤鱼的家常做法
孕妇烧心怎么办
皮肤干痒怎么办
虾酱怎么做
带鱼的家常做法
科技小论文怎么写
清蒸罗非鱼的家常做法
纽贝滋奶粉怎么样
温度计碎了怎么办
猜你喜欢
高汤的熬制方法
瘦脸好方法
治疗痛风的简单方法
肚兜怎么穿
家常豆腐的做法大全
怎么有效去黑头
鸡腿怎么做好吃
找狗很灵的方法
韧带拉伤怎么恢复
土豆泥的做法大全家常