指南生活
首页
美食营养
手工爱好
生活家居
返回
指南生活
首页
美食营养
游戏数码
手工爱好
生活家居
健康养生
运动户外
职场理财
情感交际
母婴教育
时尚美容
知识问答
生活知识
生活百科
搜索
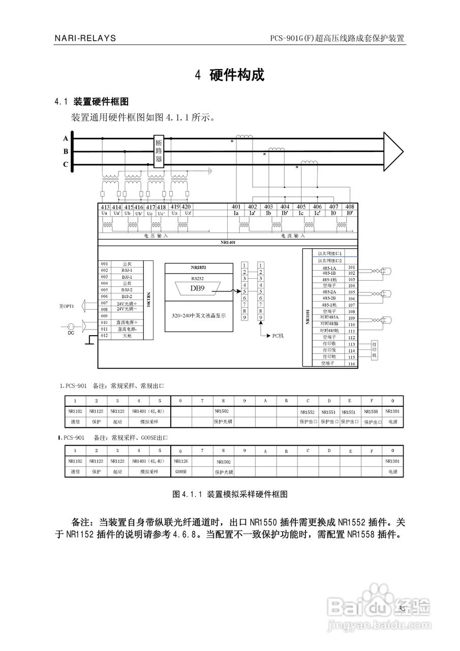
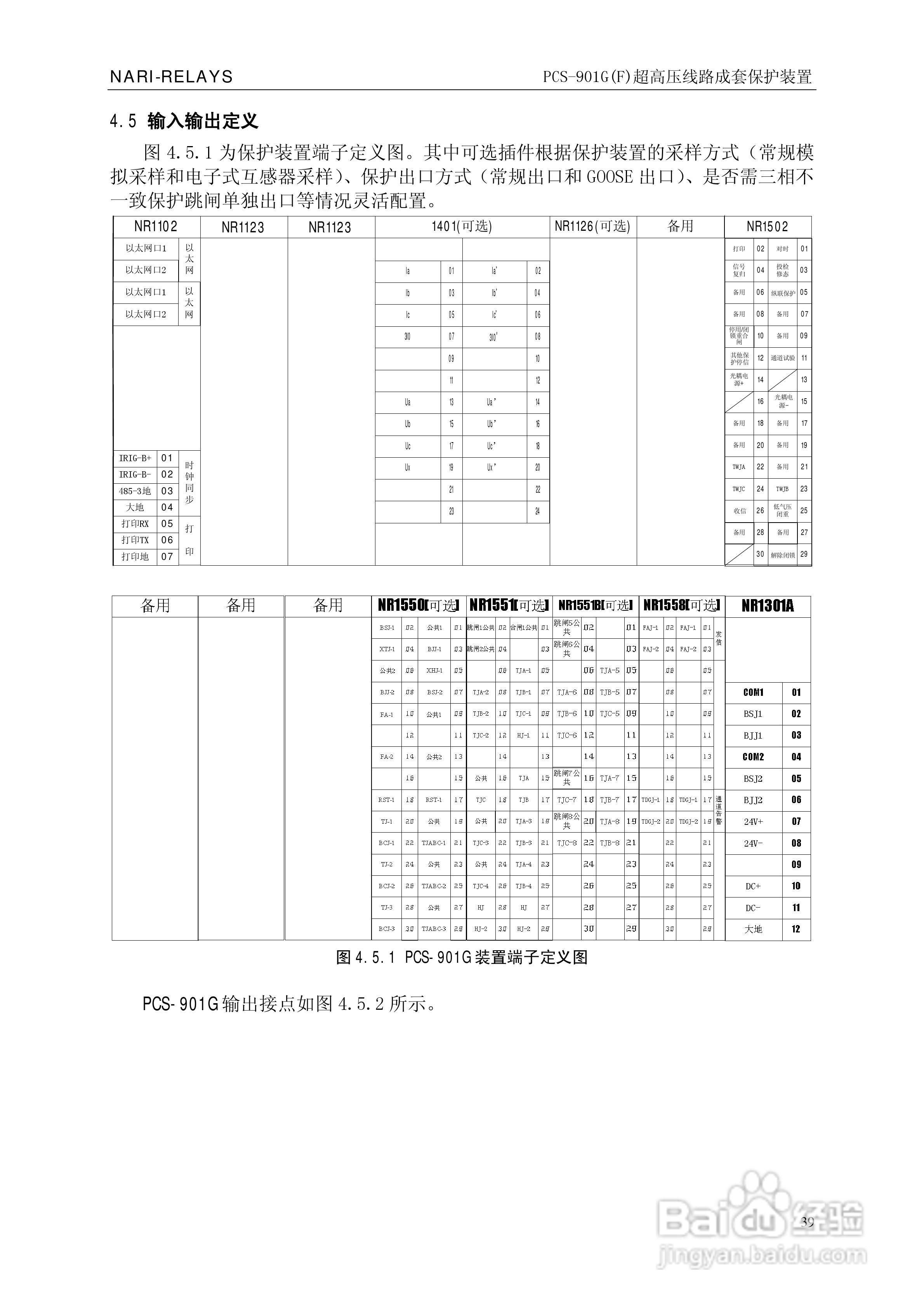
南瑞PCS-901G(F)超高压线路成套保护装置使用说明书:[5]
2026-05-01 16:44:05
本篇为《南瑞PCS-901G(F)超高压线路成套保护装置使用说明书》,主要介绍该产品的使用方法以及常见故障解决方案。
(共篇)
上一篇:
|
下一篇:
声明:
本网站引用、摘录或转载内容仅供网站访问者交流或参考,不代表本站立场,如存在版权或非法内容,请联系站长删除,联系邮箱:site.kefu@qq.com。
相关推荐
南瑞PCS-901G(F)超高压线路成套保护装置使用说明书:[6]
阅读量:174
南瑞RCS-931EN超高压线路成套保护装置使用说明书:[7]
阅读量:141
南瑞PCS-901G(F)超高压线路成套保护装置使用说明书:[7]
阅读量:69
南瑞PCS-901G(F)超高压线路成套保护装置使用说明书:[8]
阅读量:34
南瑞PCS-901G(F)超高压线路成套保护装置使用说明书:[9]
阅读量:138
猜你喜欢
参茸鞭丸效果怎么样
鲅鱼干怎么做好吃
荸荠怎么去皮
期颐怎么读
宽带账号和密码怎么查
实习总结怎么写
笛膜怎么贴
樱桃怎么保存
鹅肉怎么做好吃
舌头上溃疡怎么治
猜你喜欢
迈克尔杰克逊怎么死的
怎么才能怀孕
给领导送礼怎么说
怎么死没有痛苦
毛利润怎么算
贝拉米奶粉怎么样
欢乐斗地主怎么创房间
腿疼怎么办
我的世界盔甲架怎么做
焊工证怎么考