指南生活
首页
美食营养
手工爱好
生活家居
返回
指南生活
首页
美食营养
游戏数码
手工爱好
生活家居
健康养生
运动户外
职场理财
情感交际
母婴教育
时尚美容
知识问答
生活知识
生活百科
搜索
ABB DCS500B/DCF500B/DCP500B直流变流器操作说明书:[6]
2026-04-19 10:52:27
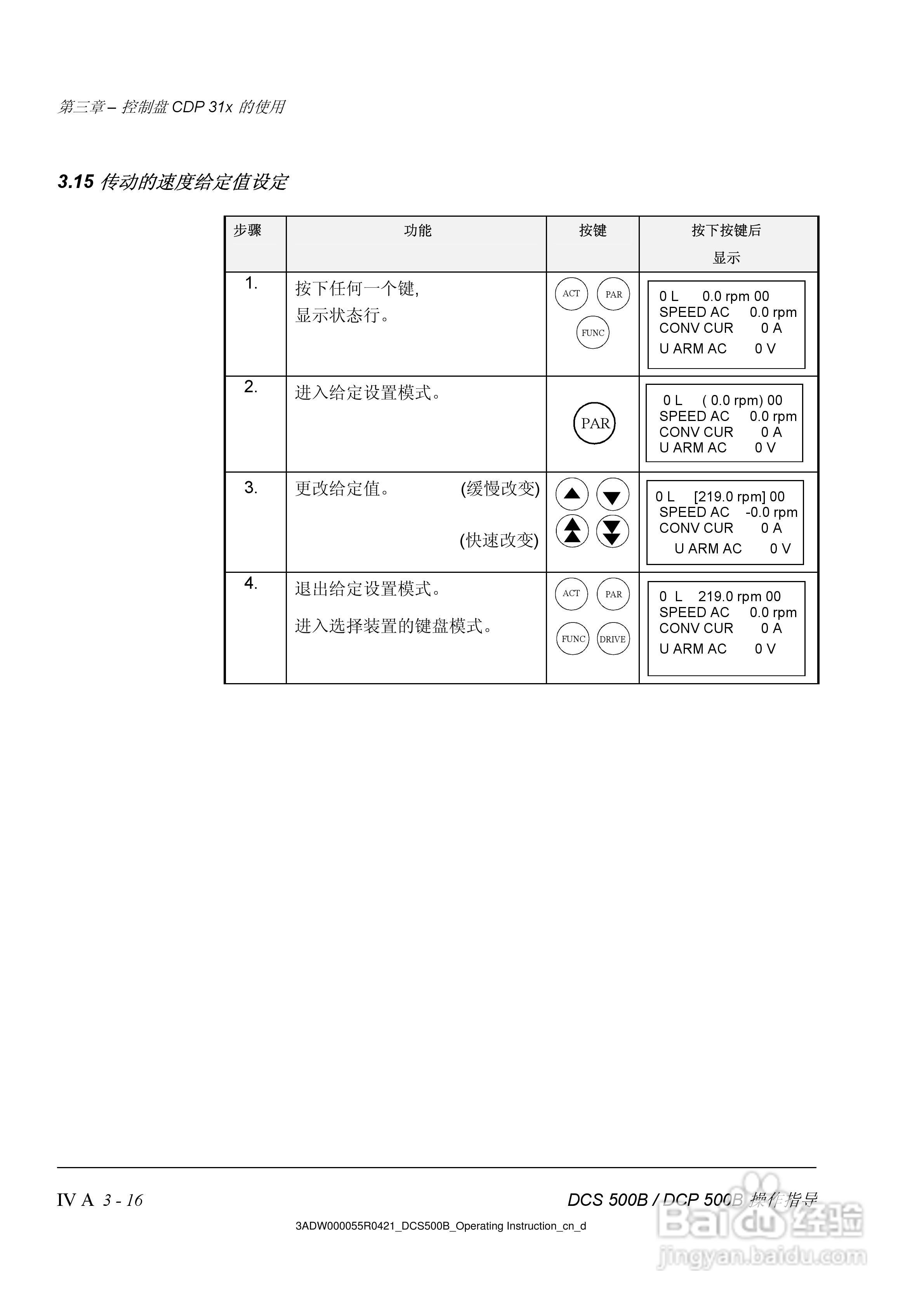
本篇为《ABB DCS500B/DCF500B/DCP500B直流变流器操作说明书》,主要介绍该产品的使用方法以及常见故障解决方案。
(共篇)
上一篇:
|
下一篇:
声明:
本网站引用、摘录或转载内容仅供网站访问者交流或参考,不代表本站立场,如存在版权或非法内容,请联系站长删除,联系邮箱:site.kefu@qq.com。
相关推荐
ABB DCS500B/DCF500B/DCP500B直流变流器操作说明书:[8]
阅读量:40
ABB DSC DCF DCP 500B直流变流器操作说明书:[5]
阅读量:71
ABB DSC DCF DCP 500B直流变流器操作说明书:[1]
阅读量:148
DCS800ABB变流器说明书:[1]
阅读量:192
ABB/REX521保护继电器操作说明书:[3]
阅读量:55
猜你喜欢
我的初三生活
林地守卫者怎么获得
如何消除痛风石
初中生活的酸甜苦辣
flag是什么意思
suv是什么车
python是什么意思
如何设置共享文件夹
现货黄金如何开户
杨光的快乐生活
猜你喜欢
如何唱歌不跑调
生活是一面镜子
堂食是什么意思
如何克服心理障碍
qq飞车t车怎么得
明星生活照
乳房胀痛是什么原因
eml怎么打开
怎么卡刷
打预防针发烧怎么办