指南生活
首页
美食营养
手工爱好
生活家居
返回
指南生活
首页
美食营养
游戏数码
手工爱好
生活家居
健康养生
运动户外
职场理财
情感交际
母婴教育
时尚美容
知识问答
生活知识
搜索
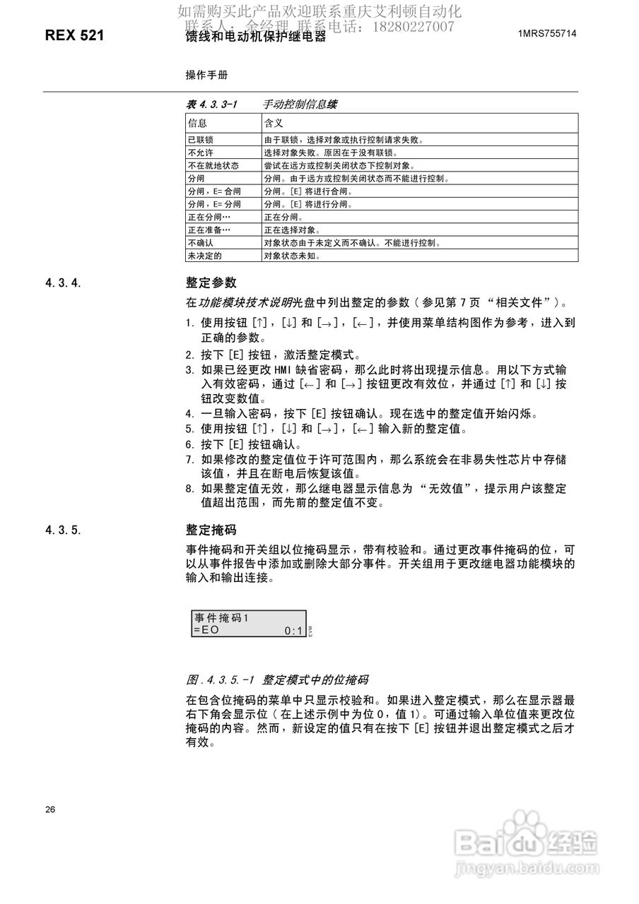
ABB/REX521保护继电器操作说明书:[3]
2025-12-04 15:08:44
本篇为《ABB/REX521保护继电器操作说明书》,主要介绍该产品的使用方法以及常见故障解决方案。
(共篇)
上一篇:
声明:
本网站引用、摘录或转载内容仅供网站访问者交流或参考,不代表本站立场,如存在版权或非法内容,请联系站长删除,联系邮箱:site.kefu@qq.com。
相关推荐
真实经验分享:二胎妈妈如何从135斤瘦到98斤
阅读量:84
棱镜门反思-社交网络和大数据时代的隐私保护
阅读量:107
如何加入爱代驾
阅读量:194
QQ水浒金装豪杰套装属性解析
阅读量:162
新生儿上户口要带什么东西?户口有时间限制吗?
阅读量:105
猜你喜欢
春卷馅的做法
奇瑞a3为什么撞不起
个人鉴定怎么写
发烧了怎么办
中位数怎么求
x型腿怎么矫正
升字五笔怎么打
元旦用英语怎么说
我的世界怎么下载
鸡翅怎么做好吃
猜你喜欢
肛门处长了一个肉疙瘩是怎么回事
微信微粒贷怎么开通
兔子怎么画
秦始皇陵墓为什么不挖
家常饼的做法大全
垃圾用英语怎么说
无线鼠标怎么连接电脑
五行缺水怎么补
through怎么读
猪蹄怎么炖好吃