指南生活
首页
美食营养
手工爱好
生活家居
返回
指南生活
首页
美食营养
游戏数码
手工爱好
生活家居
健康养生
运动户外
职场理财
情感交际
母婴教育
时尚美容
知识问答
生活知识
生活百科
搜索
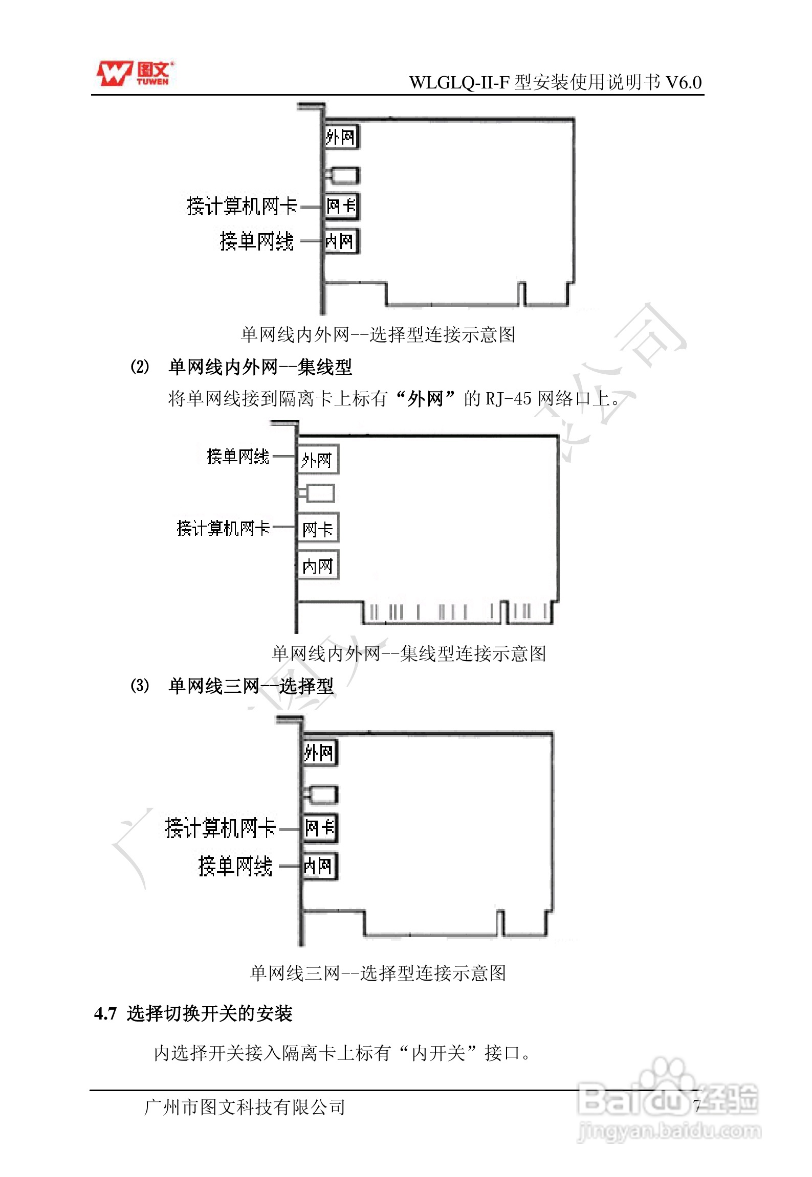
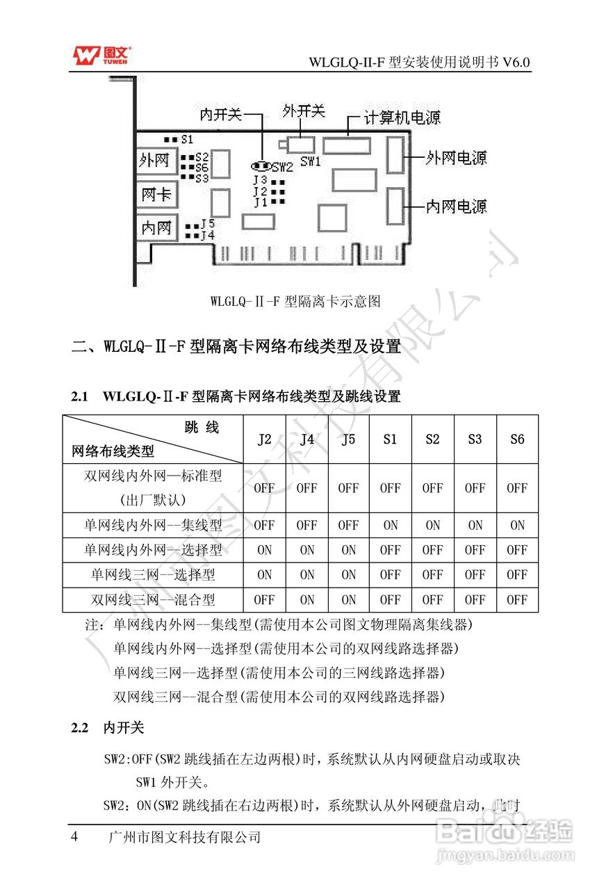
图文隔离卡WLGLQ-II-F型说明书
2026-04-24 18:23:27
声明:
本网站引用、摘录或转载内容仅供网站访问者交流或参考,不代表本站立场,如存在版权或非法内容,请联系站长删除,联系邮箱:site.kefu@qq.com。
相关推荐
图文隔离卡WLGLQ-II-ME型说明书
阅读量:179
图文隔离卡WLGLQ-II-W型说明书
阅读量:173
图文隔离卡WLGLQ-II-J2型说明书:[2]
阅读量:62
图文隔离卡WLGLQ-II-J2型说明书:[1]
阅读量:57
图文隔离卡WLGLQ-II-M型说明书
阅读量:50
猜你喜欢
我的世界怎么下船
怎么把图片上的字去掉
便秘了怎么办
衣服发黄怎么洗白
word怎么画流程图
甄嬛传怎么读
眼睛充血怎么办
北京邮电大学怎么样
大连理工大学怎么样
怎么锻炼肺活量
猜你喜欢
皮草怎么清洗
左边腰疼是怎么回事
鱼油怎么吃
电脑怎么装系统
遮瑕膏怎么用
dnf吞噬魔怎么打
怎么炖鱼
博美犬怎么训练
大锅菜怎么做好吃
我的世界楼梯怎么做