指南生活
首页
美食营养
手工爱好
生活家居
返回
指南生活
首页
美食营养
游戏数码
手工爱好
生活家居
健康养生
运动户外
职场理财
情感交际
母婴教育
时尚美容
知识问答
生活知识
生活百科
搜索
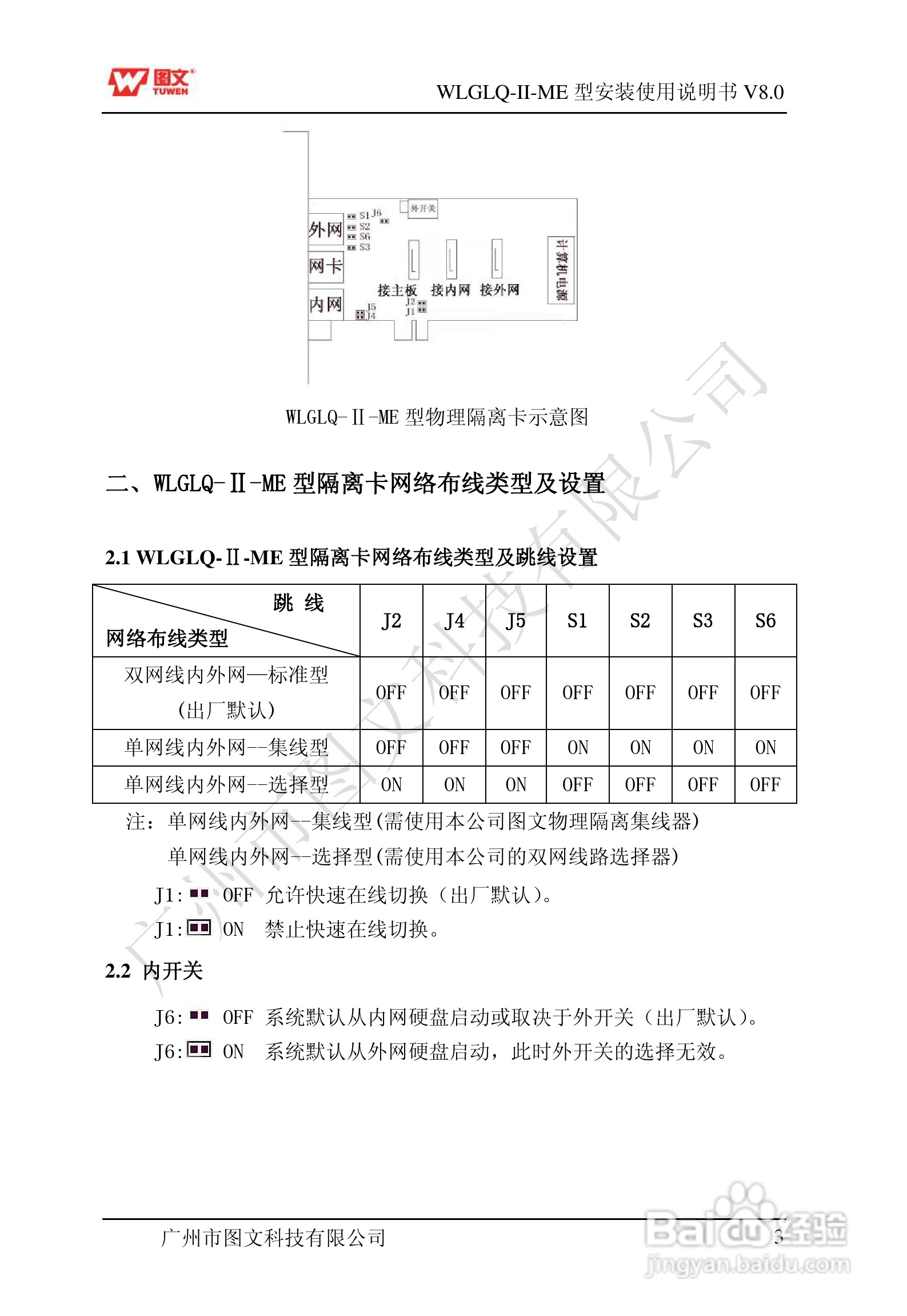
图文隔离卡WLGLQ-II-ME型说明书
2026-03-31 17:00:25
声明:
本网站引用、摘录或转载内容仅供网站访问者交流或参考,不代表本站立场,如存在版权或非法内容,请联系站长删除,联系邮箱:site.kefu@qq.com。
相关推荐
图文隔离卡WLGLQ-II-LE型说明书
阅读量:103
图文隔离卡WLGLQ-II-M型说明书
阅读量:37
图文隔离卡WLGLQ-II-J2型说明书:[1]
阅读量:186
图文隔离卡WLGLQ-II-LME型说明书
阅读量:51
图文隔离卡WLGLQ-II-P型说明书
阅读量:185
猜你喜欢
胖脸适合什么发型
勤王是什么意思
临空墙是什么意思
三个羊是什么字
大什么小什么的成语
future什么意思
cosplay什么意思
smart原则是什么
qc小组是什么意思
angel是什么意思
猜你喜欢
中考成绩什么时候出
通讯地址是指什么
1971年是什么命
coat什么意思
痔疮用什么药效果好
女孩子喜欢什么礼物
现在什么手机好用
申诉成功凭证是什么
together什么意思
ecp是什么意思