指南生活
首页
美食营养
手工爱好
生活家居
返回
指南生活
首页
美食营养
游戏数码
手工爱好
生活家居
健康养生
运动户外
职场理财
情感交际
母婴教育
时尚美容
知识问答
生活知识
生活百科
搜索
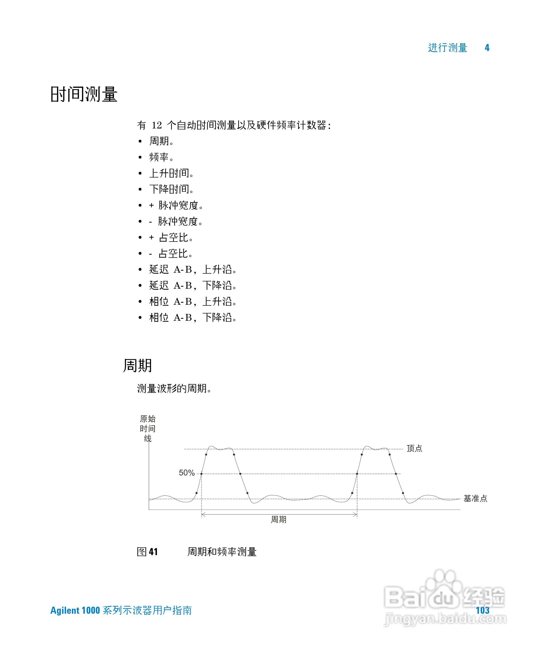
安捷伦DSO1002A示波器操作指南:[11]
2026-04-24 22:29:07
本篇为《安捷伦DSO1002A示波器操作指南》,主要介绍该产品的使用方法以及常见故障解决方案。
(共篇)
上一篇:
|
下一篇:
声明:
本网站引用、摘录或转载内容仅供网站访问者交流或参考,不代表本站立场,如存在版权或非法内容,请联系站长删除,联系邮箱:site.kefu@qq.com。
相关推荐
安捷伦DSO1002A示波器操作指南:[10]
阅读量:94
安捷伦DSO1002A示波器操作指南:[15]
阅读量:157
安捷伦DSO1002A示波器操作指南:[7]
阅读量:20
安捷伦DSO7104B数字示波器用户手册:[11]
阅读量:52
示波器快速入门使用指南
阅读量:117
猜你喜欢
运动木地板
不过是蜘蛛什么的
安闲的近义词是什么
军绿色裤子配什么上衣
兔养殖
运动会加油稿800米
解禁是什么意思
gain什么意思
黑鱼养殖技术
快递费计入什么科目
猜你喜欢
曾经沧海难为水什么意思
山鸡养殖技术
截屏的快捷键是什么
5.20是什么星座
waste是什么意思
定焦镜头适合拍什么
喝三七粉有什么好处
深水炸弹什么意思
gain是什么意思
什么是生态文明建设