指南生活
首页
美食营养
手工爱好
生活家居
返回
指南生活
首页
美食营养
游戏数码
手工爱好
生活家居
健康养生
运动户外
职场理财
情感交际
母婴教育
时尚美容
知识问答
生活知识
生活百科
搜索
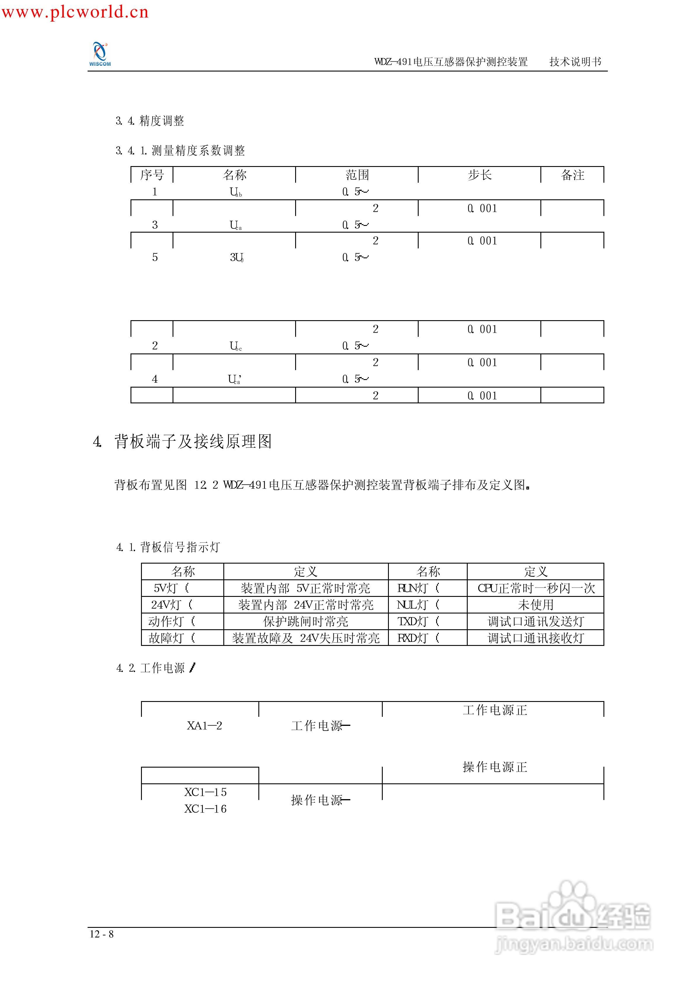
WDZ-491电压互感器保护测控装置说明书:[13]
2026-03-26 05:02:04
本篇为《WDZ-491电压互感器保护测控装置说明书》,主要介绍该产品的使用方法以及常见故障解决方案。
(共篇)
上一篇:
|
下一篇:
声明:
本网站引用、摘录或转载内容仅供网站访问者交流或参考,不代表本站立场,如存在版权或非法内容,请联系站长删除,联系邮箱:site.kefu@qq.com。
相关推荐
WDZ-491电压互感器保护测控装置说明书:[11]
阅读量:38
WDZ-491电压互感器保护测控装置说明书:[8]
阅读量:60
天能DSV-31B数字电压互感器保护测控装置说明书:[3]
阅读量:120
天能DSV-31B数字电压互感器保护测控装置说明书:[2]
阅读量:142
WXD2151电压互感器保护装置说明书:[10]
阅读量:144
猜你喜欢
脖子上长痘痘什么原因
hate是什么意思
嗜睡是什么原因
氯化钠注射作用是什么
the是什么意思
百褶裙搭配什么上衣
平行志愿什么意思
佛跳墙是什么菜
跳蛋是什么
has是什么意思
猜你喜欢
rf是什么意思
头位是什么意思
普通的反义词是什么
3是什么意思
一什么沙滩
蓝色配什么颜色好看
odm是什么意思
前列腺肥大是什么原因引起
精子是什么味道
长脸适合什么眼镜