指南生活
首页
美食营养
手工爱好
生活家居
返回
指南生活
首页
美食营养
游戏数码
手工爱好
生活家居
健康养生
运动户外
职场理财
情感交际
母婴教育
时尚美容
搜索
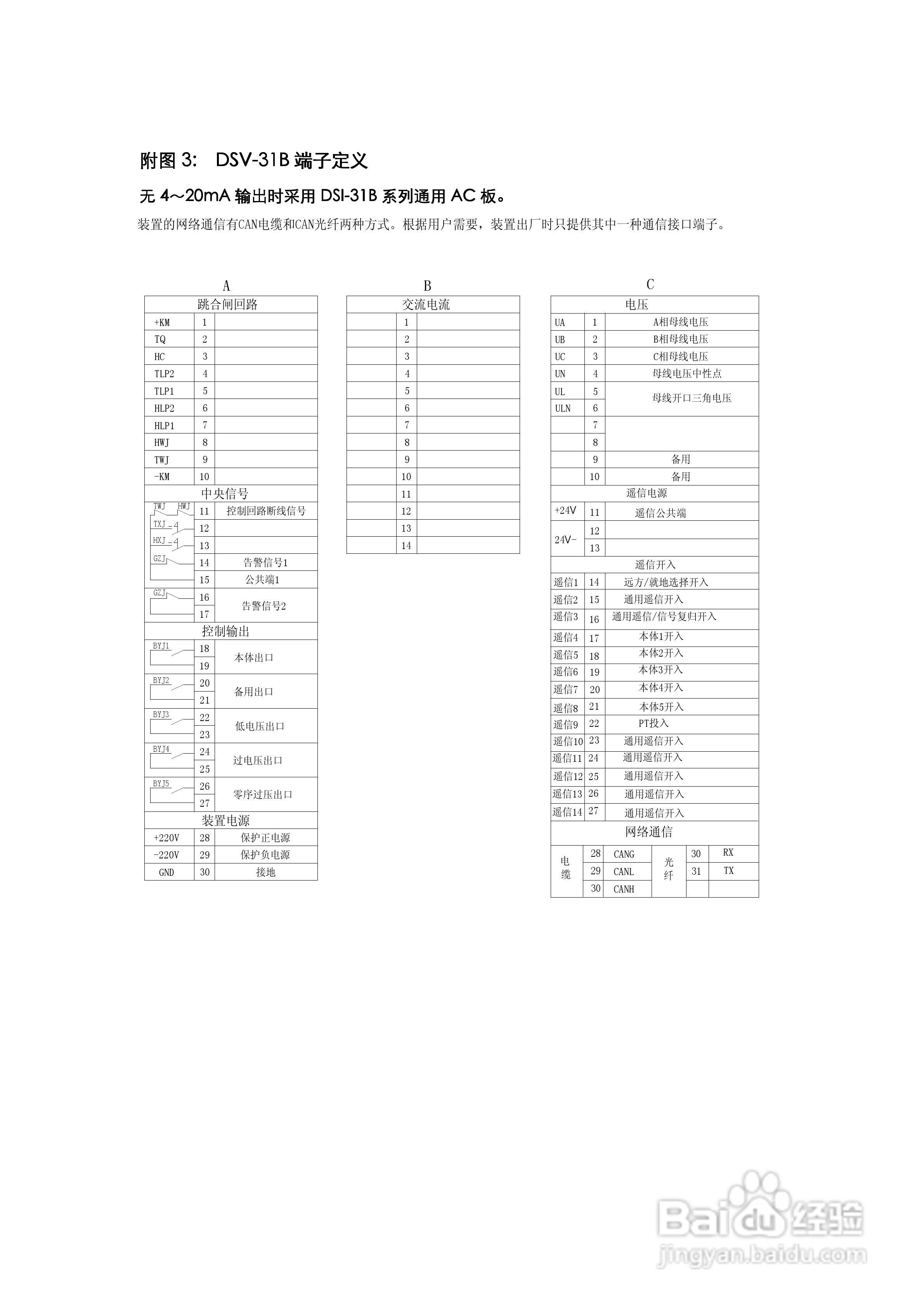
天能DSV-31B数字电压互感器保护测控装置说明书:[3]
2025-10-26 00:32:51
本篇为《天能DSV-31B数字电压互感器保护测控装置说明书》,主要介绍该产品的使用方法以及常见故障解决方案。
(共篇)
上一篇:
声明:
本网站引用、摘录或转载内容仅供网站访问者交流或参考,不代表本站立场,如存在版权或非法内容,请联系站长删除,联系邮箱:site.kefu@qq.com。
相关推荐
天能DSV-31B数字电压互感器保护测控装置说明书:[2]
阅读量:194
WDZ-491电压互感器保护测控装置说明书:[13]
阅读量:37
WDZ-491电压互感器保护测控装置说明书:[11]
阅读量:137
WDZ-491电压互感器保护测控装置说明书:[14]
阅读量:102
WDZ-491电压互感器保护测控装置说明书:[15]
阅读量:81
猜你喜欢
蚂蚁花呗是什么意思
玩lol需要什么配置
狐狸眼是什么样的
股改是什么意思
兔子怀孕有什么特征
晟是什么意思
陆续是什么意思
早教机什么牌子好
minus是什么意思
打印到文件是什么意思
猜你喜欢
滑雪镜什么牌子好
打印一体机什么牌子好
什么是具体行政行为
三太子是什么意思
柳树叶子像什么
form是什么意思
镜像文件是什么意思
郁郁寡欢是什么意思
beyond什么意思
概念车什么意思