指南生活
首页
美食营养
手工爱好
生活家居
返回
指南生活
首页
美食营养
游戏数码
手工爱好
生活家居
健康养生
运动户外
职场理财
情感交际
母婴教育
时尚美容
知识问答
生活知识
生活百科
搜索
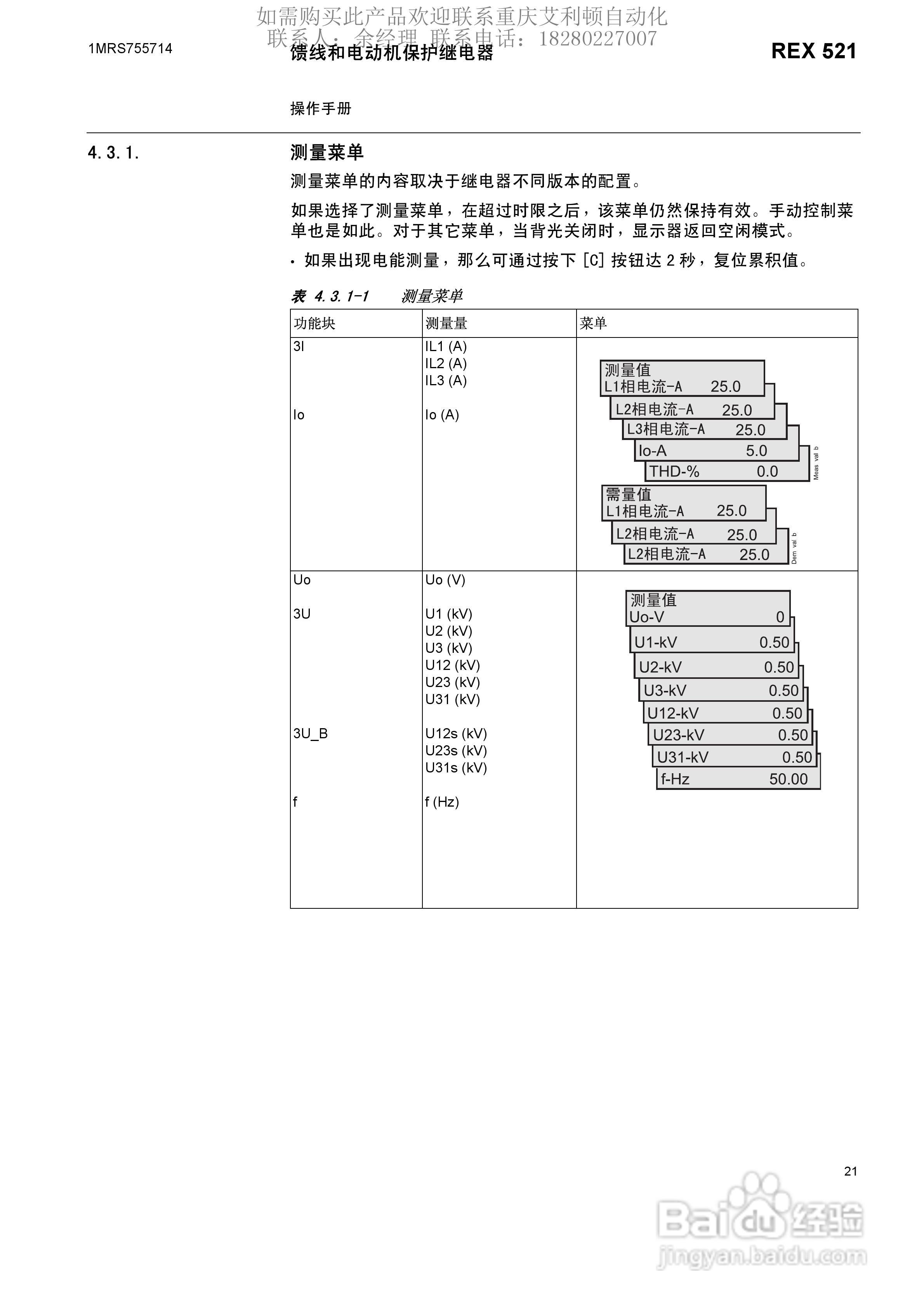
ABB/REX521保护继电器操作说明书:[2]
2026-04-07 08:56:44
本篇为《ABB/REX521保护继电器操作说明书》,主要介绍该产品的使用方法以及常见故障解决方案。
(共篇)
上一篇:
|
下一篇:
声明:
本网站引用、摘录或转载内容仅供网站访问者交流或参考,不代表本站立场,如存在版权或非法内容,请联系站长删除,联系邮箱:site.kefu@qq.com。
相关推荐
孙悟空金丹养生:[1]金丹(一)
阅读量:20
租房子有哪些坑?
阅读量:155
2019西班牙十大最佳葡萄酒
阅读量:182
藏红花有哪些功效?
阅读量:188
没有去过香港,怎样才能了解香港?
阅读量:119
猜你喜欢
微商怎么找客源
下眼袋浮肿怎么回事
宝健产品怎么样
长城汽车怎么样
ps怎么填充图案
无线键盘怎么用
武林外传五行阵怎么破
上海工程技术大学怎么样
临沂大学怎么样
湖南理工学院怎么样
猜你喜欢
胸部刺痛怎么回事
蜜蜂蛰了怎么消肿
貔貅怎么佩戴
儿童发烧怎么办
脸红是怎么回事
手烫伤起泡怎么处理
小孩疝气怎么治疗
手机的ip地址怎么查
掉发怎么办
怎么ping