指南生活
首页
美食营养
手工爱好
生活家居
返回
指南生活
首页
美食营养
游戏数码
手工爱好
生活家居
健康养生
运动户外
职场理财
情感交际
母婴教育
时尚美容
知识问答
生活知识
生活百科
搜索
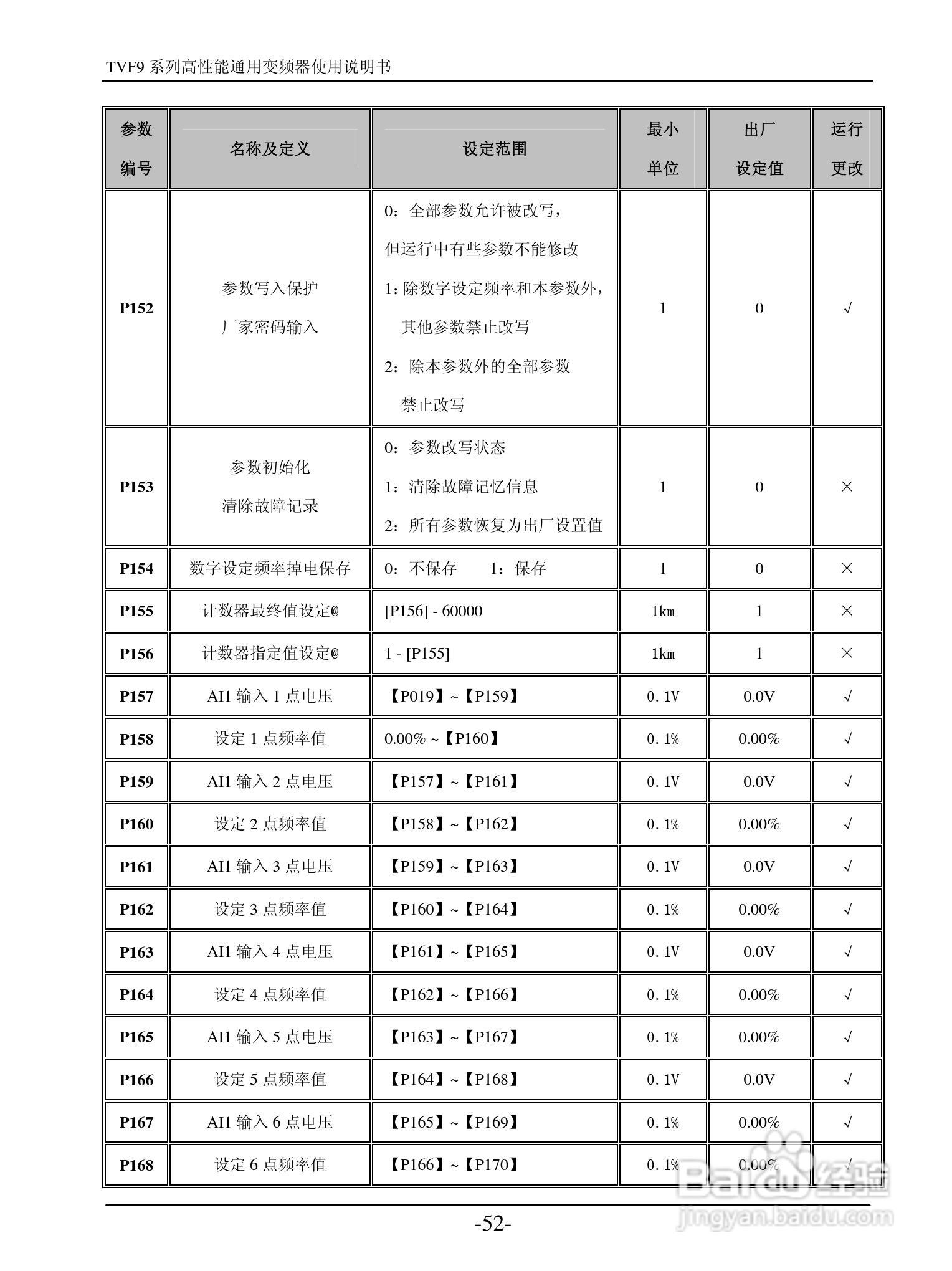
天正TFV9-42800变频器使用说明书:[6]
2026-04-23 18:34:09
本篇为《天正TFV9-42800变频器使用说明书》,主要介绍该产品的使用方法以及常见故障解决方案。
(共篇)
上一篇:
声明:
本网站引用、摘录或转载内容仅供网站访问者交流或参考,不代表本站立场,如存在版权或非法内容,请联系站长删除,联系邮箱:site.kefu@qq.com。
相关推荐
信捷电子OP系列文本显示器使用手册:[3]
阅读量:180
手机组态展示-EMCP组态多页面+视频+曲线
阅读量:41
4G DTU与PLC联手为什么能有效解决远程控制难题
阅读量:24
信捷电子OP系列文本显示器使用手册:[1]
阅读量:162
0-5V转0-24V、0-24V转0-5V脉冲变送器
阅读量:176
猜你喜欢
夏侯惇怎么死的
手机怎么投屏到电视
银行卡怎么注销
雌激素高怎么办
驱动怎么安装
甘油三酯高怎么降下来
粉蒸肉怎么做
无线路由器怎么设置
紫外线过敏怎么办
crayon怎么读
猜你喜欢
汉堡怎么做
电脑卡怎么办
斗鱼怎么养
电脑开机密码忘记了怎么办
毛囊炎怎么治疗
电脑用户名怎么改
茄子干怎么做好吃
肺栓塞是怎么引起的
你怎么舍得我难过吉他谱
怎么去除马赛克