指南生活
首页
美食营养
手工爱好
生活家居
返回
指南生活
首页
美食营养
游戏数码
手工爱好
生活家居
健康养生
运动户外
职场理财
情感交际
母婴教育
时尚美容
知识问答
生活知识
生活百科
搜索
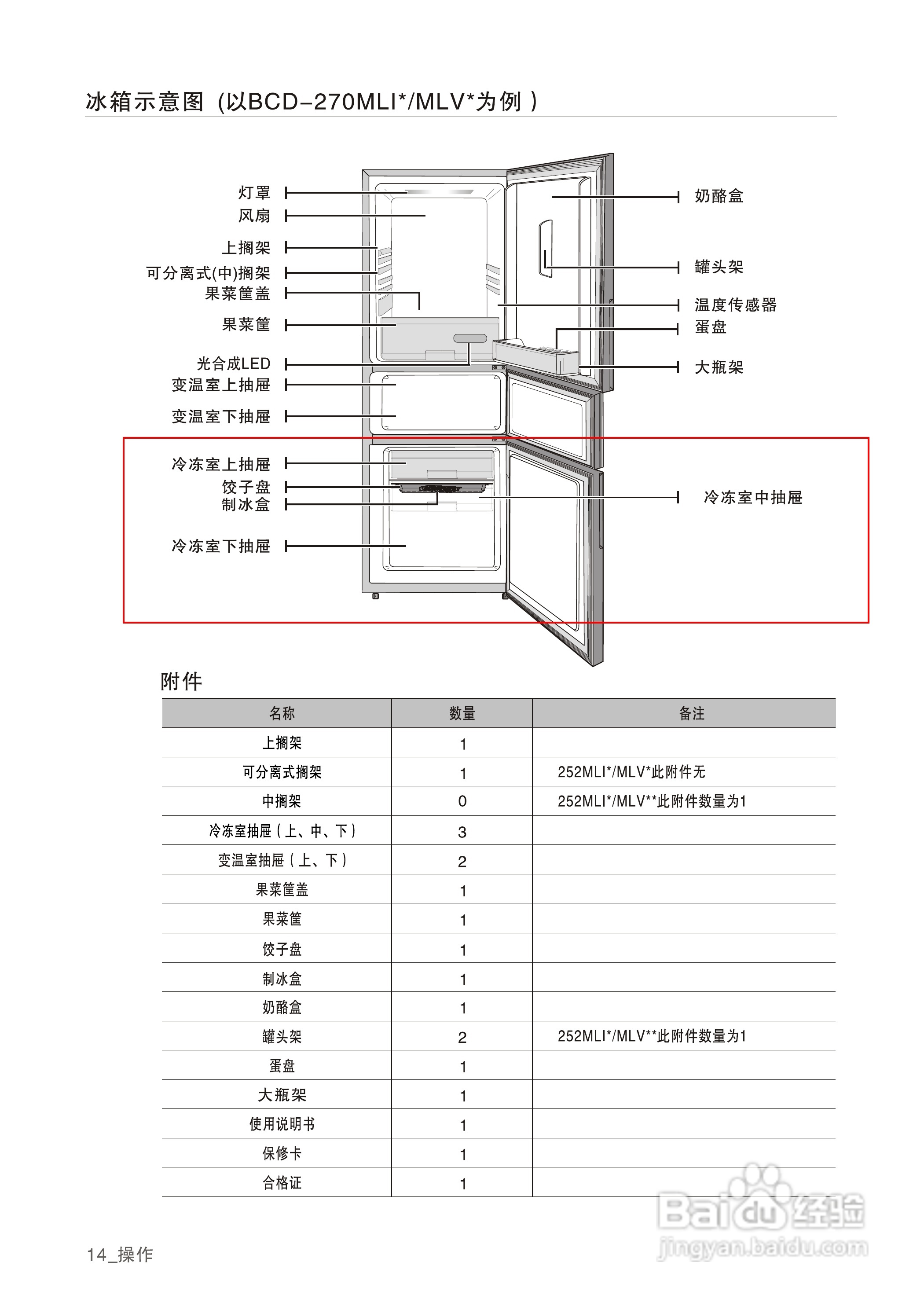
三星BCD-252MLTH电冰箱使用说明书:[2]
2026-04-13 00:16:47
(共篇)
上一篇:
|
下一篇:
声明:
本网站引用、摘录或转载内容仅供网站访问者交流或参考,不代表本站立场,如存在版权或非法内容,请联系站长删除,联系邮箱:site.kefu@qq.com。
相关推荐
三星s8 打开usb调试教程
阅读量:120
三星BCD-252MLGF电冰箱使用说明书:[2]
阅读量:41
三星BCD-252MLIS电冰箱使用说明书:[1]
阅读量:128
三星BCD-252MLIS电冰箱使用说明书:[2]
阅读量:56
三星BCD-252MLGH电冰箱使用说明书:[2]
阅读量:150
猜你喜欢
cf手游怎么刷枪
小眼睛单眼皮怎么化妆
手机丢了第一时间怎么办
梦见火是什么意思
没有系统盘怎么重装系统
ipv6是什么意思啊
鸽子怎么炖汤好喝又营养
特别的近义词是什么
生活随笔200字
私处如何脱毛
猜你喜欢
鱼子怎么做
8月22日是什么星座
广东工贸职业技术学院怎么样
如何网上购物
如何腌制牛排
鱼尾纹怎么去
word如何排版
谬赞是什么意思
p2p是什么意思
强基计划是什么意思