指南生活
首页
美食营养
手工爱好
生活家居
返回
指南生活
首页
美食营养
游戏数码
手工爱好
生活家居
健康养生
运动户外
职场理财
情感交际
母婴教育
时尚美容
知识问答
生活知识
生活百科
搜索
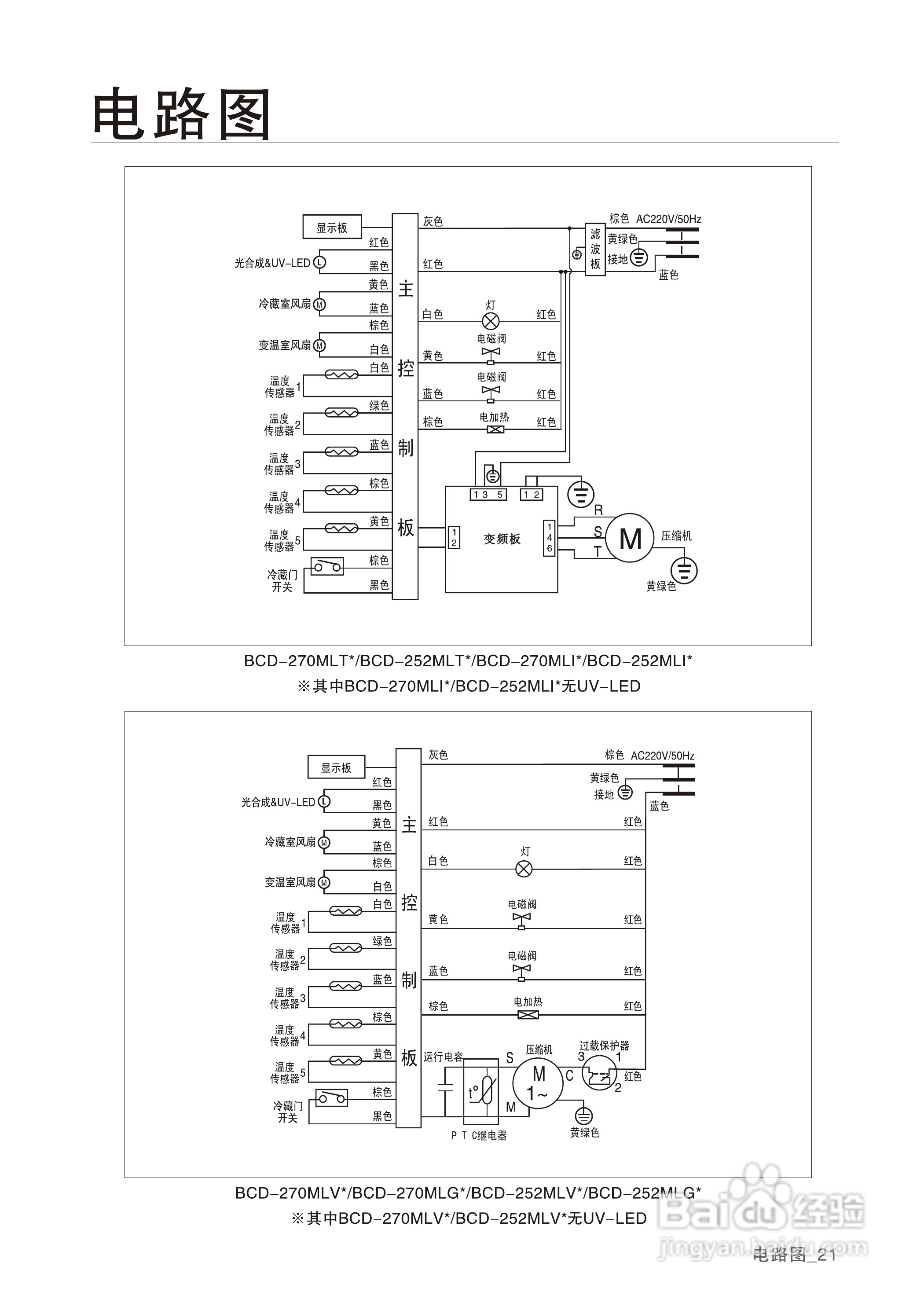
三星BCD-252MLTH电冰箱使用说明书:[3]
2026-05-10 19:40:30
(共篇)
上一篇:
声明:
本网站引用、摘录或转载内容仅供网站访问者交流或参考,不代表本站立场,如存在版权或非法内容,请联系站长删除,联系邮箱:site.kefu@qq.com。
相关推荐
三星s8 打开usb调试教程
阅读量:176
三星BCD-252MLIS电冰箱使用说明书:[1]
阅读量:84
三星BCD-252MLIS电冰箱使用说明书:[3]
阅读量:159
三星BCD-252MLGH电冰箱使用说明书:[2]
阅读量:136
三星BCD-252MLGH电冰箱使用说明书:[3]
阅读量:152
猜你喜欢
中秋节用英语怎么说
怎么修改微信号
身上静电怎么消除
印度神油怎么用
董卿怎么了
家政公司怎么开
医保卡丢了怎么办
孩子怎么生
腋下出汗怎么办
松茸怎么吃
猜你喜欢
盏五笔怎么打
手机截屏怎么弄
招聘信息怎么写吸引人
小腹坠胀疼痛是怎么回事
荠菜怎么吃
套的五笔怎么打
打印机不进纸怎么办
怎么关闭win10自动更新
长方形的体积怎么算
广州北京路怎么去