指南生活
首页
美食营养
手工爱好
生活家居
返回
指南生活
首页
美食营养
游戏数码
手工爱好
生活家居
健康养生
运动户外
职场理财
情感交际
母婴教育
时尚美容
知识问答
生活知识
生活百科
搜索
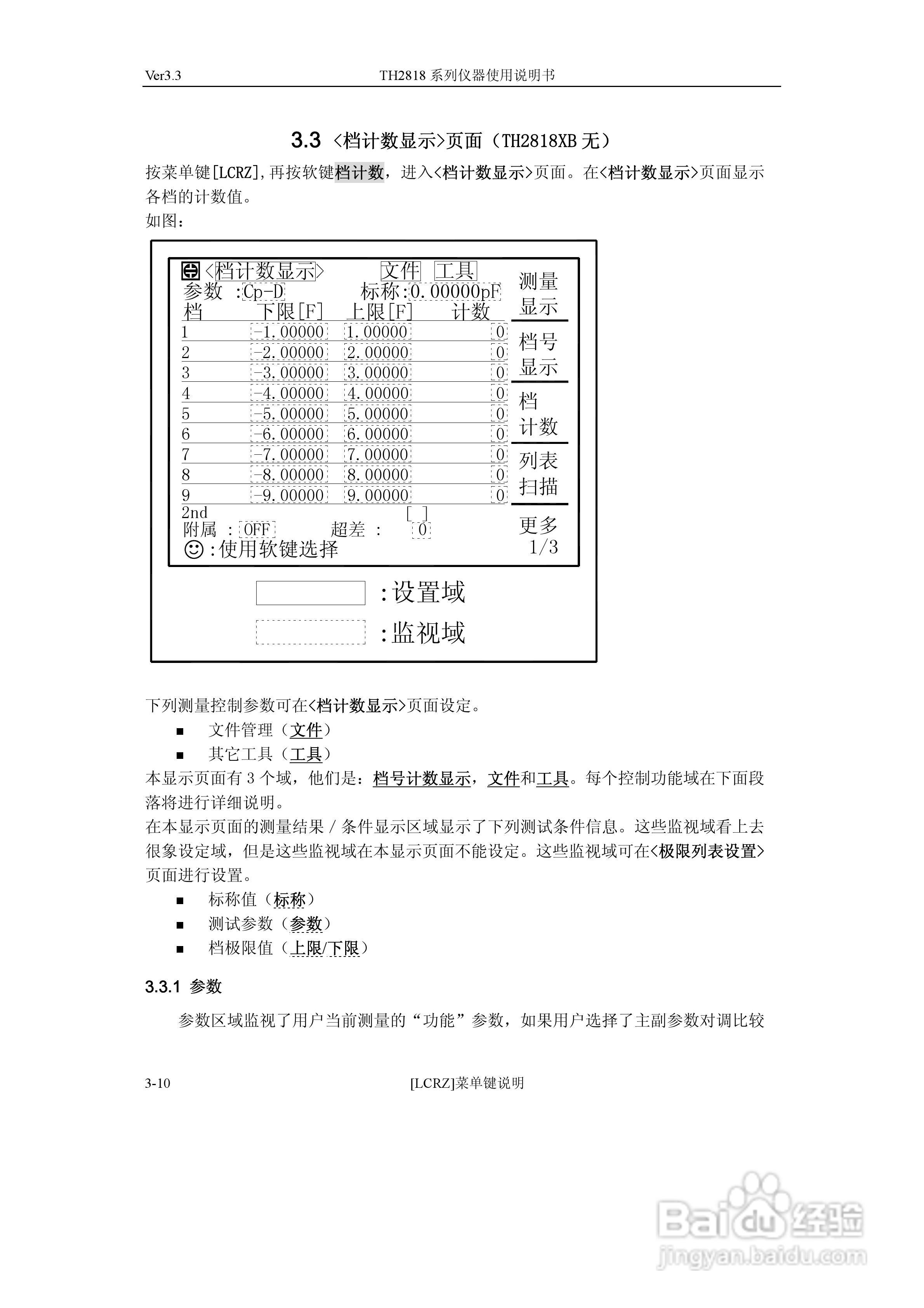
TH2818系列自动元件分析仪说明书:[4]
2026-03-27 03:17:50
本篇为《TH2818系列自动元件分析仪说明书》,主要介绍该产品的使用方法以及常见故障解决方案。
(共篇)
上一篇:
|
下一篇:
声明:
本网站引用、摘录或转载内容仅供网站访问者交流或参考,不代表本站立场,如存在版权或非法内容,请联系站长删除,联系邮箱:site.kefu@qq.com。
相关推荐
TH2818系列自动元件分析仪说明书:[10]
阅读量:148
TH2818系列自动元件分析仪说明书:[12]
阅读量:158
TH2818系列自动元件分析仪说明书:[15]
阅读量:126
TH2818系列自动元件分析仪说明书:[17]
阅读量:93
TH2818系列自动元件分析仪说明书:[9]
阅读量:72
猜你喜欢
放样是什么意思
果儿是什么意思
益生菌是什么
题材是什么意思
chess是什么意思
兼容性是什么意思
梦见死人是什么兆头
6月份有什么节日
尿常规检查什么
血沉是什么
猜你喜欢
张靓颖什么时候离的婚
红酒什么时候喝最好
多潘立酮片是什么药
什么是法西斯
什么的爱
教诲的近义词是什么
4月9日是什么星座
维修费计入什么科目
众星拱月的意思是什么
锲而不舍是什么意思