指南生活
首页
美食营养
手工爱好
生活家居
返回
指南生活
首页
美食营养
游戏数码
手工爱好
生活家居
健康养生
运动户外
职场理财
情感交际
母婴教育
时尚美容
知识问答
生活知识
生活百科
搜索
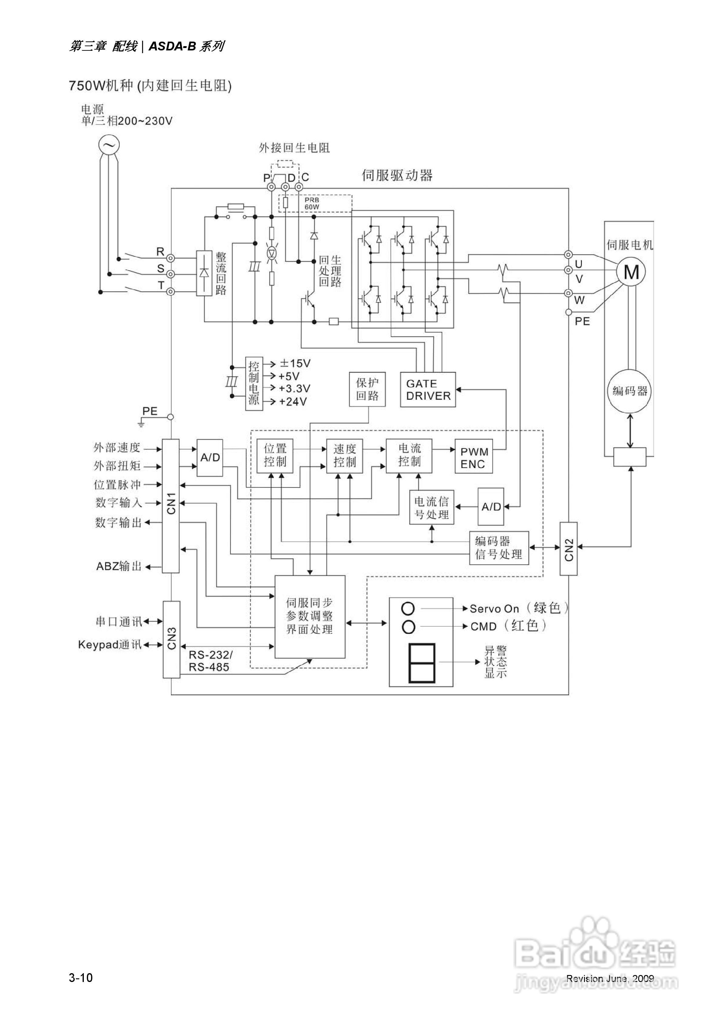
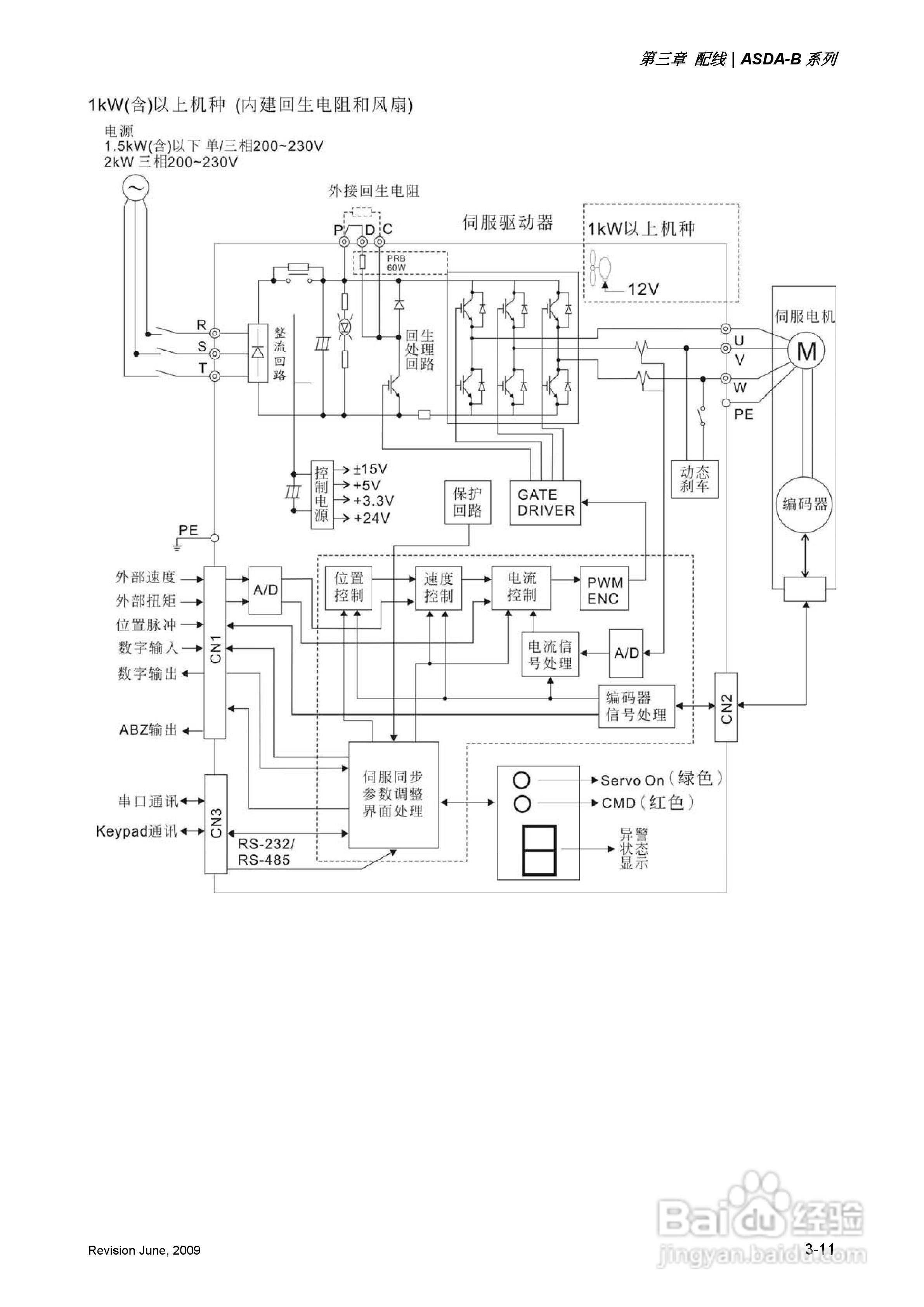
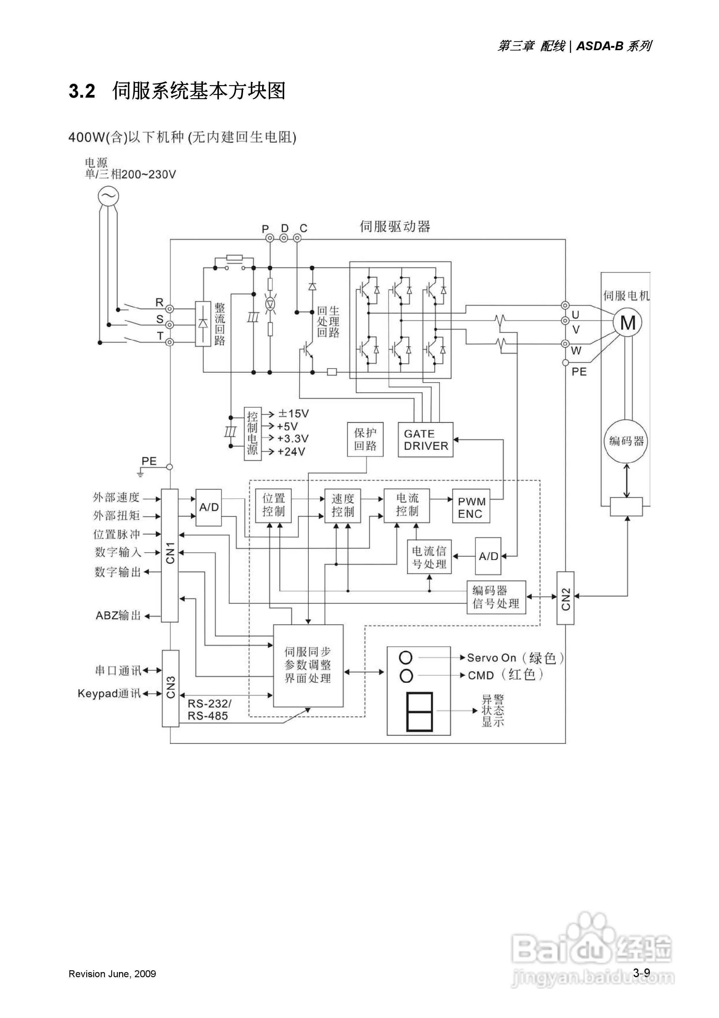
台达ASDA-B伺服驱动器使用手冊:[4]
2026-04-16 11:28:26
本篇为《台达ASDA-B伺服驱动器使用手冊》,主要介绍该产品的使用方法以及常见故障解决方案。
(共篇)
上一篇:
|
下一篇:
声明:
本网站引用、摘录或转载内容仅供网站访问者交流或参考,不代表本站立场,如存在版权或非法内容,请联系站长删除,联系邮箱:site.kefu@qq.com。
相关推荐
台达ASDA-A伺服驱动器使用手冊:[4]
阅读量:104
台达ASDA-A伺服驱动器使用手冊:[5]
阅读量:168
台达ASDA-A2伺服驱动器使用手冊:[6]
阅读量:167
伺服驱动器速度怎么计算
阅读量:135
伺服驱动器的七个常见故障及其检修
阅读量:38
猜你喜欢
如何腌制咸鸭蛋
cdr是什么格式
囟门是什么
风情是什么意思
avi是什么格式
b级车是什么意思
纷至沓来什么意思
指数基金是什么意思
眼睛流泪是什么原因
cried是什么意思
猜你喜欢
鲜玉米中含有大量的哪种天然维生素
蒸鱼豉油是什么
高瞻远瞩是什么意思
扎西德勒什么意思
desktop是什么意思
日出东方却落于西什么意思
头发白是什么原因引起的
什么电影最好看
狂犬疫苗什么时候打
塔塔粉可以用什么代替