指南生活
首页
美食营养
手工爱好
生活家居
返回
指南生活
首页
美食营养
游戏数码
手工爱好
生活家居
健康养生
运动户外
职场理财
情感交际
母婴教育
时尚美容
知识问答
生活知识
生活百科
搜索
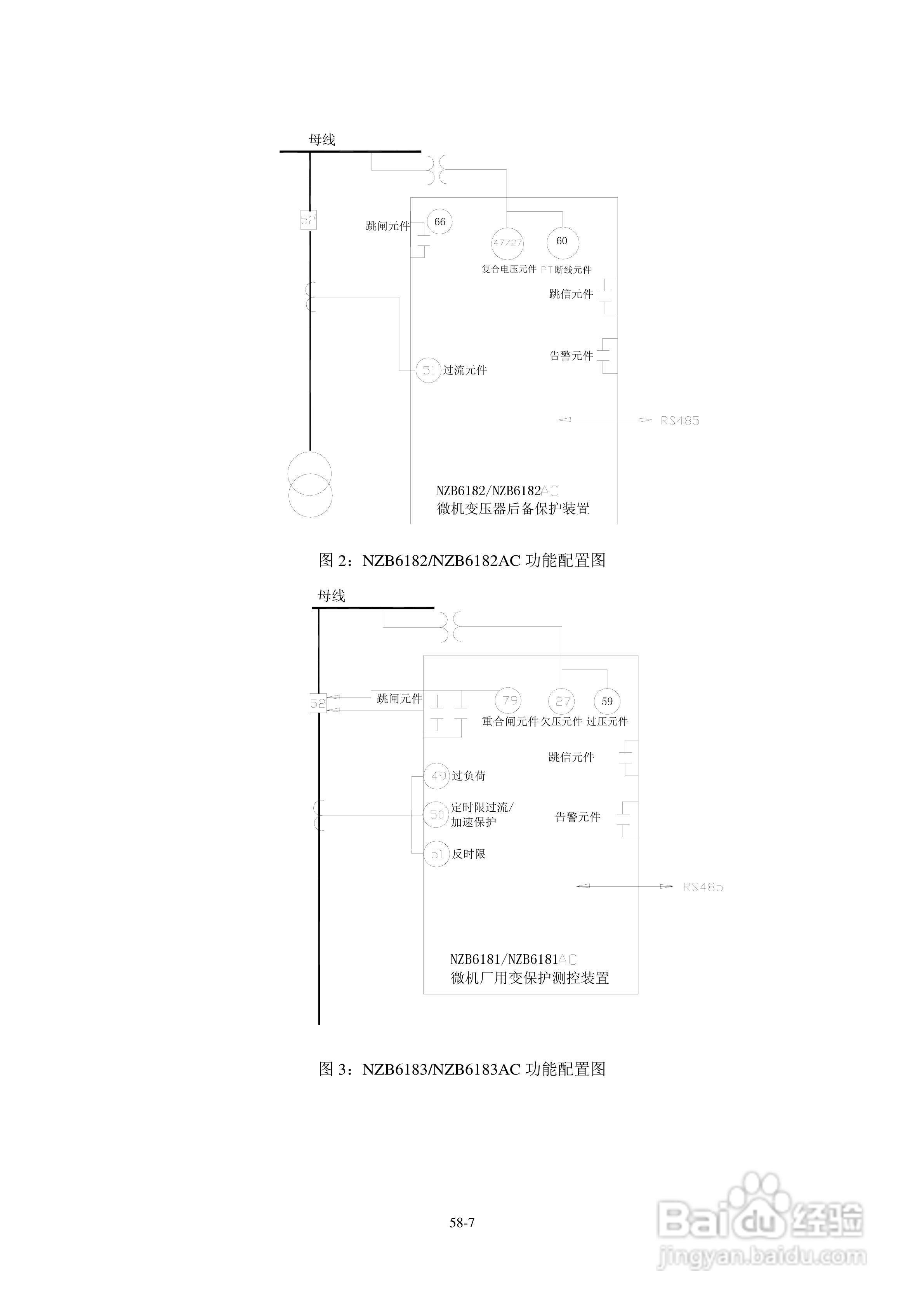
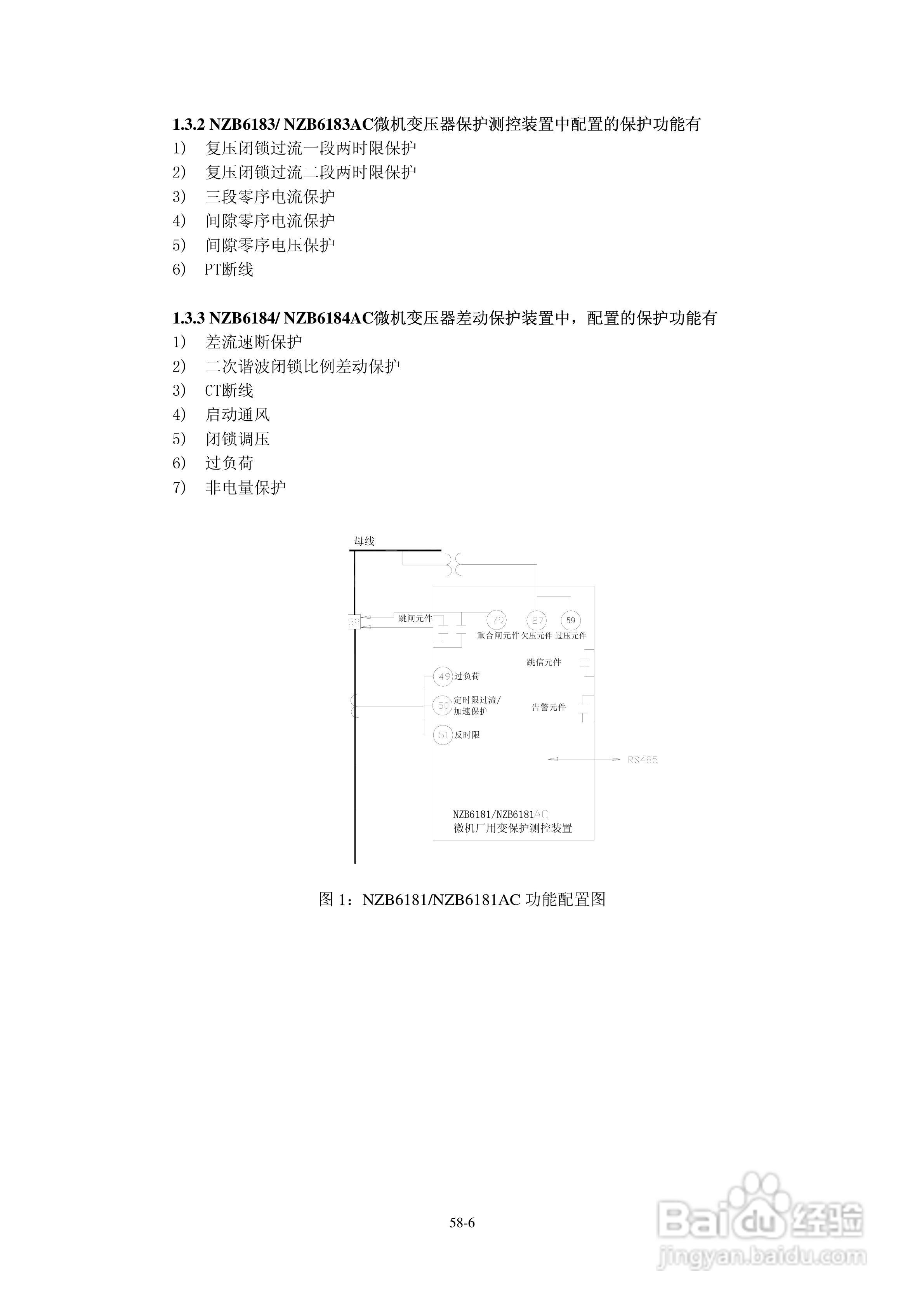
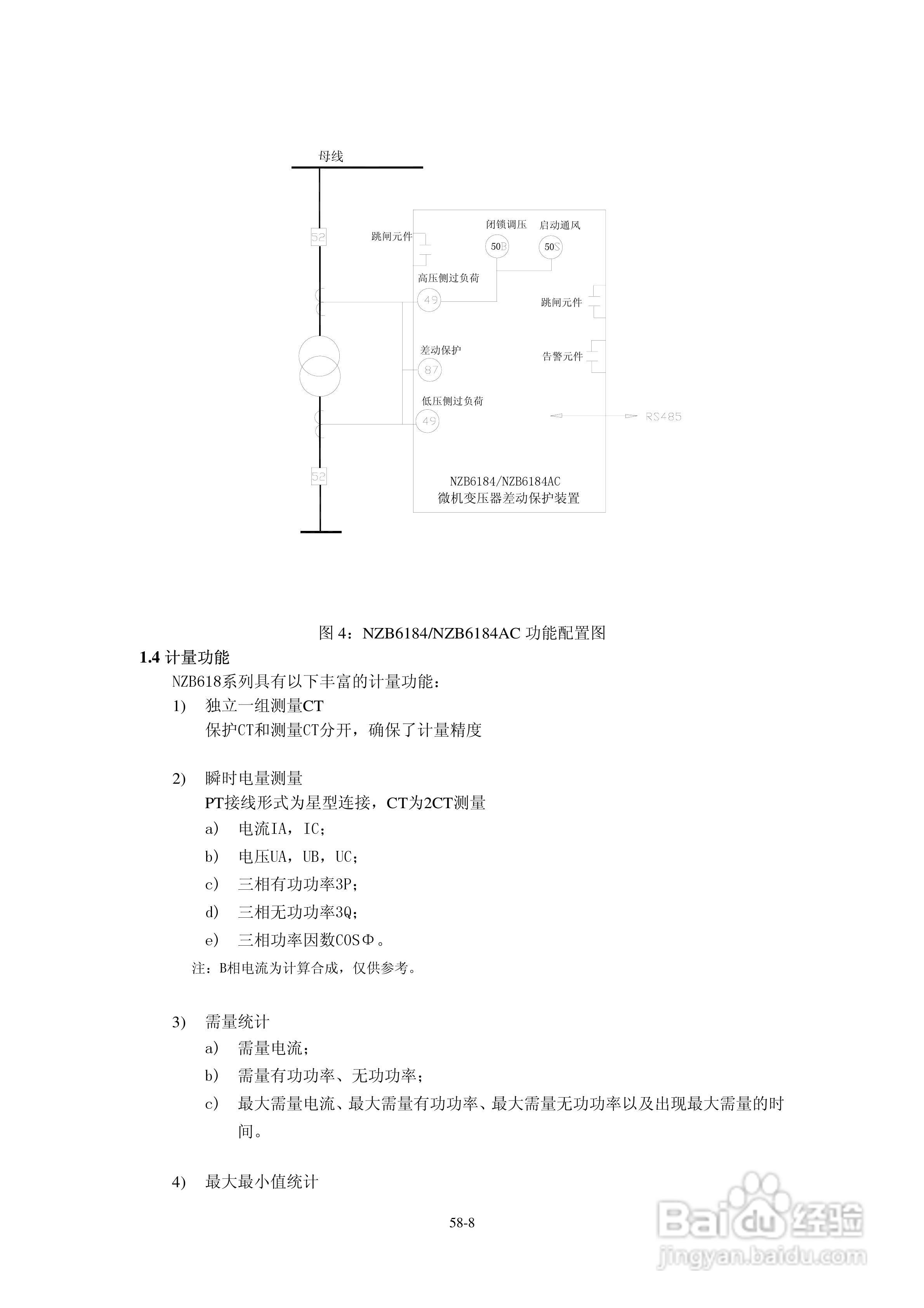
正泰NZB6184微机变压器保护测控装置使用说明书:[1]
2026-05-14 18:34:25
本篇为《正泰NZB6184微机变压器保护测控装置使用说明书》,主要介绍该产品的使用方法以及常见故障解决方案。
(共篇)
下一篇:
声明:
本网站引用、摘录或转载内容仅供网站访问者交流或参考,不代表本站立场,如存在版权或非法内容,请联系站长删除,联系邮箱:site.kefu@qq.com。
相关推荐
正泰NZB6114微机线路保护测控装置使用说明书:[1]
阅读量:81
正泰NZB6114微机线路保护测控装置使用说明书:[4]
阅读量:196
正泰NZB6114微机线路保护测控装置使用说明书:[5]
阅读量:158
正泰NZB6114微机线路保护测控装置使用说明书:[3]
阅读量:100
NZB610系列微机测控装置使用说明书:[1]
阅读量:72
猜你喜欢
腌辣椒的做法大全
股骨头最佳治疗方法
吉利博瑞怎么样
周公解梦大全查询梦2345原版
七七影视大全
怎么共享别人的打印机
大龙虾怎么做好吃
苹果产品大全
三次方怎么打
炖羊排的家常做法
猜你喜欢
猫咪品种大全及图片
水压低怎么办
我的世界物品大全
倒车雷达怎么安装
壮阳方法
说明文方法
红薯粉怎么做好吃
韭菜炒鸡蛋怎么做好吃
tplink怎么设置
佛山科学技术学院怎么样