指南生活
首页
美食营养
手工爱好
生活家居
返回
指南生活
首页
美食营养
游戏数码
手工爱好
生活家居
健康养生
运动户外
职场理财
情感交际
母婴教育
时尚美容
搜索
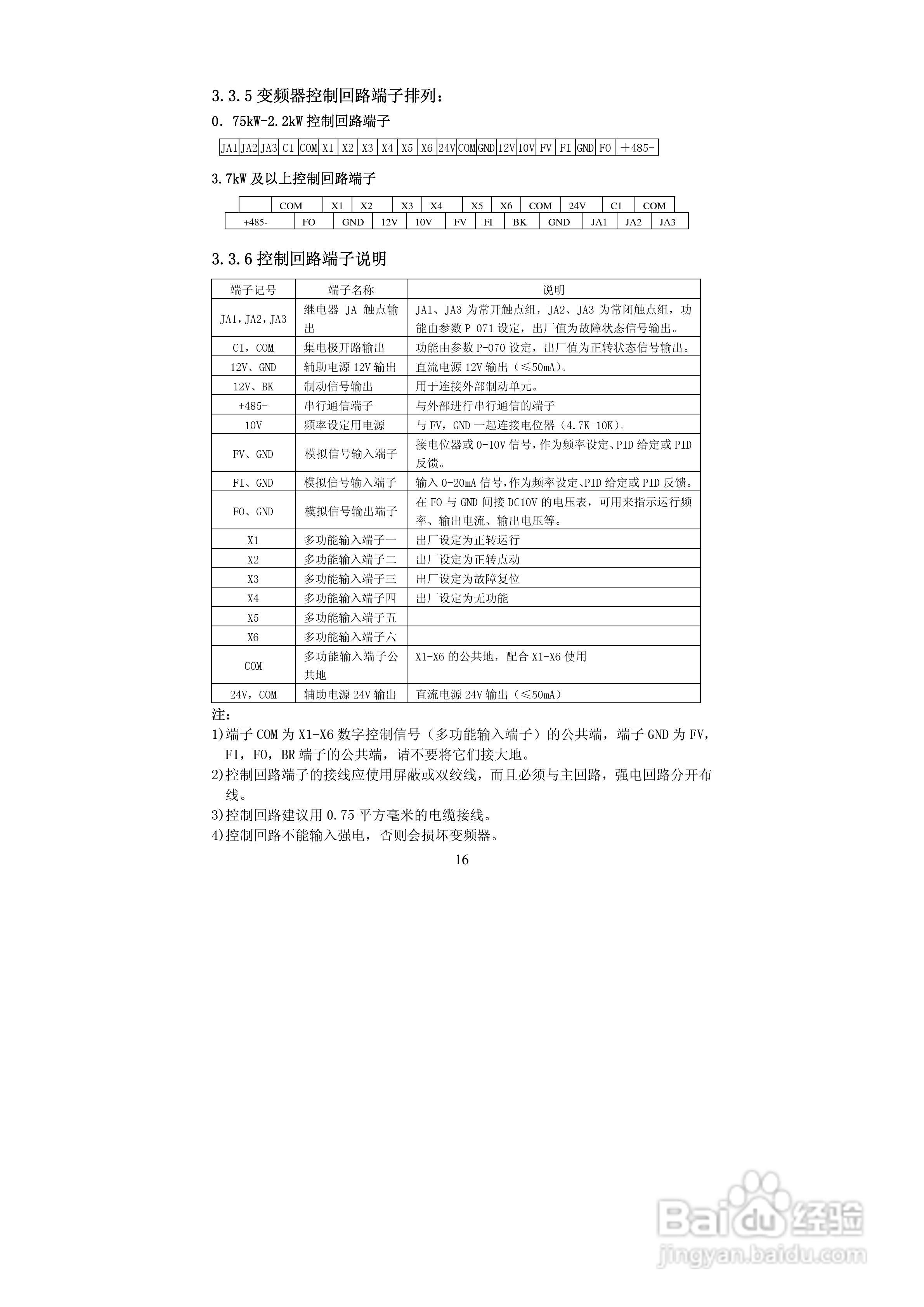
德弗DV600-43150矢量型变频器说明书:[2]
2025-10-24 10:15:21
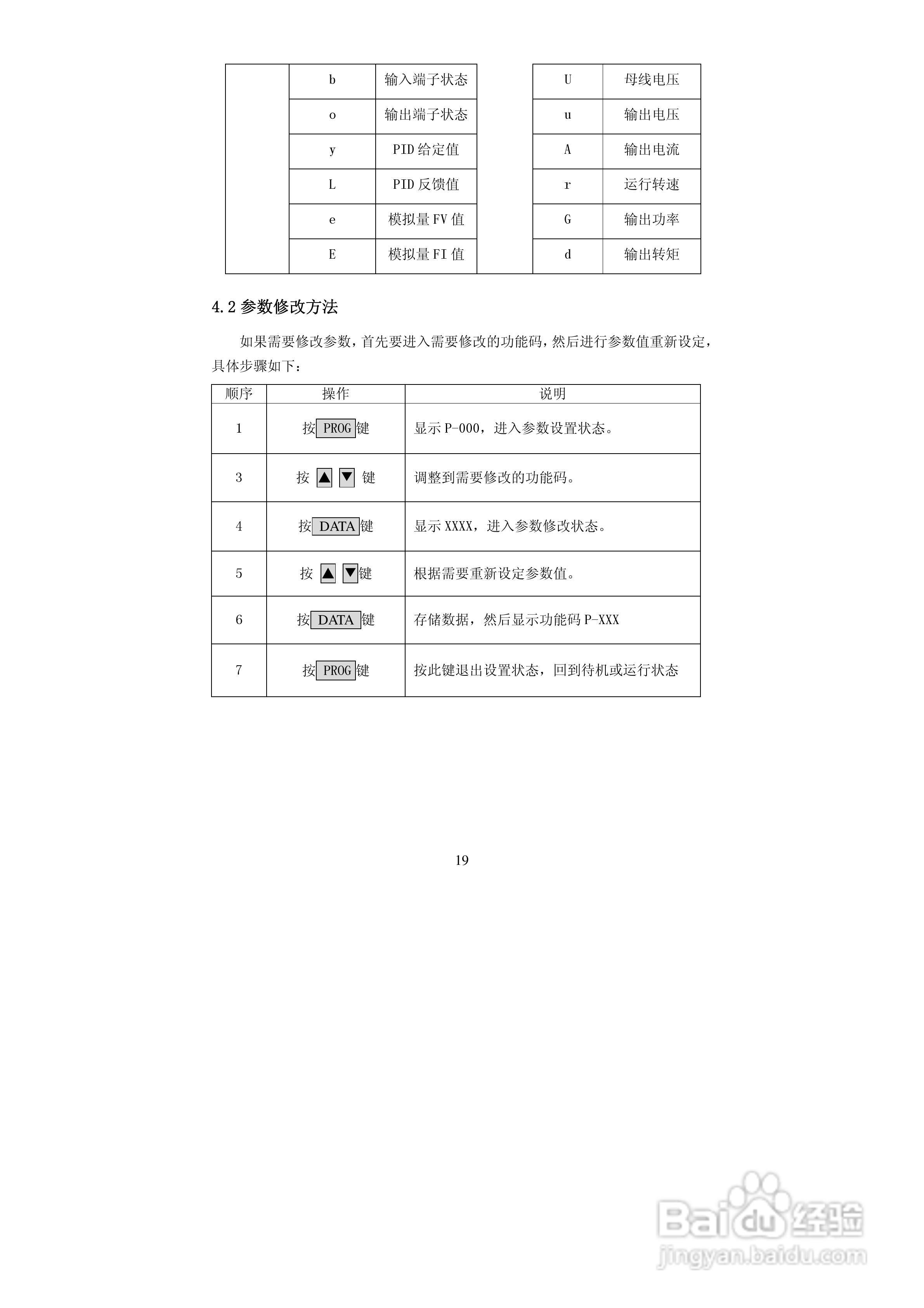
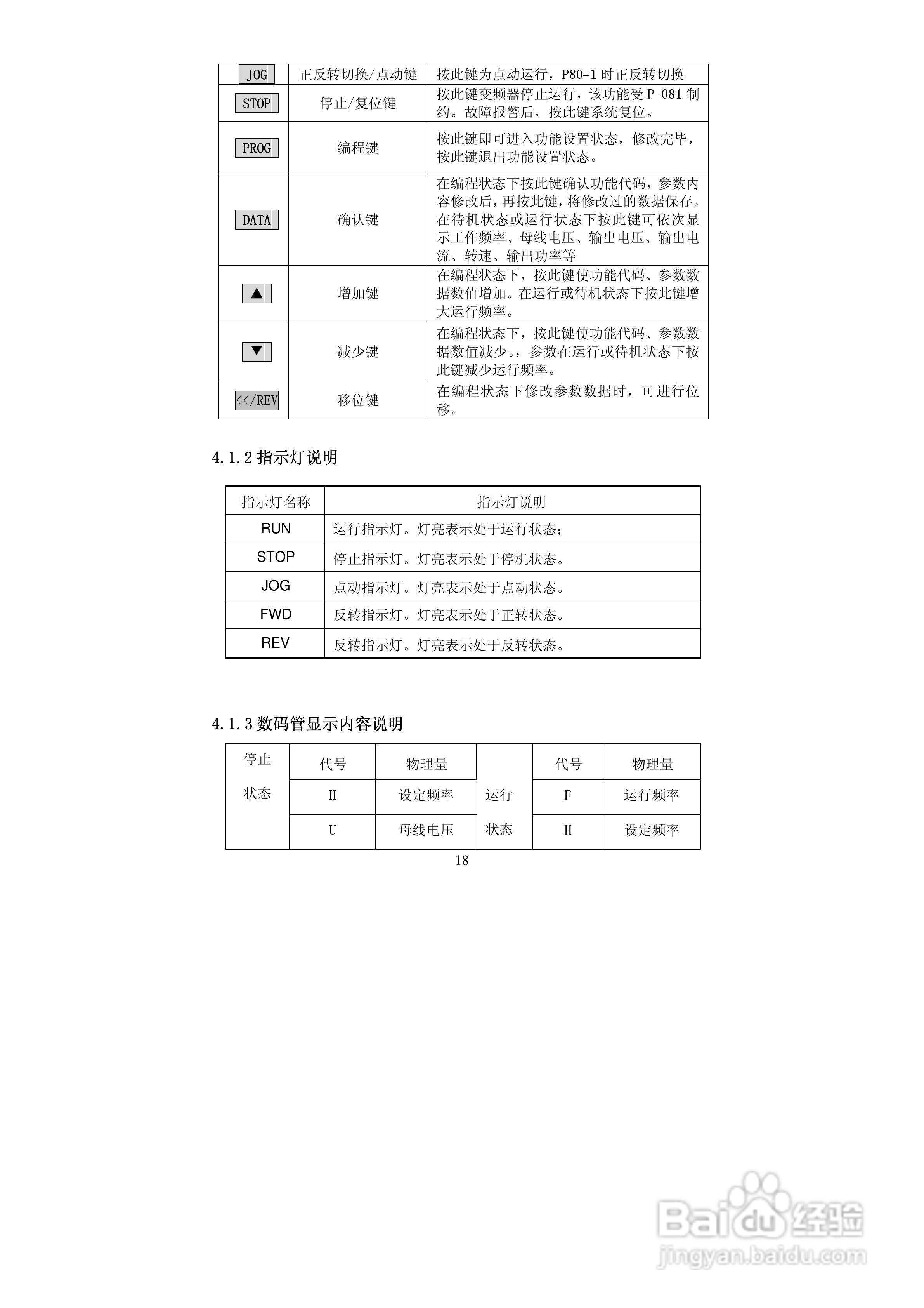
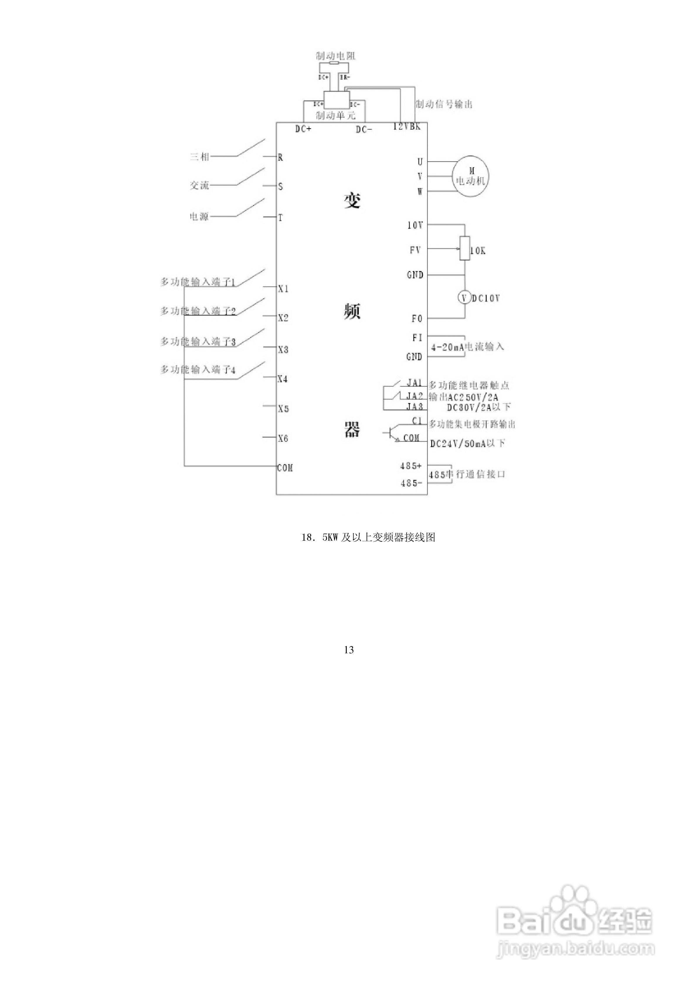
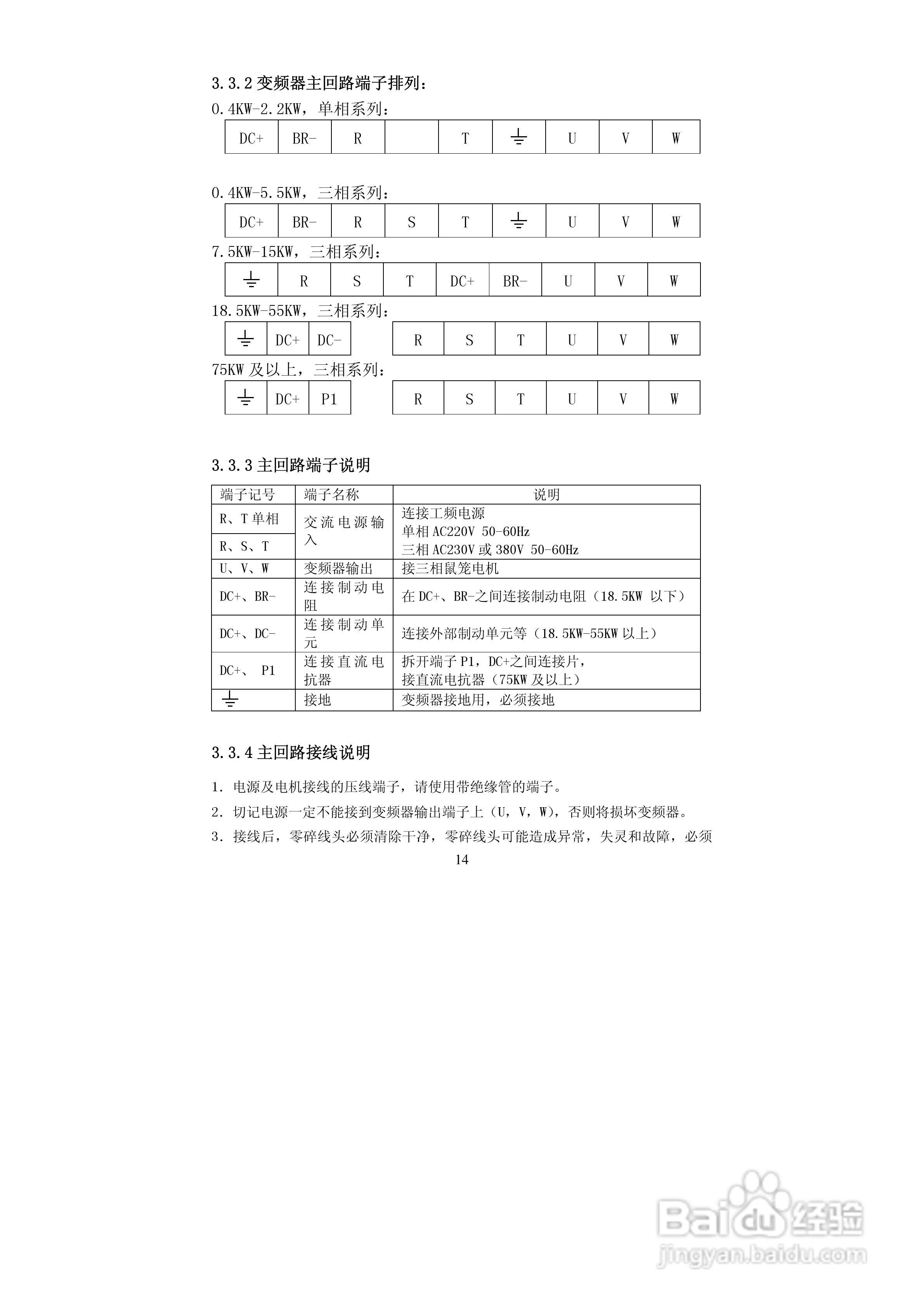
本篇为《德弗DV600-43150矢量型变频器说明书》,主要介绍该产品的使用方法以及常见故障解决方案。
(共篇)
上一篇:
|
下一篇:
声明:
本网站引用、摘录或转载内容仅供网站访问者交流或参考,不代表本站立场,如存在版权或非法内容,请联系站长删除,联系邮箱:site.kefu@qq.com。
相关推荐
TPK AS-700智能无铅极速回温烙铁使用说明书:[1]
阅读量:96
怎么样才能成为一个合格的注塑机代理商
阅读量:141
方舟指令白上吹雪
阅读量:142
Banner SME312FVWQD型传感器说明书:[1]
阅读量:73
5L/10L/20L油漆桶模具模内贴膜经验
阅读量:160
猜你喜欢
凤毛麟角是什么意思
1968年属什么
px是什么尺寸
详细的近义词是什么
一年四季都盛开的花是什么花
腐女什么意思
remember什么意思
什么是逻辑思维
预售是什么意思
如人饮水冷暖自知什么意思
猜你喜欢
ecp是什么意思
最大公约数是什么
7月12日是什么节日
仙人跳是什么
东京热是什么意思
英雄联盟是什么游戏
面首是什么
蚂蚁金服是干什么的
枸杞泡水喝有什么好处
joy是什么意思