指南生活
首页
美食营养
手工爱好
生活家居
返回
指南生活
首页
美食营养
游戏数码
手工爱好
生活家居
健康养生
运动户外
职场理财
情感交际
母婴教育
时尚美容
知识问答
生活知识
搜索
德弗DV600-43150矢量型变频器说明书:[6]
2026-01-16 23:35:30
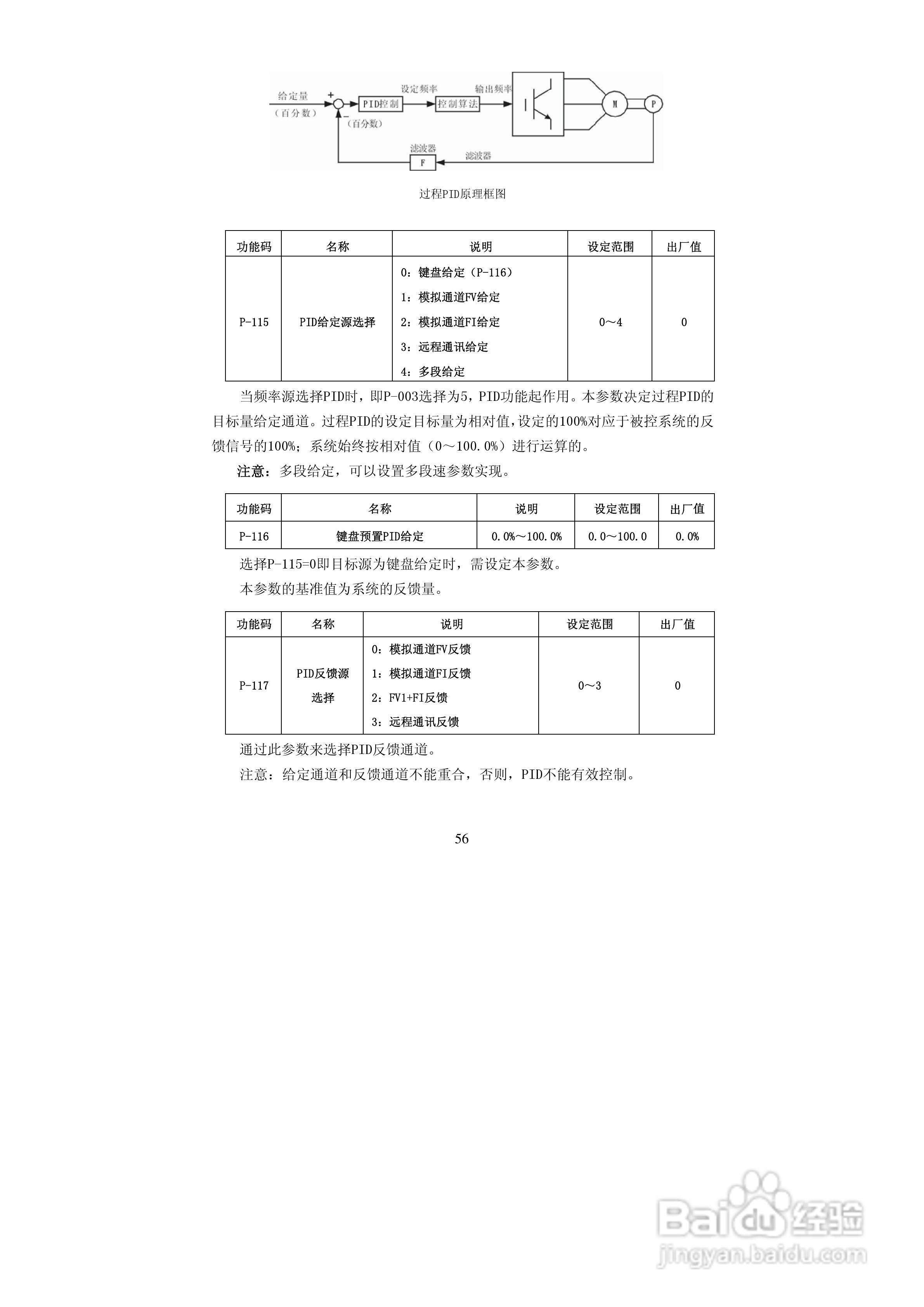
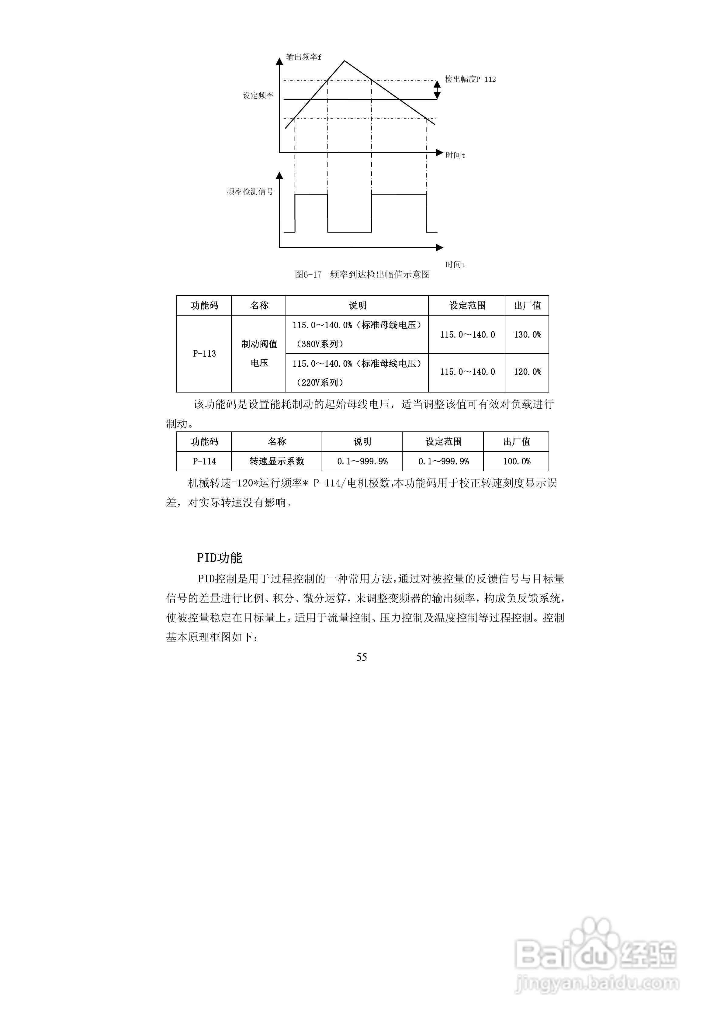
本篇为《德弗DV600-43150矢量型变频器说明书》,主要介绍该产品的使用方法以及常见故障解决方案。
(共篇)
上一篇:
声明:
本网站引用、摘录或转载内容仅供网站访问者交流或参考,不代表本站立场,如存在版权或非法内容,请联系站长删除,联系邮箱:site.kefu@qq.com。
相关推荐
德弗DV600-43150矢量型变频器说明书:[5]
阅读量:124
变频器调试接线教程
阅读量:142
德弗DV600-43150矢量型变频器说明书:[3]
阅读量:179
德弗DV600-43150矢量型变频器说明书:[4]
阅读量:168
德弗DV600-43150矢量型变频器说明书:[2]
阅读量:106
猜你喜欢
hd是什么意思
什么牌子的咖啡好喝
外围是什么意思
什么是物理学
李咏什么癌
什么是罗宋汤
初生牛犊不怕虎的意思
什么样的网名好听
拔了智齿要注意什么
置之不理的意思
猜你喜欢
中药川芎的功效与作用
asd是什么意思
办理签证需要什么材料
什么信用卡比较好
什么是vi设计
头寸是什么意思
老态龙钟的意思
马猴烧酒什么意思
处男是什么意思
见微知著是什么意思