指南生活
首页
美食营养
手工爱好
生活家居
返回
指南生活
首页
美食营养
游戏数码
手工爱好
生活家居
健康养生
运动户外
职场理财
情感交际
母婴教育
时尚美容
知识问答
生活知识
生活百科
搜索
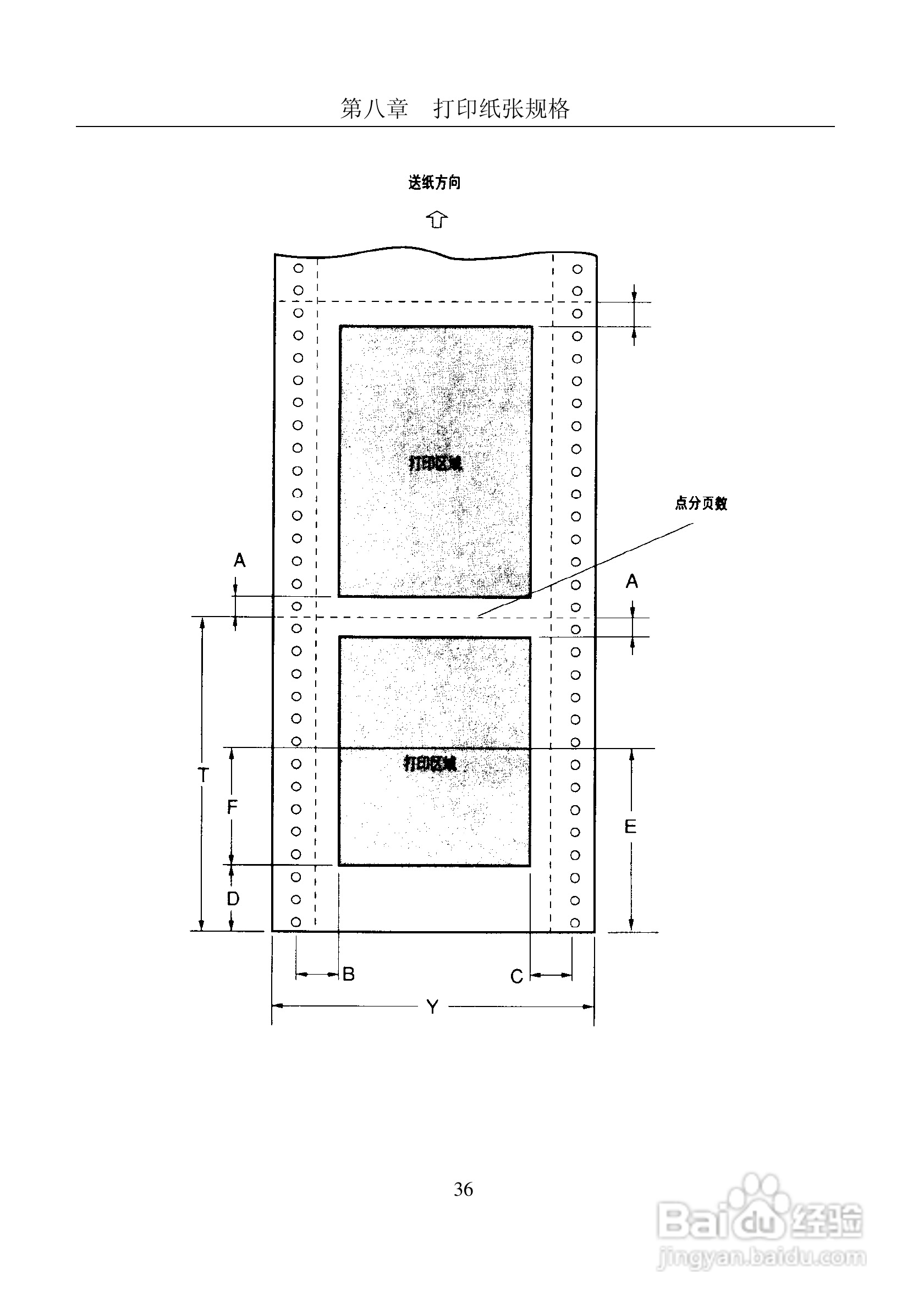
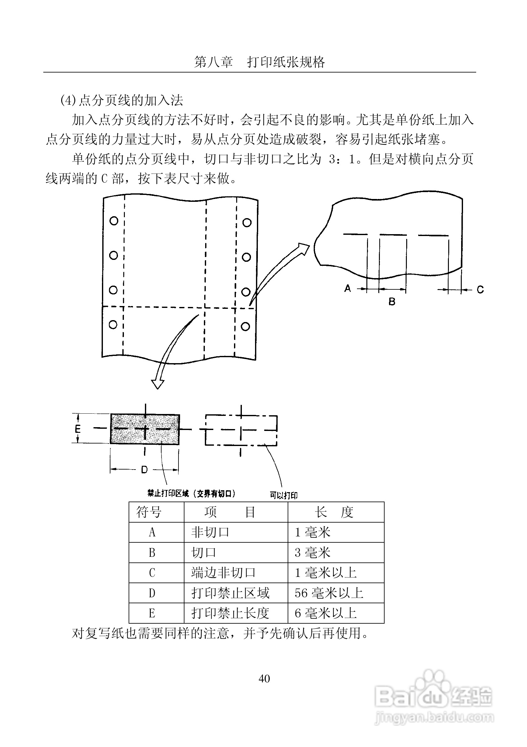
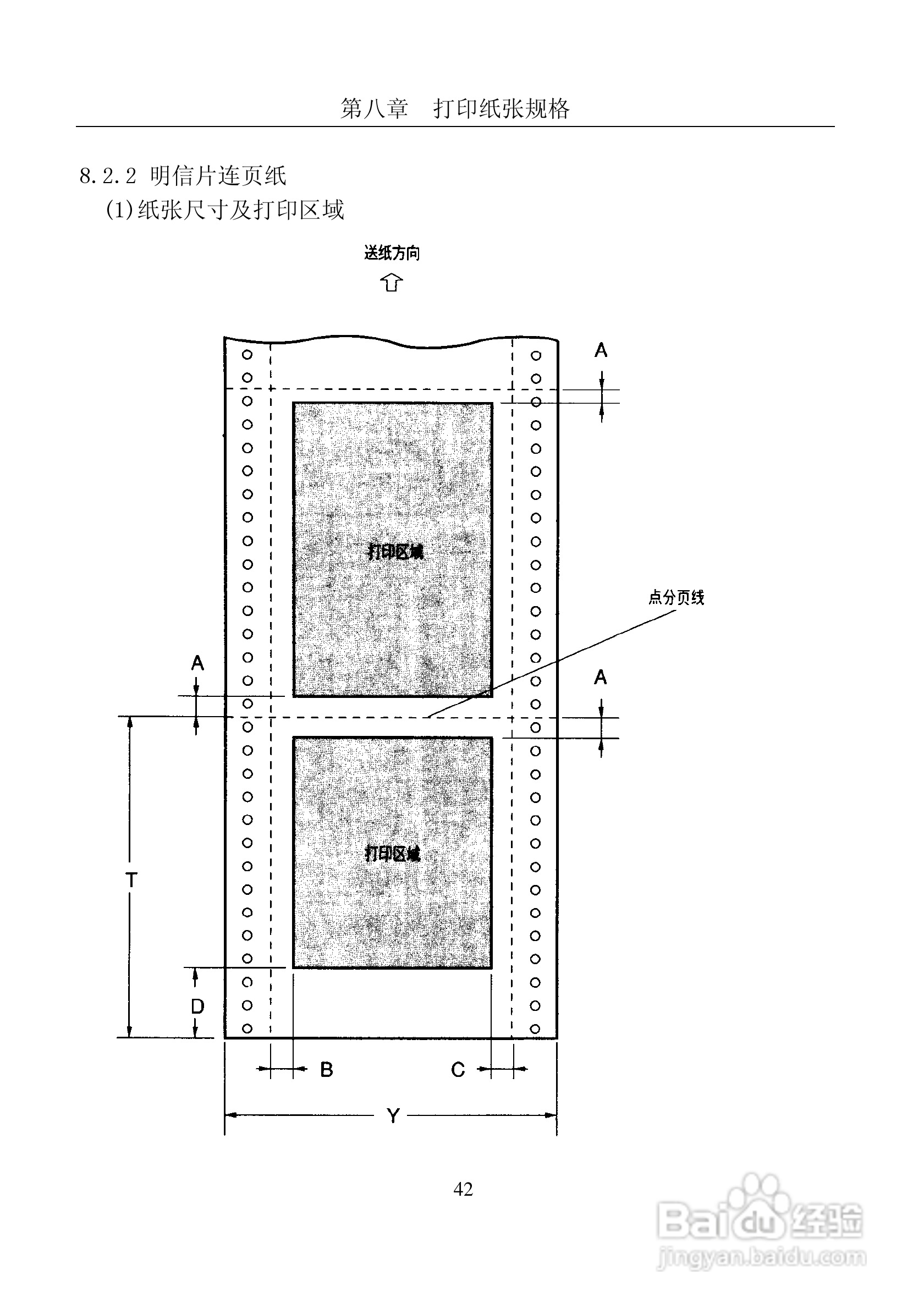
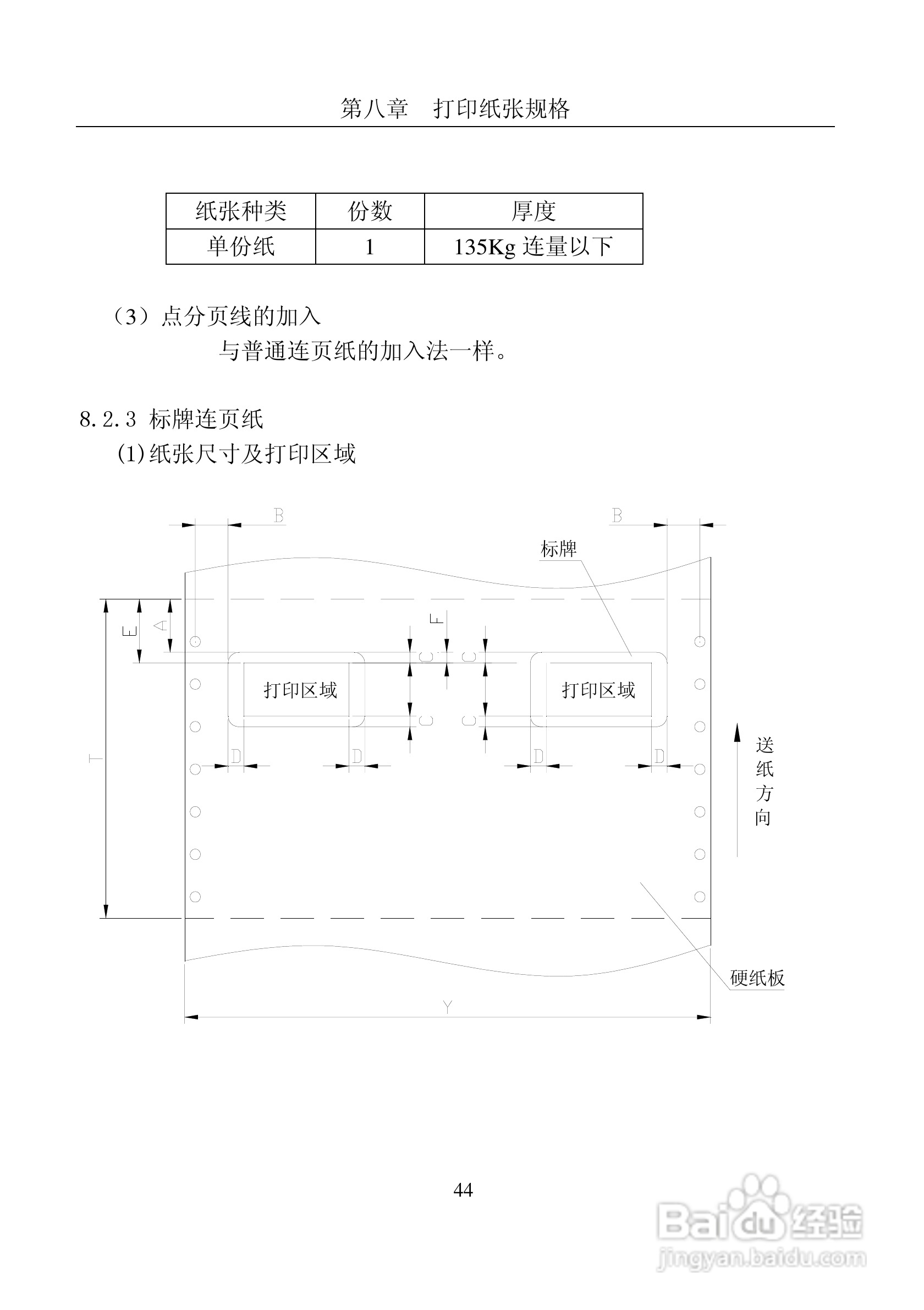
富士通DPK8400E+平推式打印机使用说明书:[5]
2026-04-25 00:12:32
本篇为《富士通DPK8400E+平推式打印机使用说明书》,主要介绍该产品的使用方法以及常见故障解决方案。
(共篇)
上一篇:
|
下一篇:
声明:
本网站引用、摘录或转载内容仅供网站访问者交流或参考,不代表本站立场,如存在版权或非法内容,请联系站长删除,联系邮箱:site.kefu@qq.com。
相关推荐
富士通DPK8400E+平推式打印机使用说明书:[1]
阅读量:162
富士通DPK8400E+平推式打印机使用说明书:[10]
阅读量:112
给富士通dpk750打印机原装色带盒换色带技巧
阅读量:123
打印机驱动程序如何安装
阅读量:181
打印机连不上电脑怎么办
阅读量:46
猜你喜欢
什么是狂躁症
资源不足是什么意思
2014是什么年
小便短赤是什么意思
女生生日送什么礼物
味精的主要成分是什么
徘徊的意思是什么
残疾证有什么补贴
炼铜什么意思
琴瑟之好是什么意思
猜你喜欢
校园运动会作文
运动会开幕式入场词
深圳什么地方好玩
运动汇
什么水果含维生素c
双轨制是什么意思
叹为观止的意思是什么
什么然不动
待摊费用是什么意思
心旷神怡的意思是什么