指南生活
首页
美食营养
手工爱好
生活家居
返回
指南生活
首页
美食营养
游戏数码
手工爱好
生活家居
健康养生
运动户外
职场理财
情感交际
母婴教育
时尚美容
知识问答
生活知识
搜索
JB-TB-SH2010可燃气体报警控制器使用说明书:[3]
2025-12-26 09:54:06
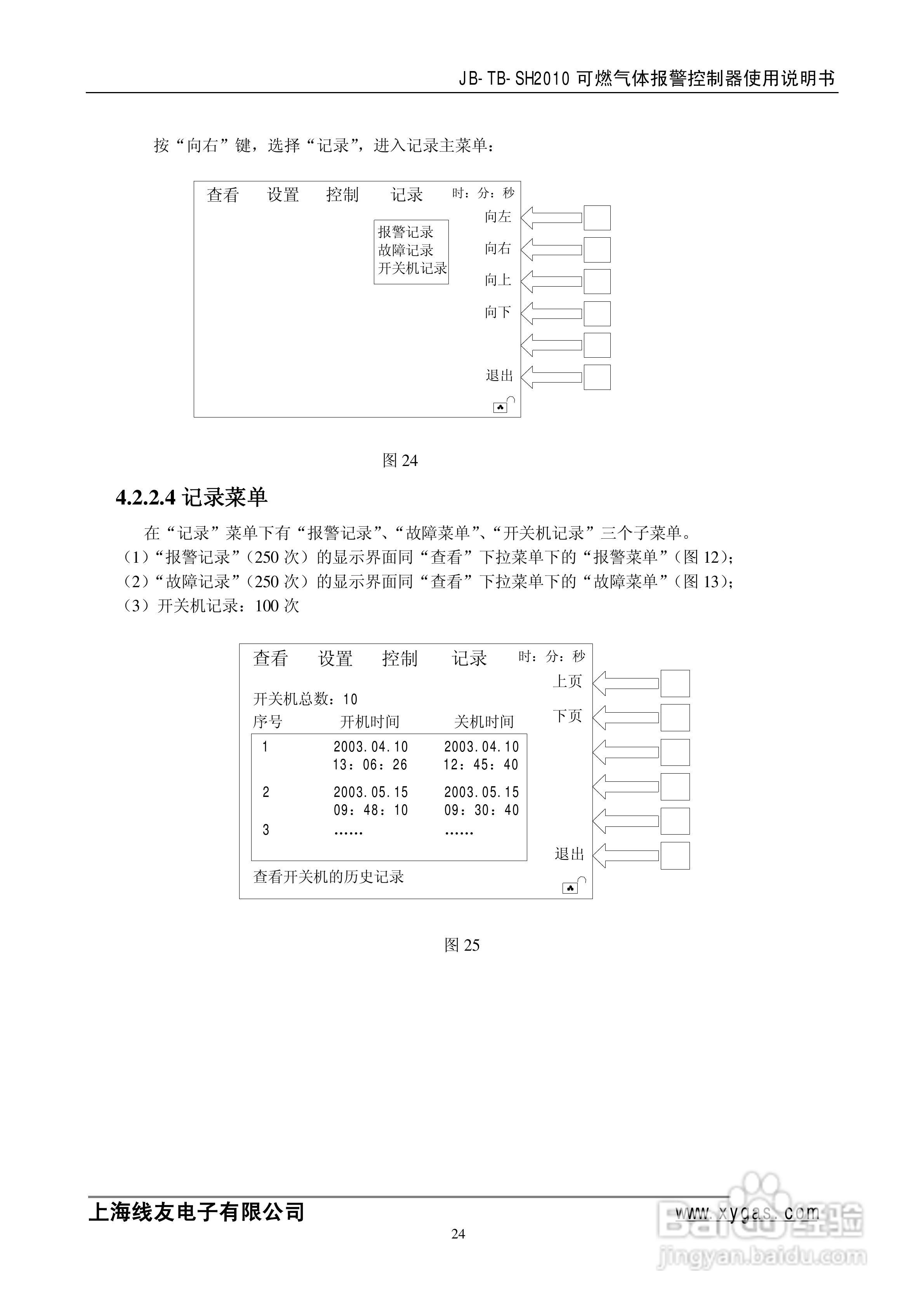
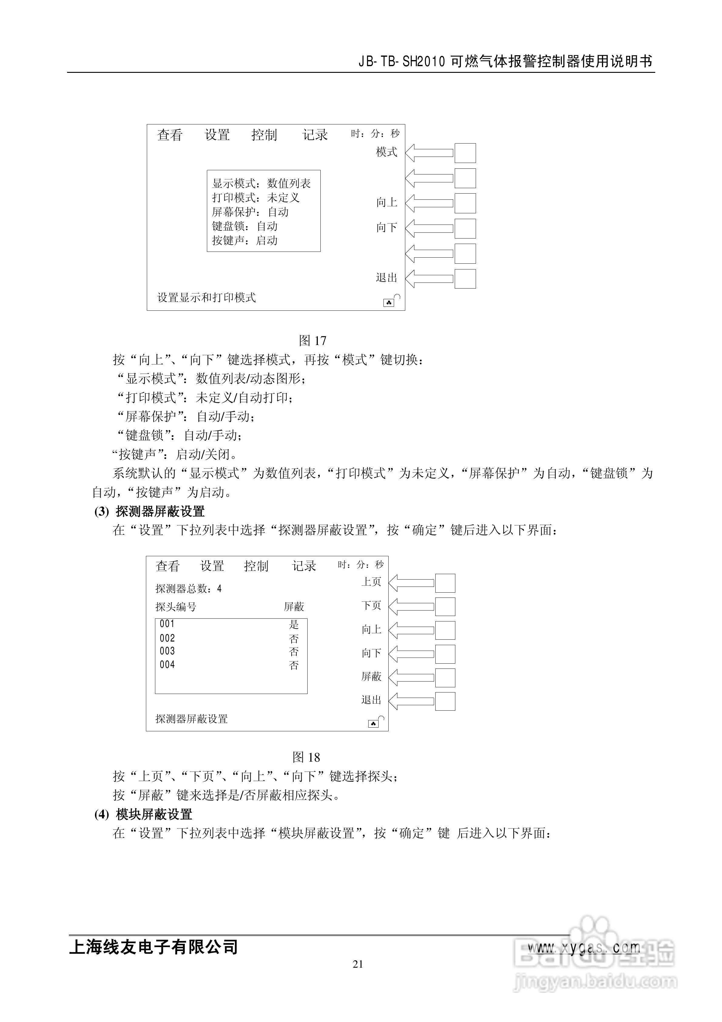
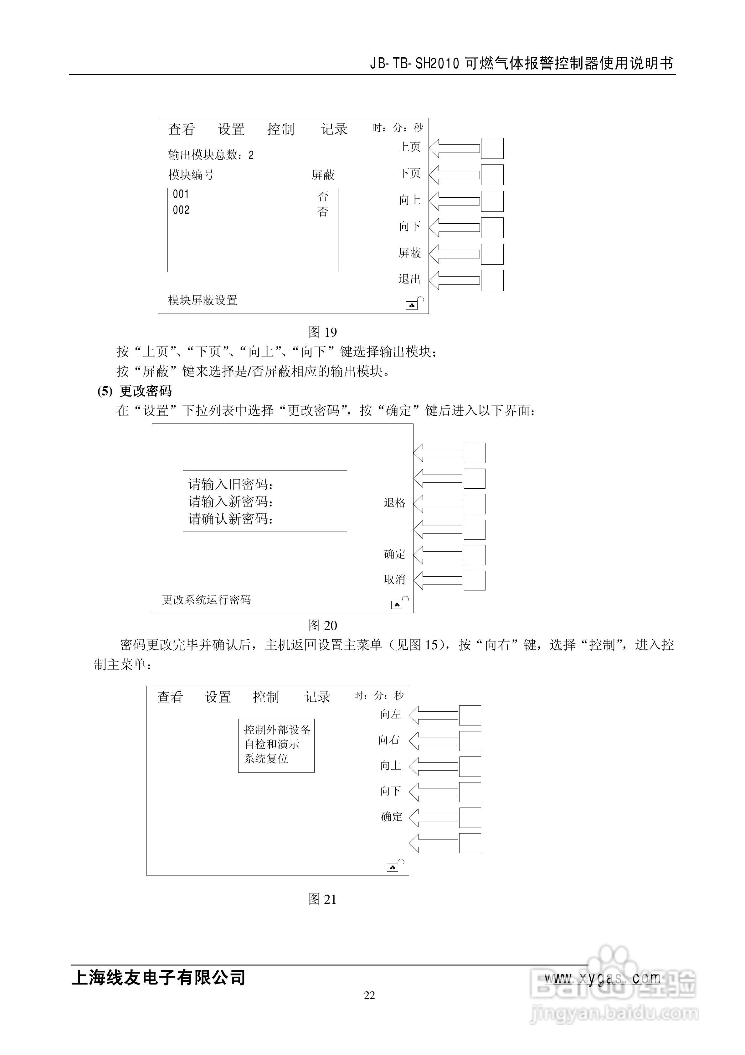
本篇为《JB-TB-SH2010可燃气体报警控制器使用说明书》,主要介绍该产品的使用方法以及常见故障解决方案。
(共篇)
上一篇:
声明:
本网站引用、摘录或转载内容仅供网站访问者交流或参考,不代表本站立场,如存在版权或非法内容,请联系站长删除,联系邮箱:site.kefu@qq.com。
相关推荐
JB-TB-SH2010可燃气体报警控制器使用说明书:[1]
阅读量:151
座地式风机配套JB弹簧减震器
阅读量:117
怎么安装弹簧减震器-JB型弹簧减震器安装方法
阅读量:193
JB-QG//QT-GST5000火灾报警控制器(联动型)安装使用:[6]
阅读量:85
JB-QG//QT-GST5000火灾报警控制器(联动型)安装使用:[5]
阅读量:24
猜你喜欢
开宾馆需要什么手续
束缚是什么意思
种什么中药材最挣钱
麝香的作用
十五万左右买什么车好
大满贯是什么意思
sq是什么意思
桑椹子的功效与作用
什么是补码
姜糖膏的功效与作用
猜你喜欢
拾人牙慧什么意思
豁免是什么意思
k12教育是什么意思
mfg是什么意思
dat文件用什么打开
苹果醋有什么好处
圣诞节送什么
婴儿床什么牌子好
ipv6是什么意思啊
封闭针的作用