指南生活
首页
美食营养
手工爱好
生活家居
返回
指南生活
首页
美食营养
游戏数码
手工爱好
生活家居
健康养生
运动户外
职场理财
情感交际
母婴教育
时尚美容
知识问答
生活知识
搜索
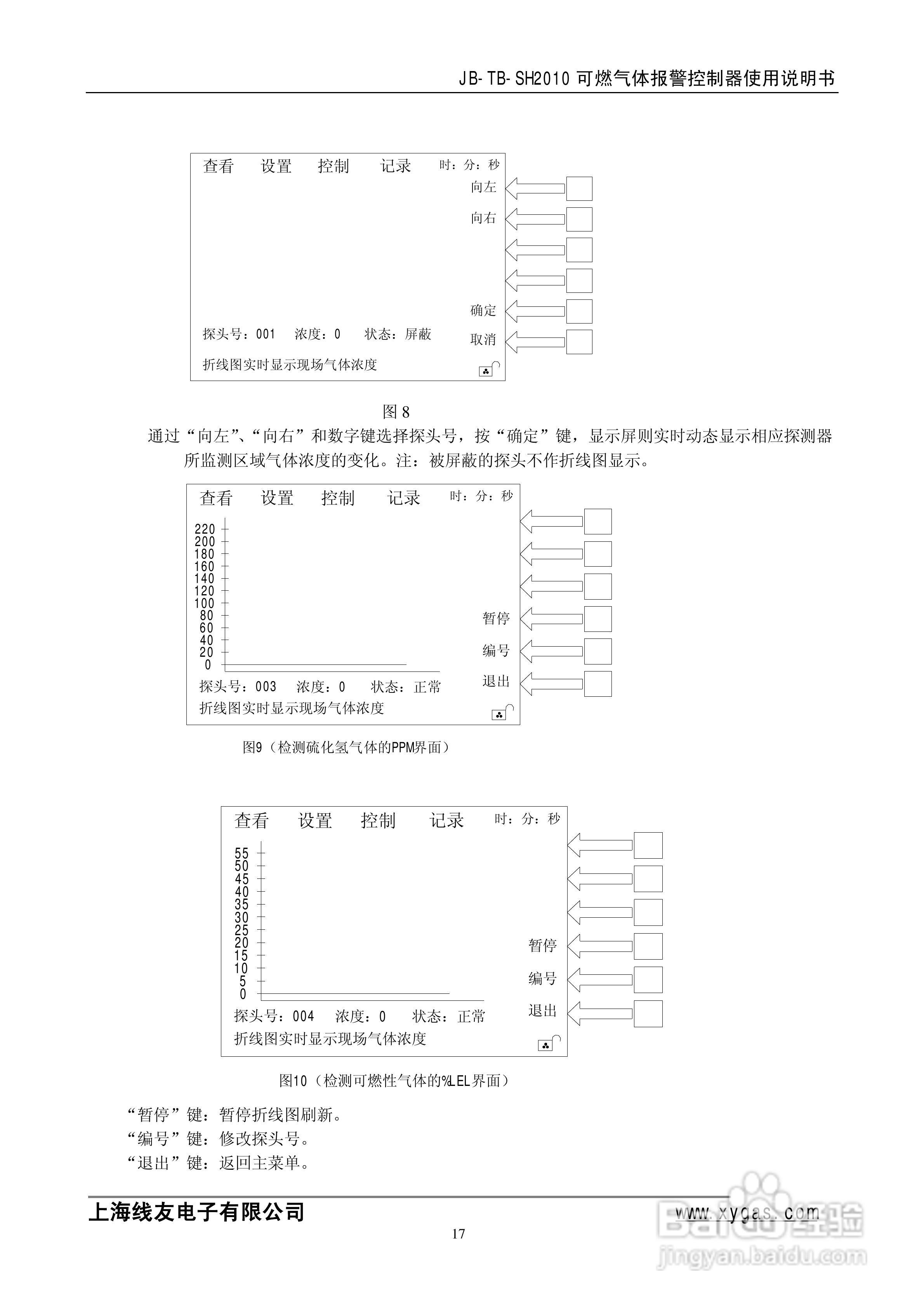
JB-TB-SH2010可燃气体报警控制器使用说明书:[2]
2025-12-26 19:44:33
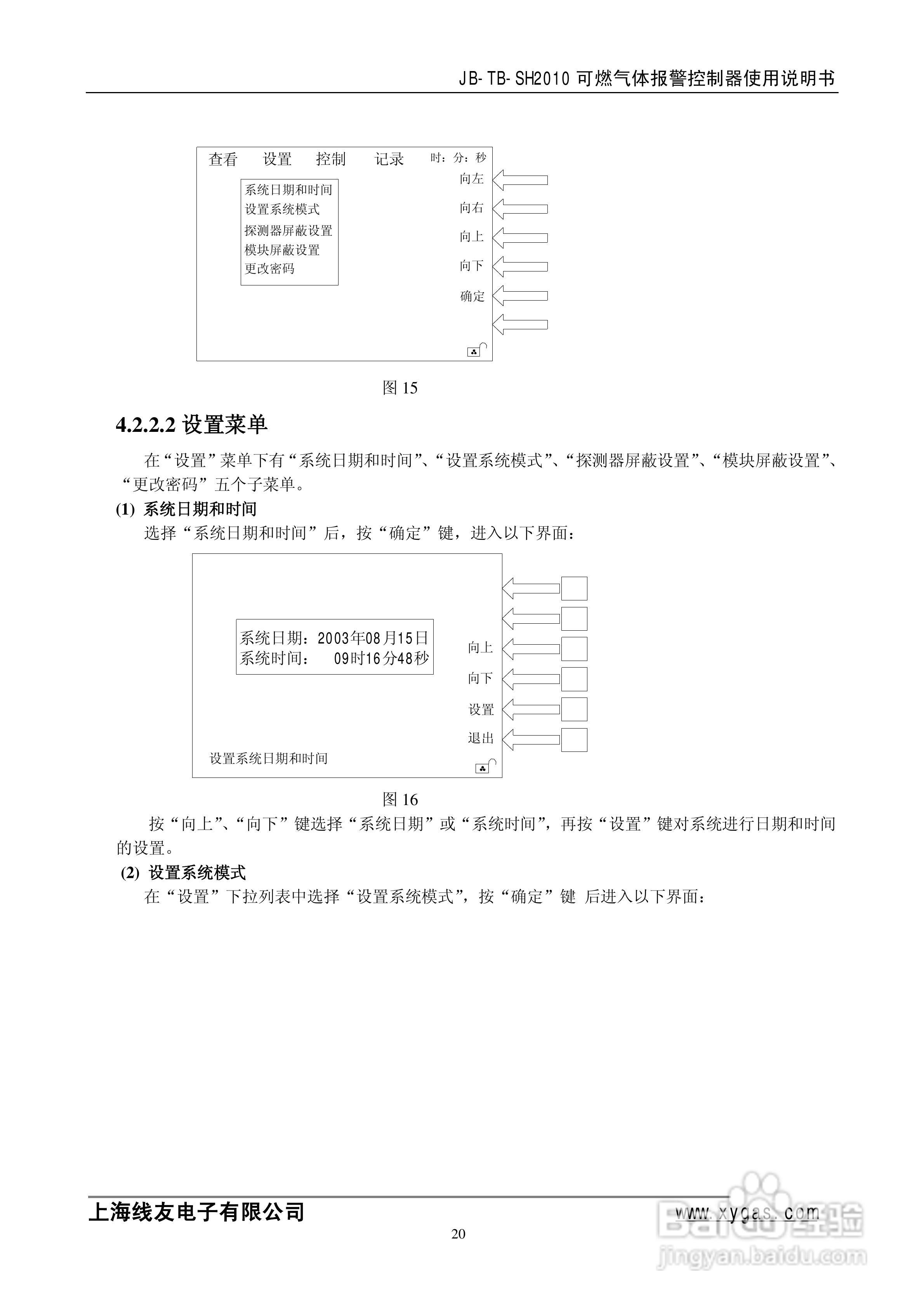
本篇为《JB-TB-SH2010可燃气体报警控制器使用说明书》,主要介绍该产品的使用方法以及常见故障解决方案。
(共篇)
上一篇:
|
下一篇:
声明:
本网站引用、摘录或转载内容仅供网站访问者交流或参考,不代表本站立场,如存在版权或非法内容,请联系站长删除,联系邮箱:site.kefu@qq.com。
相关推荐
JB-TB-SH2010可燃气体报警控制器使用说明书:[1]
阅读量:80
怎么安装弹簧减震器-JB型弹簧减震器安装方法
阅读量:179
使用说明书封面怎么做
阅读量:26
座地式风机配套JB弹簧减震器
阅读量:23
JB-QG//QT-GST5000火灾报警控制器(联动型)安装使用:[6]
阅读量:42
猜你喜欢
框剪结构是什么意思
焚膏继晷的意思
开什么店比较有前景
餐厅挂什么画风水好
有点儿意思
三无少女什么意思
appear是什么意思
公务员考试成绩什么时候出来
有什么网页游戏好玩
电影点映是什么意思
猜你喜欢
泼剌的意思
怀孕6个月应注意什么
抹胸是什么意思
policeman是什么意思
刹车辅助有什么用
性情的意思
5到7万买什么车好
制作名片用什么软件
中秋祝福图片
开工大吉祝福语