指南生活
首页
美食营养
手工爱好
生活家居
返回
指南生活
首页
美食营养
游戏数码
手工爱好
生活家居
健康养生
运动户外
职场理财
情感交际
母婴教育
时尚美容
知识问答
生活知识
搜索
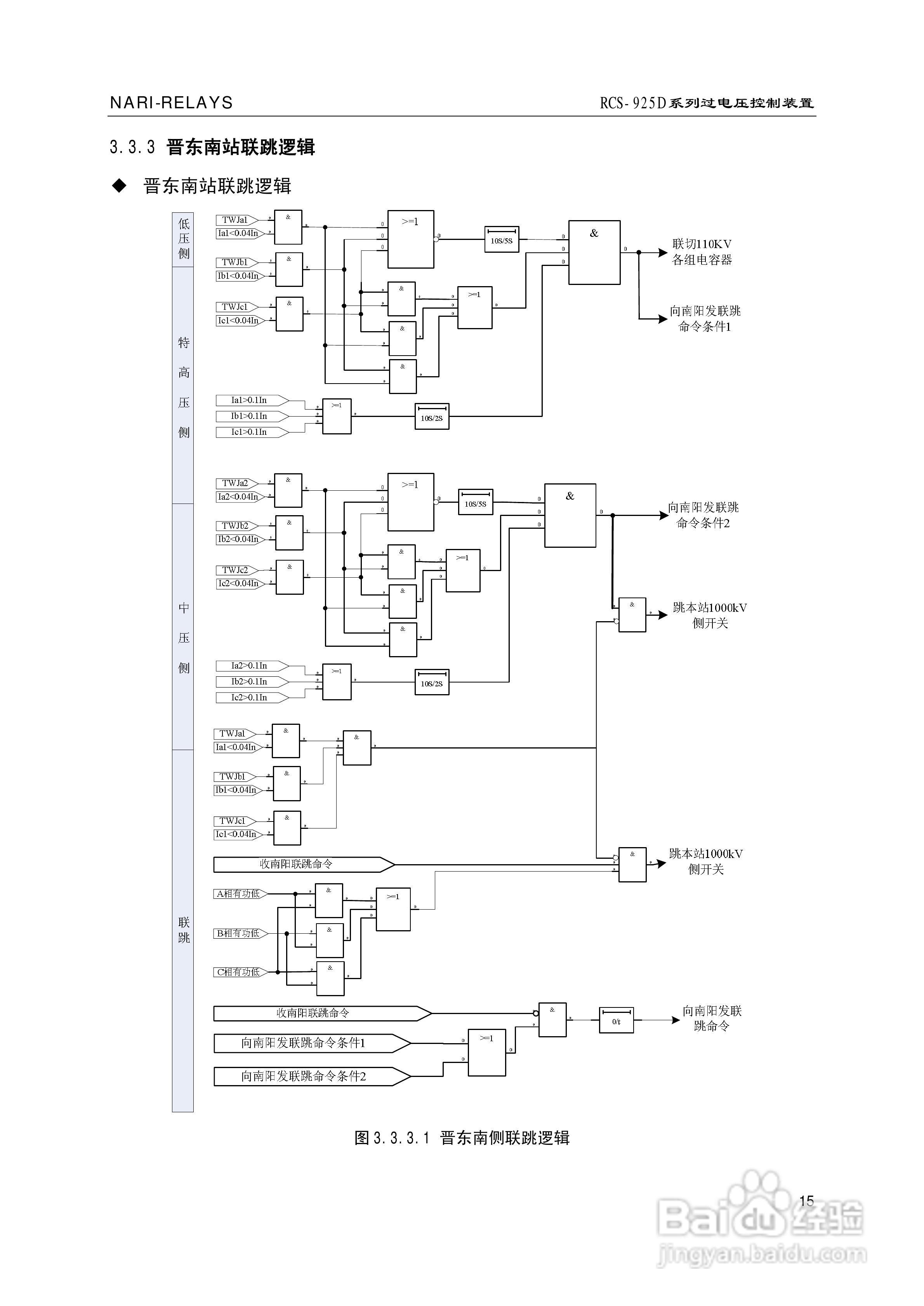
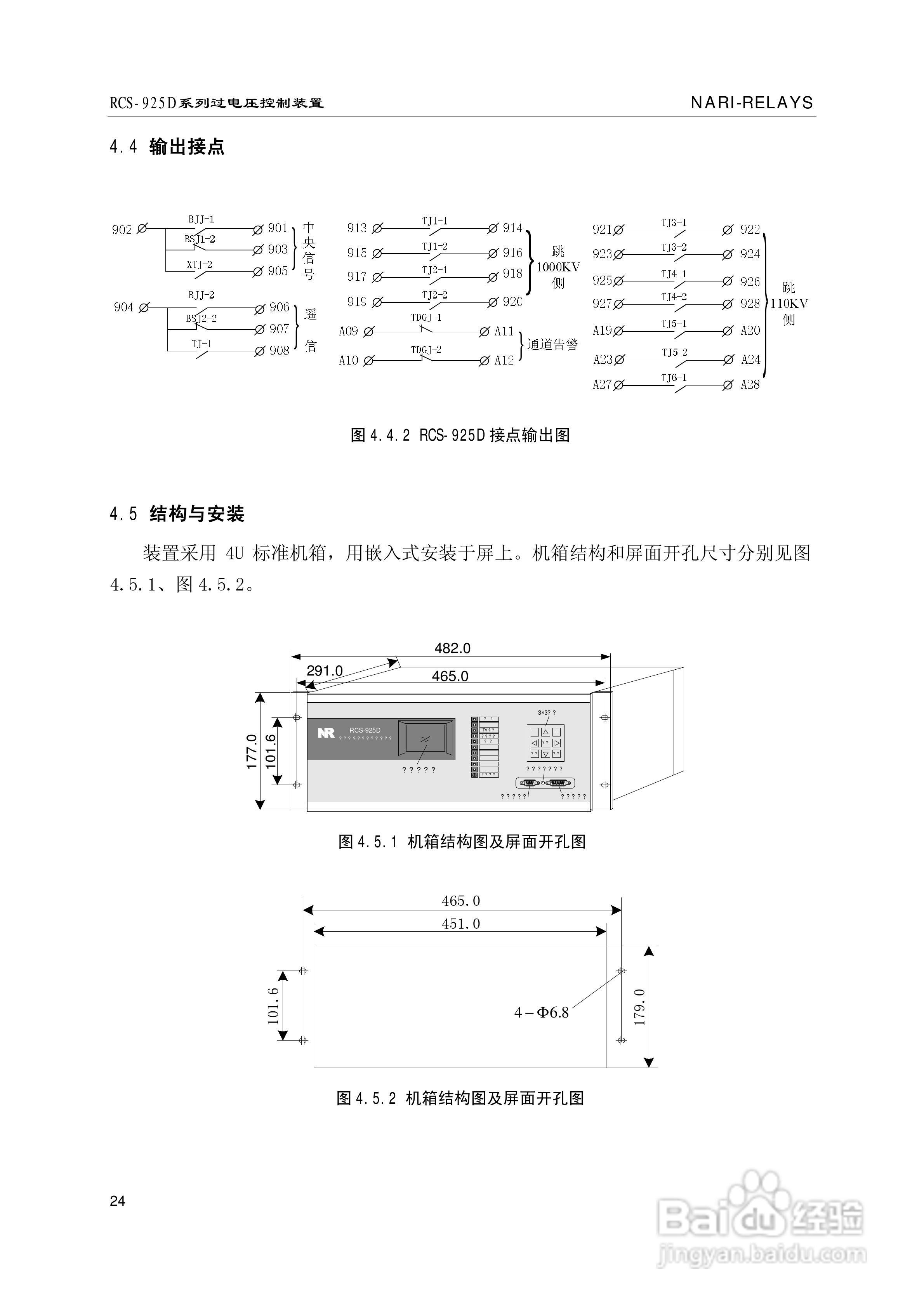
南瑞继保RCS-925D系列特高压过电压控制装置使用说明书:[3]
2026-01-02 09:19:51
本篇为《南瑞继保RCS-925D系列特高压过电压控制装置使用说明书》,主要介绍该产品的使用方法以及常见故障解决方案。
(共篇)
上一篇:
|
下一篇:
声明:
本网站引用、摘录或转载内容仅供网站访问者交流或参考,不代表本站立场,如存在版权或非法内容,请联系站长删除,联系邮箱:site.kefu@qq.com。
相关推荐
南瑞继保RCS-925D系列特高压过电压控制装置使用说明书:[4]
阅读量:130
南瑞继保RCS-994D型频率电压紧急控制装置使用说明书:[3]
阅读量:67
南瑞继保RCS-994C频率电压紧急控制装置使用说明书:[3]
阅读量:56
南瑞继保RCS-994D型频率电压紧急控制装置使用说明书:[1]
阅读量:127
南瑞继保RCS-994D型频率电压紧急控制装置使用说明书:[2]
阅读量:166
猜你喜欢
休将白发唱黄鸡的意思
有什么好玩的腾讯游戏
前打竿什么牌子好
尽力局是什么意思
年化收益率是什么意思
慎重的意思
过河拆桥的意思
五十度灰结局什么意思
电脑灰尘多有什么影响
翌日是什么意思
猜你喜欢
概念车什么意思
词不达意的意思
爬行垫什么材质的好
瑾瑜是什么意思
膀大腰圆的意思
有眼不识泰山是什么意思
什么是化学螺栓
不负如来不负卿是什么意思
什么是isbn
什么是双创概念