指南生活
首页
美食营养
手工爱好
生活家居
返回
指南生活
首页
美食营养
游戏数码
手工爱好
生活家居
健康养生
运动户外
职场理财
情感交际
母婴教育
时尚美容
知识问答
生活知识
生活百科
搜索
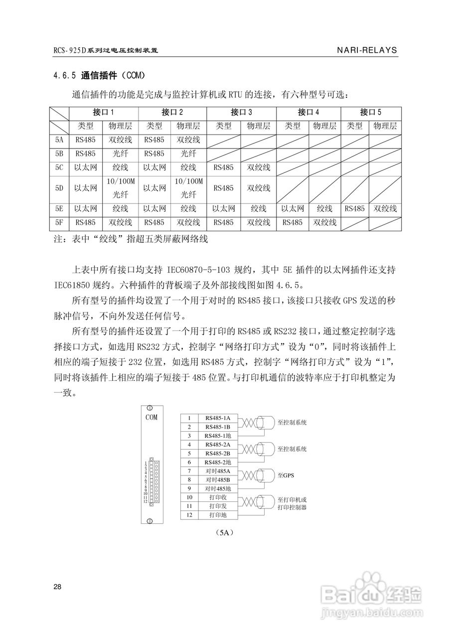
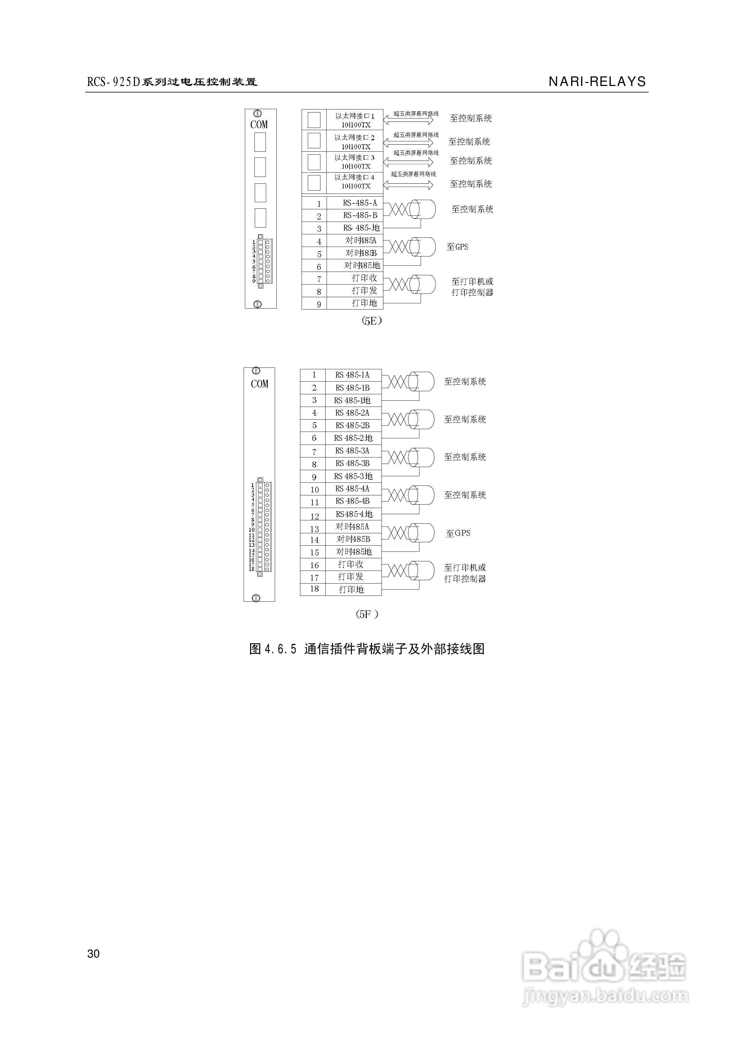
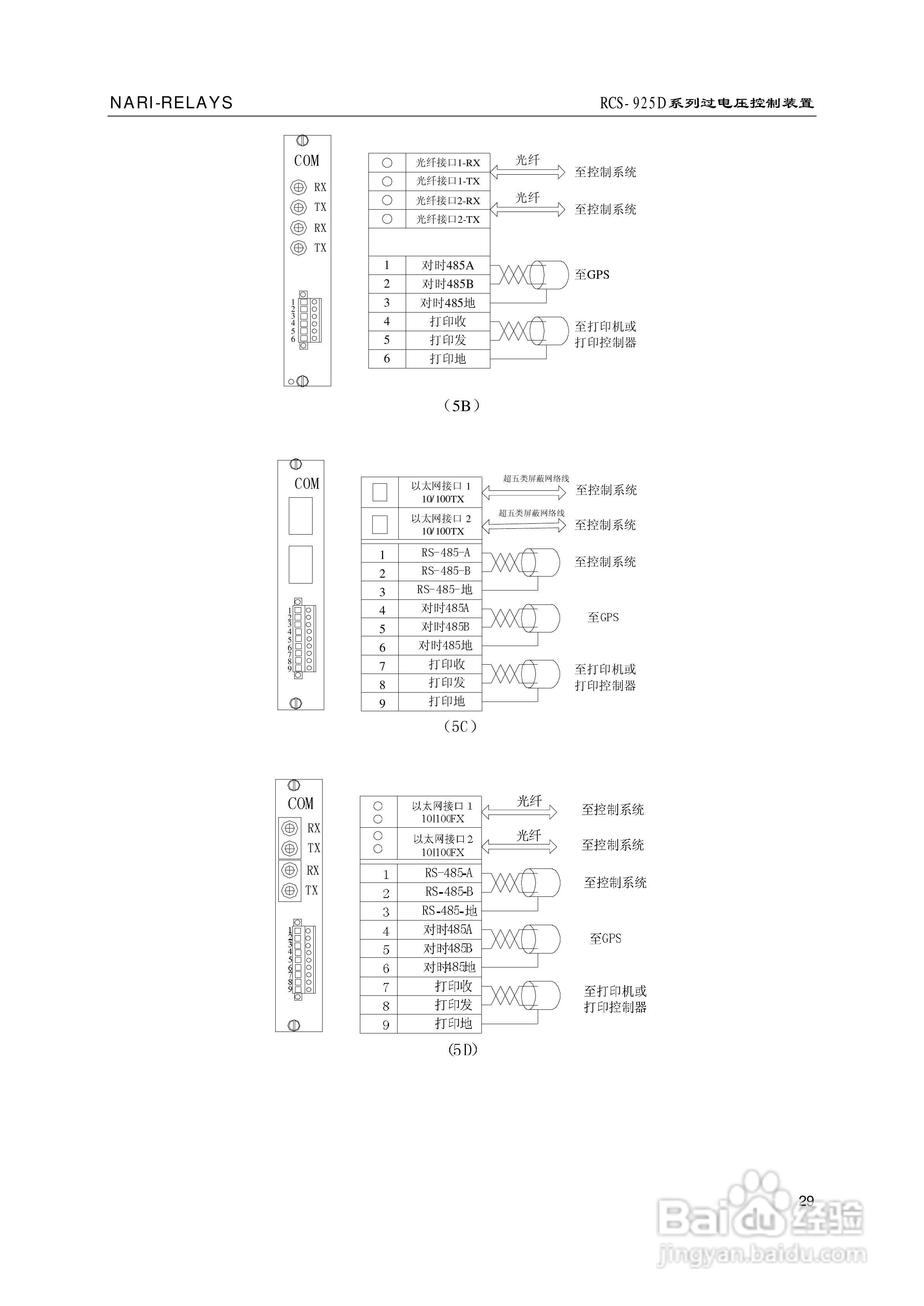
南瑞继保RCS-925D系列特高压过电压控制装置使用说明书:[4]
2026-04-24 08:36:49
本篇为《南瑞继保RCS-925D系列特高压过电压控制装置使用说明书》,主要介绍该产品的使用方法以及常见故障解决方案。
(共篇)
上一篇:
|
下一篇:
声明:
本网站引用、摘录或转载内容仅供网站访问者交流或参考,不代表本站立场,如存在版权或非法内容,请联系站长删除,联系邮箱:site.kefu@qq.com。
相关推荐
南瑞继保RCS-925D系列特高压过电压控制装置使用说明书:[5]
阅读量:84
南瑞继保RCS-994D型频率电压紧急控制装置使用说明书:[4]
阅读量:119
南瑞继保RCS-994D型频率电压紧急控制装置使用说明书:[3]
阅读量:41
南瑞继保RCS-994D型频率电压紧急控制装置使用说明书:[2]
阅读量:99
南瑞继保RCS-994C频率电压紧急控制装置使用说明书:[3]
阅读量:124
猜你喜欢
今天是什么日子
如何加入美团
yyds什么意思
副本不是正版如何恢复
武汉得意生活
页面字体大小怎么调
创维电视怎么样好不好
怎么别人
韦博怎么样
恶毒女配的悠然生活
猜你喜欢
我的假期生活
carry是什么意思
如何鉴别注胶翡翠
如何调理内分泌失调
儿童生活的古诗
vt是什么词性
如何哄女孩子开心
frp是什么材料
怎么刷黄钻永久免费
生活空间