SLQ-82系列升流器(大电流发生器)详解
SLQ-82系列升流器是各行各业在电气调试中需要大电流场所的必需设备,应用于发电厂、变配电站、电器制造厂及科研、试验室等单位,属于短时或断续工作制,SLQ-82系列升流器具有体积小、重量轻、性能稳定、带载能力强,使用维修方便等特点。
产品别称:大电流发生器、升流器、大电流试验电源
产品特点:
◆控制部分电路简单可靠,读数直观,操作方便。◆采用高磁材料设计、体积小、造型美观。
◆非零点保护:调压器电压不归零,主回路不能启动,无电流输出。
◆可选择冲击电流试验。
◆可做开关的温升试验,并记录温升K值。
◆有手动和自动2种控制
产品结构
本产品属于JT型可移动式结构,它由仪表指示灯板和操作板组成,仪表指示灯板分大、小量程的两块电流表和大小量程的选择开关(钮子开关),绿色指示灯指的是电源信号,红色指示灯指的是工作信号。操作面板由启动按钮(绿色)、停止按钮(红色)以及工作系统组成。
该产品采用一次接线柱输入方式,下端有升流器二次输出大电流接线端(有开门接线式和不开门接线式),其整个结构如图:

1.启动 2.电源信号灯 3.5 电流表 4.电流选择开关
技术参数及规格
在做大电流试验时,按本产品的电路图正确接好工作线路。根据输出电流的大小,选择好大、小量程开关的位置。先将调压器回到零,再按下起动测试到按钮(绿色),此时,手持调压器手柄顺时针方向慢慢旋转调压器的手轮并注视电流表,直到所需的电流值为止,试验到所定的值后立即将调压器手轮反时针方向回零,按下停止按钮,切断电源。
方法/步骤
该设备容量是按5分钟短时工作制设计,如用于断续工作时,通电时间应小于2.5分钟,工作周期应大于10分钟为宜,其规格及技术参数如下:

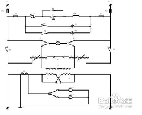
五、 工作原理

-FU1,2主回路熔断器 -FU3,4 控制回路烙断器 -SP -ST 按钮
-KM –交流接触器 -HG -HR指示灯 -T1 –调压器
-T2 –低压大电流发生器 -TA -电流互感器 -S2 电流控制开关
-S1 电压换挡开关 -PA1,-PA2电流表
注1:次级输出6V以上时,根据用户需要定购
该升流器是我公司生产的干式大电流发生器,配装自耦调压器输出电压(即发生器的输入电压),取得所需的不同大电流。
注2:1、本电路为380V电源供电电路,电源为220V时,T1接线应按原厂规定接线。
2、1000A以下无电压表及S1开关电路。
3、输出外接铜导线按6A/mm2选择,其长度应不大于3米。
注意事项
开箱验收时,应检查主回路接线端子是否松动,调压器电刷是否接触良好。
长期不用时,使用前应用500V兆欧表检查主回路对地绝缘电阻,其阻值应不小于0.5兆欧。
输入电压符合铭牌上所的电压值(-220V,-380V),其值差应在±10%,频率为50HZ。
电流档开关不准带负荷操作。
操作时,应均匀缓慢旋转手轮,以免损坏调压器。
满负荷时工作时间不得超过5分钟,继续工作时间应小于2.5分钟,但工作周期应大于10分钟。
升流器外壳有接地端子,使用时应良好接地。