指南生活
首页
美食营养
手工爱好
生活家居
返回
指南生活
首页
美食营养
游戏数码
手工爱好
生活家居
健康养生
运动户外
职场理财
情感交际
母婴教育
时尚美容
知识问答
生活知识
生活百科
搜索
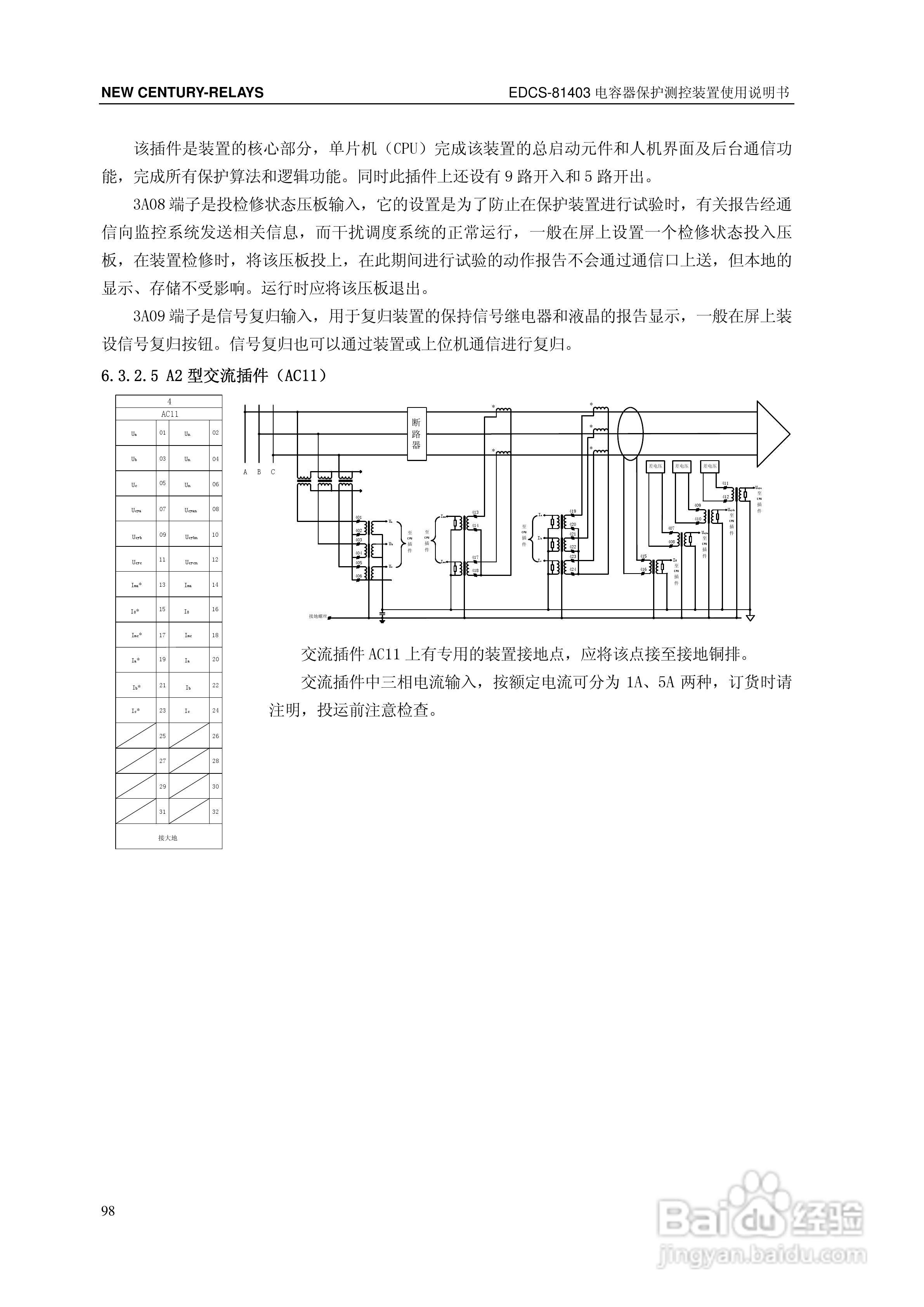
新世纪EDCS-81403电容器保护测控装置说明书:[11]
2026-05-23 18:01:58
本篇为《新世纪EDCS-81403电容器保护测控装置说明书》,主要介绍该产品的使用方法以及常见故障解决方案。
(共篇)
上一篇:
|
下一篇:
声明:
本网站引用、摘录或转载内容仅供网站访问者交流或参考,不代表本站立场,如存在版权或非法内容,请联系站长删除,联系邮箱:site.kefu@qq.com。
相关推荐
新世纪EDCS-81403电容器保护测控装置说明书:[13]
阅读量:75
平板电容器电容计算仿真
阅读量:41
新世纪EDCS-81403电容器保护测控装置说明书:[12]
阅读量:86
新世纪EDCS-81403电容器保护测控装置说明书:[9]
阅读量:86
新世纪EDCS-81403电容器保护测控装置说明书:[10]
阅读量:156
猜你喜欢
手机串号有什么用
雾化器用什么药
单笔订单什么意思
心腹比喻什么
三阴交穴位作用
云南白药胶囊的作用
学什么专业好找工作
一见如故的意思
备注blue什么意思
540分能上什么大学
猜你喜欢
瞻仰的意思
单纯是什么意思
共勉是什么意思
administrator是什么意思
胆战心惊的意思
les是什么意思
链霉素的作用
稽留流产是什么意思
诙谐是什么意思
什么是ci