指南生活
首页
美食营养
手工爱好
生活家居
返回
指南生活
首页
美食营养
游戏数码
手工爱好
生活家居
健康养生
运动户外
职场理财
情感交际
母婴教育
时尚美容
知识问答
生活知识
生活百科
搜索
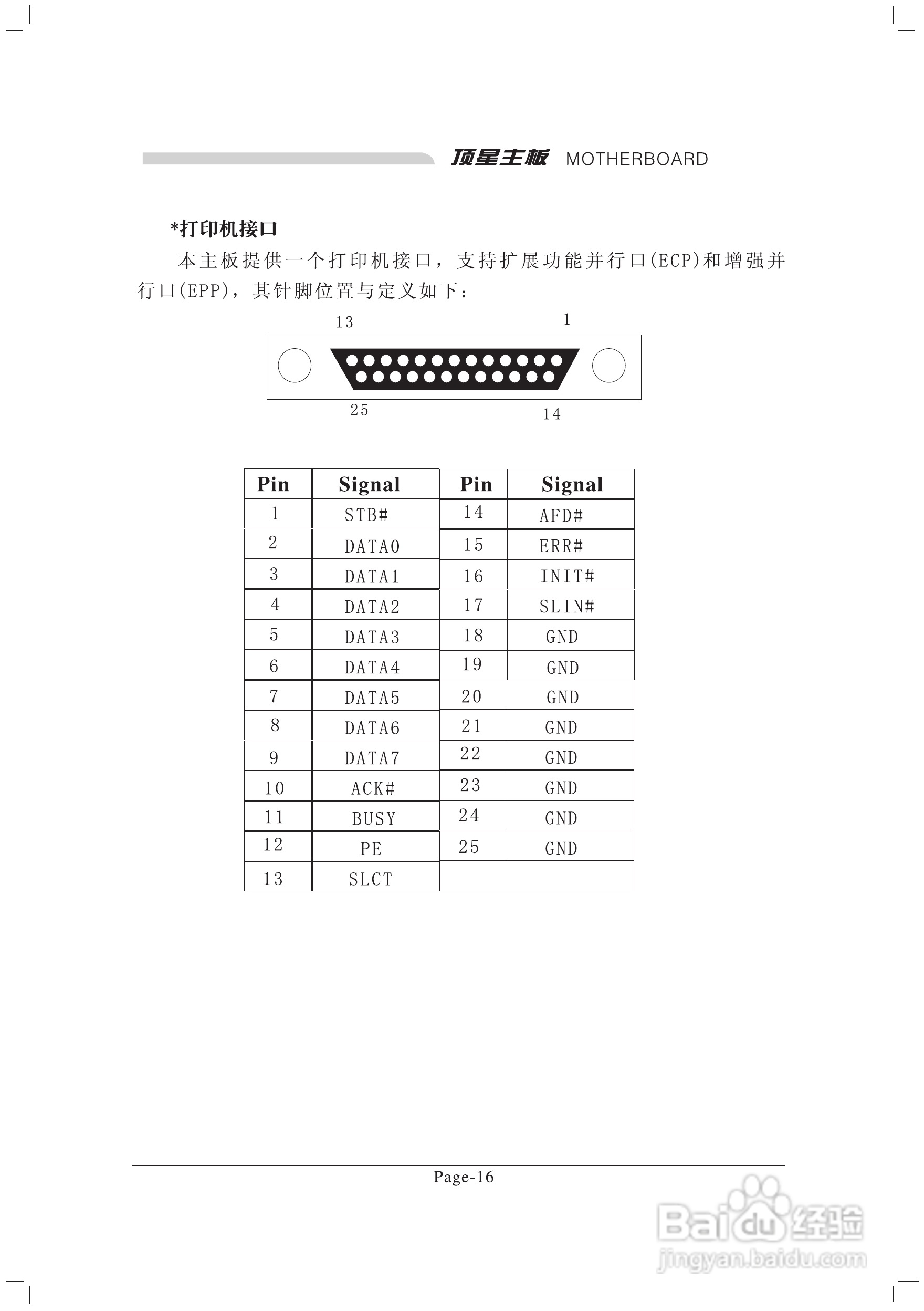
顶星TM-915GVM3型主板说明书:[3]
2026-05-16 07:16:36
本篇为《顶星TM-915GVM3型主板说明书》,主要介绍该产品的使用方法以及常见故障解决方案。
(共篇)
上一篇:
|
下一篇:
声明:
本网站引用、摘录或转载内容仅供网站访问者交流或参考,不代表本站立场,如存在版权或非法内容,请联系站长删除,联系邮箱:site.kefu@qq.com。
相关推荐
顶星TM-915GVM3型主板说明书:[6]
阅读量:140
顶星TM-915GD2型主板说明书:[3]
阅读量:66
顶星TM-N68S型主板说明书:[3]
阅读量:31
顶星TM-945GGCM型主板说明书:[3]
阅读量:172
顶星TM-915GD2型主板说明书:[4]
阅读量:114
猜你喜欢
央视网视频怎么下载
家常寿司
苹果酱的家常做法
马赛克怎么打
腌黄瓜条怎么腌制好吃
快速赚钱的方法
电视剧大全免费专区
植物日记护肤品怎么样
草莓种子的种植方法
鲤鱼怎么做好吃又简单
猜你喜欢
饥荒代码大全
电脑怎么没声音
腌辣椒的做法大全
炸酱面的家常做法
提高性能力的方法
微信零钱明细怎么删除
尿蛋白高怎么办
急用钱又借不到怎么办
火锅怎么做才好吃
洛克王国宠物大全