指南生活
首页
美食营养
手工爱好
生活家居
返回
指南生活
首页
美食营养
游戏数码
手工爱好
生活家居
健康养生
运动户外
职场理财
情感交际
母婴教育
时尚美容
搜索
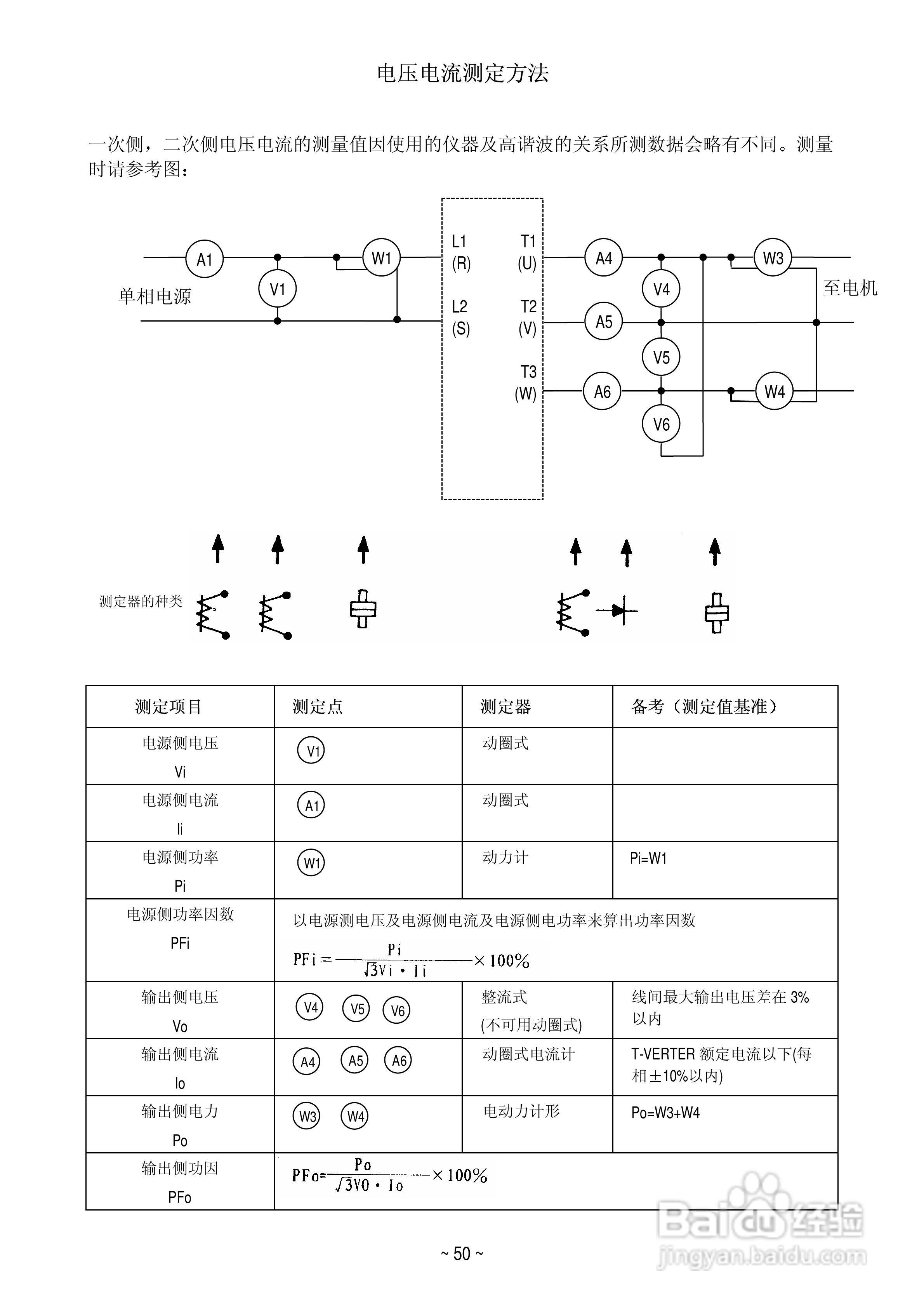
变频器E2-201-M1F使用手册:[6]
2025-10-20 21:00:21
本篇为《变频器E2-201-M1F使用手册》,主要介绍该产品的使用方法以及常见故障解决方案。
(共篇)
上一篇:
声明:
本网站引用、摘录或转载内容仅供网站访问者交流或参考,不代表本站立场,如存在版权或非法内容,请联系站长删除,联系邮箱:site.kefu@qq.com。
相关推荐
香港上水堂幼儿园
阅读量:56
冬瓜炒虾仁怎么做
阅读量:138
绿豆芽炒肘子肉香菜
阅读量:137
如何制作椰奶冻
阅读量:140
鲜虾烧板栗的做法
阅读量:102
猜你喜欢
edge是什么
撒拉嘿呦是什么意思
空调制冷效果不好是什么原因
哈达是什么
这是什么鬼
绿茶表是什么意思
聚氨酯是什么
元宵节什么时候
运动会表扬稿
鬼节是什么时候
猜你喜欢
奇葩什么意思
pcs什么意思
小学一年级运动会口号
冰恋是什么
维生素e的作用和功效可以祛斑吗
遥不可及是什么意思
中国智力运动网
行房出血是什么情况
ie是什么
一尘不染是什么意思