指南生活
首页
美食营养
手工爱好
生活家居
返回
指南生活
首页
美食营养
游戏数码
手工爱好
生活家居
健康养生
运动户外
职场理财
情感交际
母婴教育
时尚美容
知识问答
生活知识
生活百科
搜索
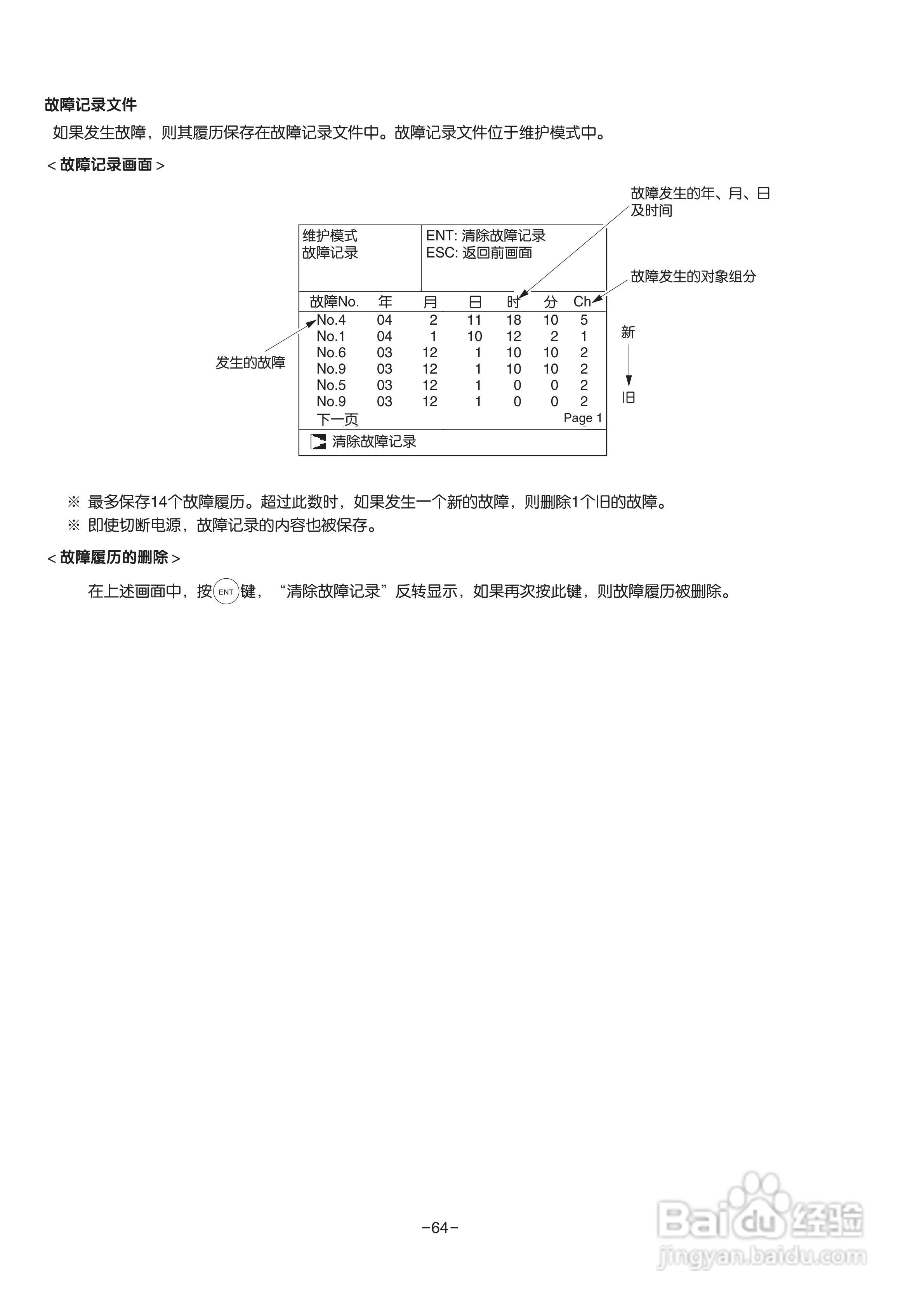
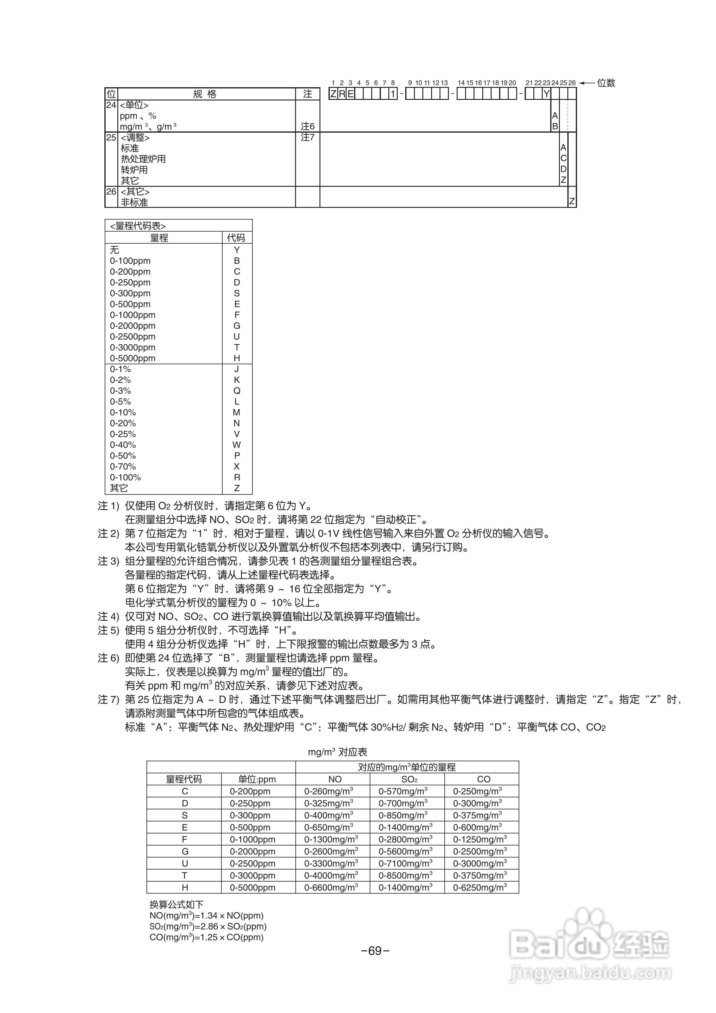
富士ZRE 红外气体分析仪使用说明书:[8]
2026-05-10 14:21:53
本篇为《富士ZRE 红外气体分析仪使用说明书》,主要介绍该产品的使用方法以及常见故障解决方案。
(共篇)
上一篇:
声明:
本网站引用、摘录或转载内容仅供网站访问者交流或参考,不代表本站立场,如存在版权或非法内容,请联系站长删除,联系邮箱:site.kefu@qq.com。
相关推荐
富士ZAJ磁氧分析仪使用手册:[4]
阅读量:132
富士ZAJ磁氧分析仪使用手册:[2]
阅读量:104
富士ZAJ磁氧分析仪使用手册:[3]
阅读量:160
富士ZAF 热导式气体分析仪使用手册:[6]
阅读量:192
富士ZAF 热导式气体分析仪使用手册:[3]
阅读量:59
猜你喜欢
卫生巾怎么用
芝麻酱怎么吃
口腔溃疡怎么好得快
运气不好怎么办
柠檬怎么吃最好
医疗保险个人怎么交
假睫毛怎么卸
微波炉怎么使用
自评怎么写
七度空间卫生巾怎么样
猜你喜欢
肛门痒是怎么回事
怎么学日语
lantern怎么读
咳嗽怎么治
怎么修改qq密码
马蹄怎么做好吃
电流麦怎么解决
卖股票手续费怎么算
怎么都快乐教案
没有结婚证怎么离婚