指南生活
首页
美食营养
手工爱好
生活家居
返回
指南生活
首页
美食营养
游戏数码
手工爱好
生活家居
健康养生
运动户外
职场理财
情感交际
母婴教育
时尚美容
知识问答
生活知识
生活百科
搜索
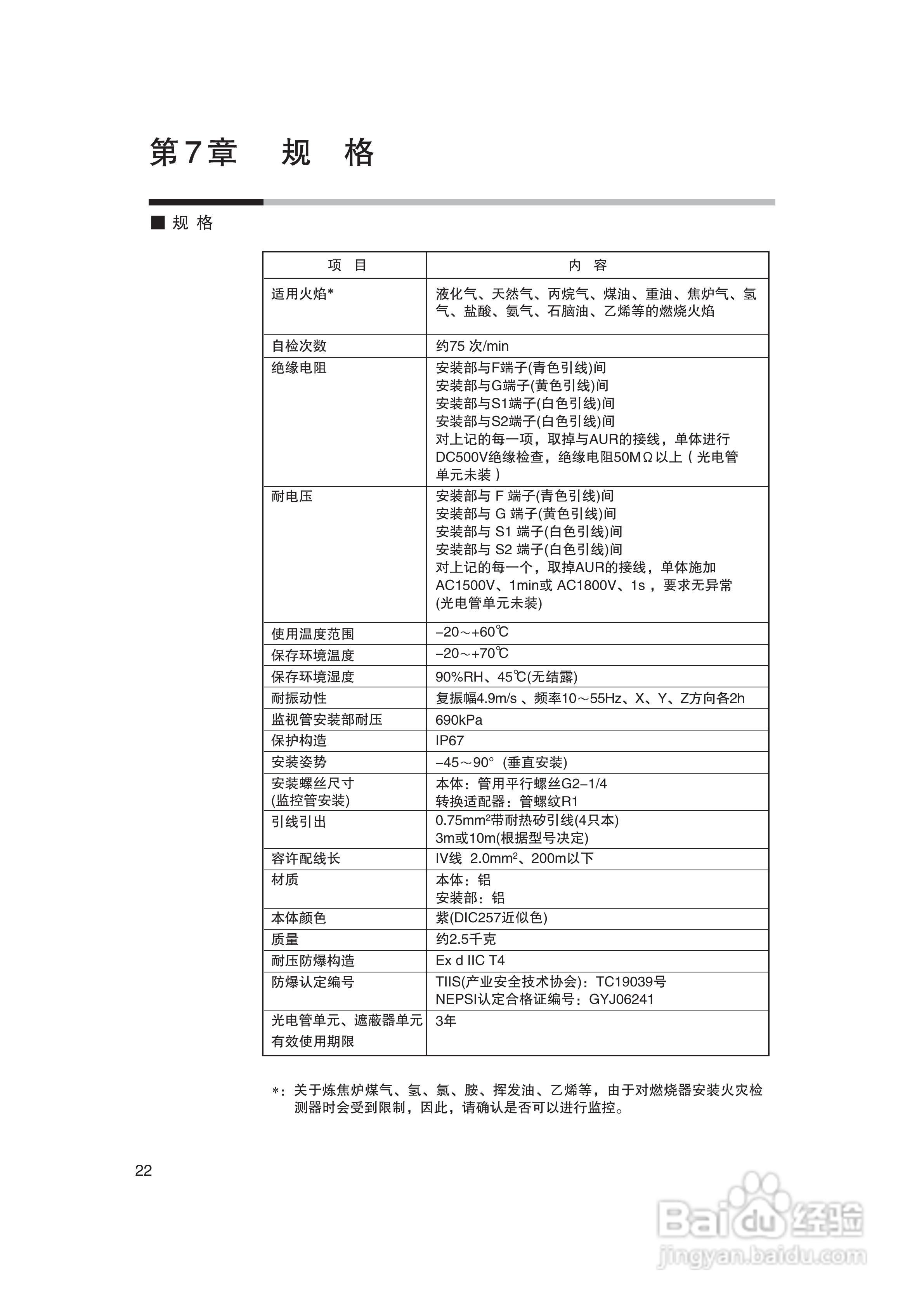
山武AUD500C耐压防爆型高级UV传感器使用说明书:[4]
2026-05-17 12:44:32
本篇为《山武AUD500C耐压防爆型高级UV传感器使用说明书》,主要介绍该产品的使用方法以及常见故障解决方案。
(共篇)
上一篇:
声明:
本网站引用、摘录或转载内容仅供网站访问者交流或参考,不代表本站立场,如存在版权或非法内容,请联系站长删除,联系邮箱:site.kefu@qq.com。
相关推荐
山武AUD300C2000高级UV传感器使用说明书:[3]
阅读量:56
山武AUD300C2000高级UV传感器使用说明书:[2]
阅读量:86
山武高级UV传感器AUD300C1000使用说明书:[3]
阅读量:152
山武高级UV传感器AUD300C1000使用说明书:[2]
阅读量:139
山武AUD300C2000高级UV传感器使用说明书:[1]
阅读量:157
猜你喜欢
文件夹怎么设置密码
soho怎么读
致炫怎么样
郑州大学怎么样
怎么炖鱼
月经有血块怎么调理
12306学生票怎么买
微信界面怎么设置皮肤
脸怎么变白
家长评价怎么写
猜你喜欢
美团外卖骑手怎么加入
宝宝便秘怎么调理
怎么设置开机密码
pdf怎么压缩
脸上起红疙瘩怎么回事
考研政治怎么复习
note怎么读
论文结束语怎么写
脱肛是怎么回事
pupil怎么读