指南生活
首页
美食营养
手工爱好
生活家居
返回
指南生活
首页
美食营养
游戏数码
手工爱好
生活家居
健康养生
运动户外
职场理财
情感交际
母婴教育
时尚美容
知识问答
生活知识
生活百科
搜索
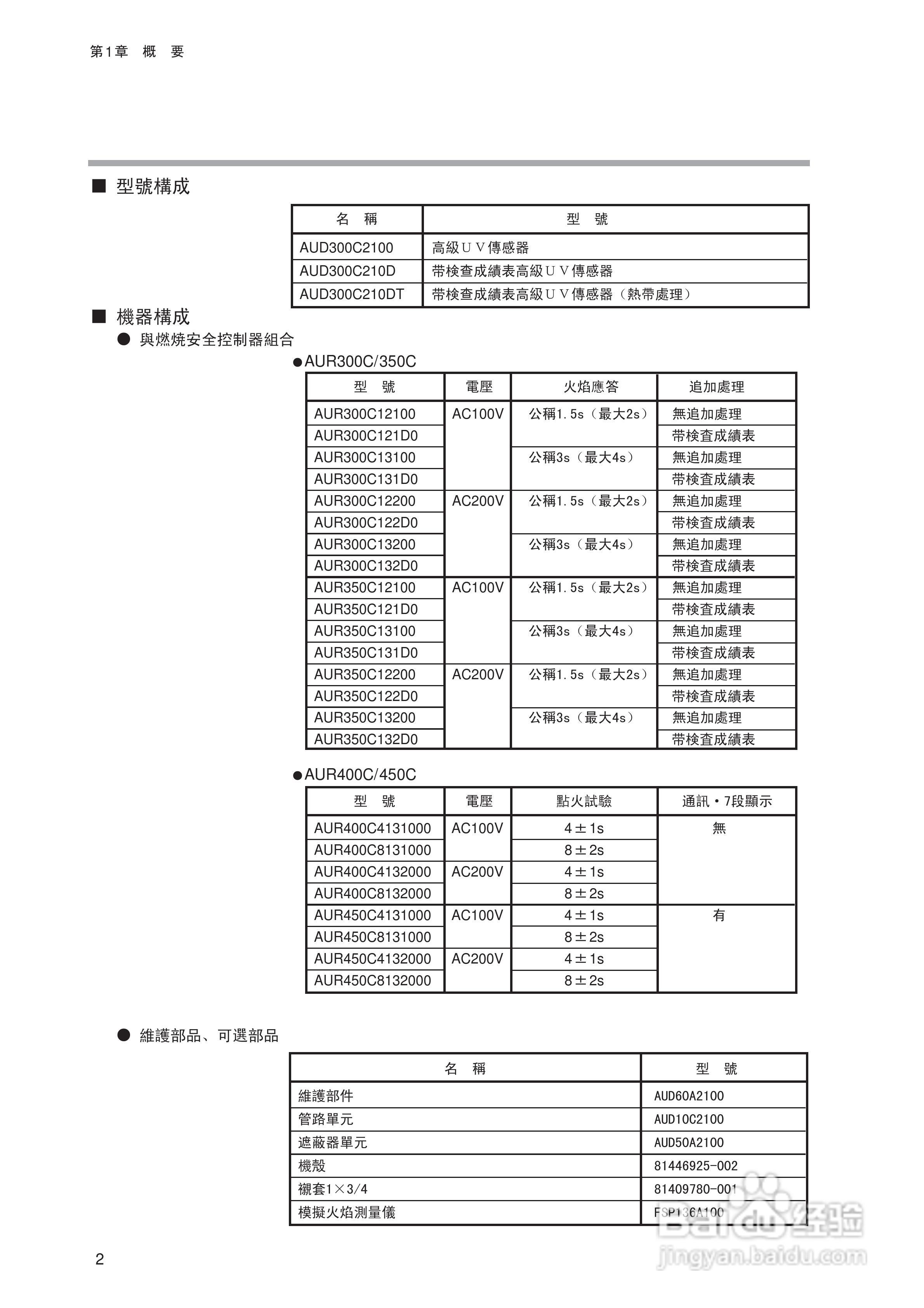
山武AUD300C2000高级UV传感器使用说明书:[1]
2026-03-29 08:56:32
本篇为《山武AUD300C2000高级UV传感器使用说明书》,主要介绍该产品的使用方法以及常见故障解决方案。
(共篇)
下一篇:
声明:
本网站引用、摘录或转载内容仅供网站访问者交流或参考,不代表本站立场,如存在版权或非法内容,请联系站长删除,联系邮箱:site.kefu@qq.com。
相关推荐
山武AUD300C2000高级UV传感器使用说明书:[3]
阅读量:92
山武高级UV传感器AUD300C1000使用说明书:[3]
阅读量:158
山武AUD500C耐压防爆型高级UV传感器使用说明书:[4]
阅读量:34
日本山武指示调节器SDC40A使用说明书:[1]
阅读量:161
日本山武指示调节器SDC40B使用说明书:[1]
阅读量:65
猜你喜欢
米开朗琪罗简介
侠客风云传任清璇攻略
上海攻略必去的地方
尿素偏低是怎么回事
蜂蜜减肥
脸上长斑点怎么办
快速减肥餐
七夕节用英语怎么说
节食减肥
肚子大该怎么减肥
猜你喜欢
红烧肉做法
dns服务器怎么设置
亲润孕妇护肤品怎么样
吃什么食物可以减肥
达尔文进化岛攻略
产后如何减肥
电子科技大学成都学院怎么样
宋城游玩攻略
夏天怎么减肥
硬件加速怎么开