指南生活
首页
美食营养
手工爱好
生活家居
返回
指南生活
首页
美食营养
游戏数码
手工爱好
生活家居
健康养生
运动户外
职场理财
情感交际
母婴教育
时尚美容
知识问答
生活知识
搜索
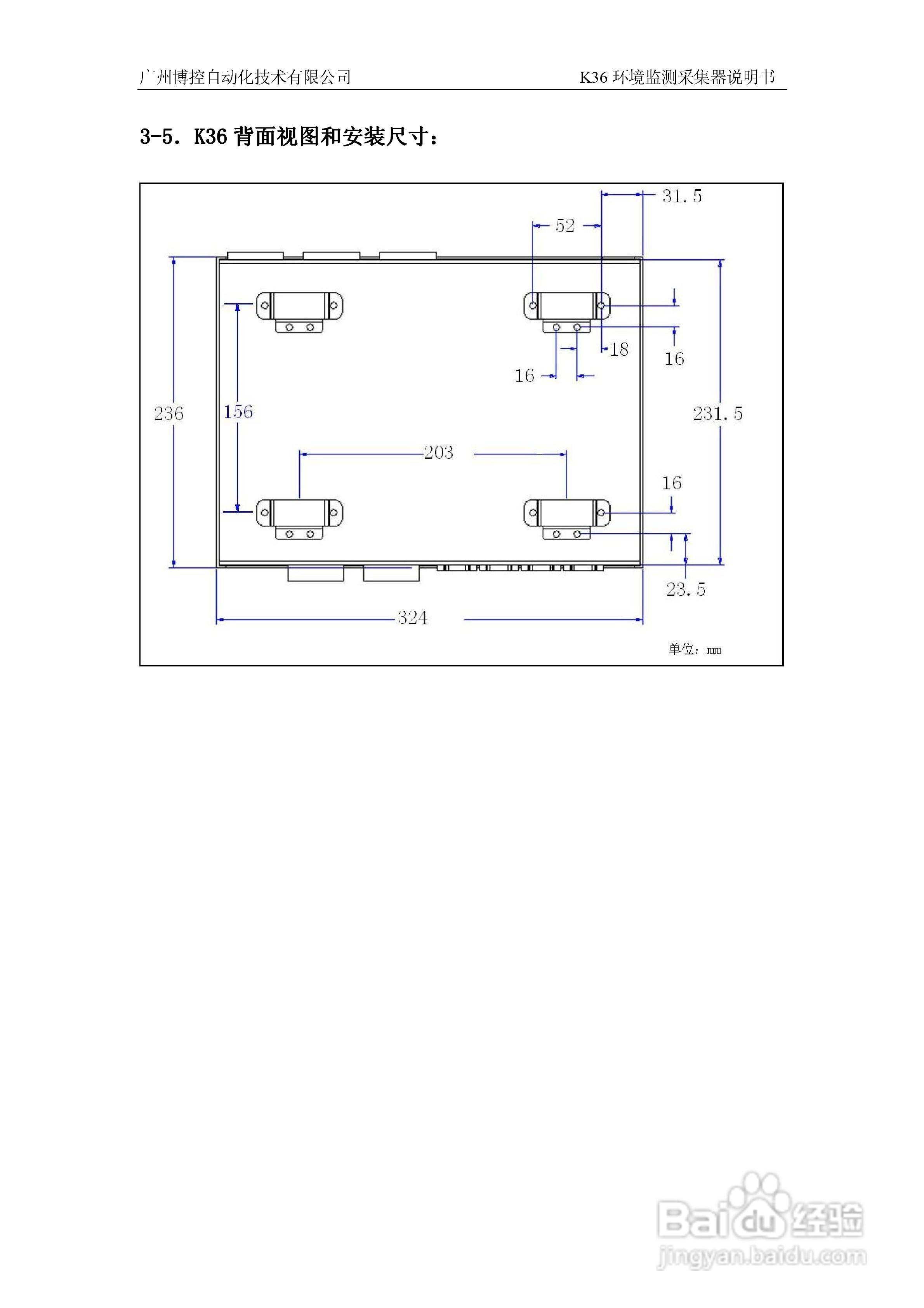
博控K36环境监控数据采集器使用说明书:[2]
2026-03-08 11:52:23
本篇为《博控K36环境监控数据采集器使用说明书》,主要介绍该产品的使用方法以及常见故障解决方案。
(共篇)
上一篇:
|
下一篇:
声明:
本网站引用、摘录或转载内容仅供网站访问者交流或参考,不代表本站立场,如存在版权或非法内容,请联系站长删除,联系邮箱:site.kefu@qq.com。
相关推荐
K36环境监控数据采集器使用说明书:[2]
阅读量:45
博控K36环境监控数据采集器使用说明书:[4]
阅读量:40
K36环境监控数据采集器使用说明书:[1]
阅读量:191
K36环境监控数据采集器使用说明书:[4]
阅读量:154
博控K29D油烟数据采集器使用说明书:[2]
阅读量:173
猜你喜欢
关于宇宙的知识
红霉素软膏的作用和功效
数学必修一知识点总结
热得像什么
玻璃酸钠的作用
智力运动会
黑枸杞子的作用与功效
黄连素的功效与作用
麻仁丸的功效与作用
无偿献血知识
猜你喜欢
青蒿素作用
什么是四风问题
浅紫色配什么颜色好看
火麻油的功效与作用
蛇果的功效与作用
习信安全知识竞赛下载
什么是定向运动
冬天喝什么茶
牛顿运动定律
什么是存款准备金