指南生活
首页
美食营养
手工爱好
生活家居
返回
指南生活
首页
美食营养
游戏数码
手工爱好
生活家居
健康养生
运动户外
职场理财
情感交际
母婴教育
时尚美容
知识问答
生活知识
生活百科
搜索
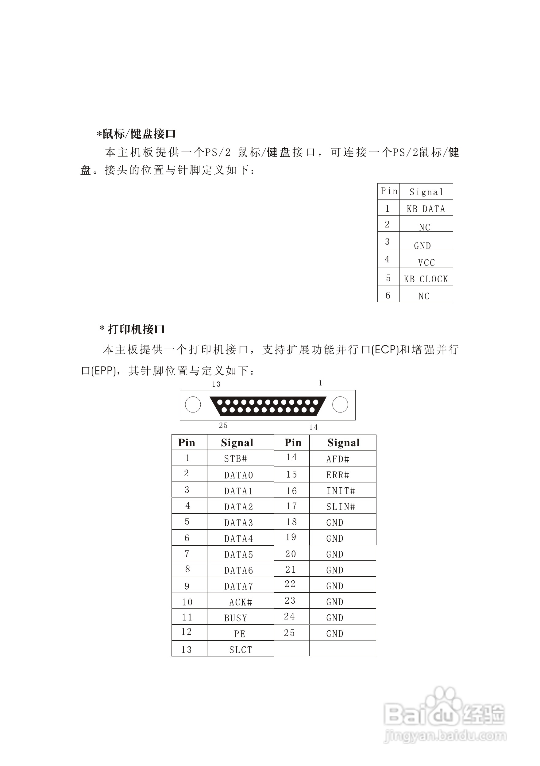
顶星TM-848P2型主板说明书:[3]
2026-05-16 06:29:33
本篇为《顶星TM-848P2型主板说明书》,主要介绍该产品的使用方法以及常见故障解决方案。
(共篇)
上一篇:
|
下一篇:
声明:
本网站引用、摘录或转载内容仅供网站访问者交流或参考,不代表本站立场,如存在版权或非法内容,请联系站长删除,联系邮箱:site.kefu@qq.com。
相关推荐
主板电源线怎么接组装电脑电源线接法
阅读量:75
顶星TM-865GV型主板说明书:[2]
阅读量:185
顶星TM-865G2型主板说明书:[2]
阅读量:122
顶星TM-865G2型主板说明书:[3]
阅读量:85
顶星TM-915GLM2型主板说明书:[3]
阅读量:91
猜你喜欢
tcl电视怎么投屏
head怎么读
怎么截屏
鄯怎么读
百合粥的做法大全
苹果手机突然没声音了怎么回事
为什么拉屎会有血
妇炎洁怎么用
耳鸣是什么原因引起的怎么治疗
牙疼怎么办一招教你3秒治牙疼
猜你喜欢
为什么月经量少
wifi密码怎么改
怎么注销qq
端午节的手抄报怎么画
麻花辫怎么编
猪大肠怎么做好吃
电脑怎么连接打印机
番茄饭的做法
怎么又是天谴圈
大写二怎么写