指南生活
首页
美食营养
手工爱好
生活家居
返回
指南生活
首页
美食营养
游戏数码
手工爱好
生活家居
健康养生
运动户外
职场理财
情感交际
母婴教育
时尚美容
知识问答
生活知识
搜索
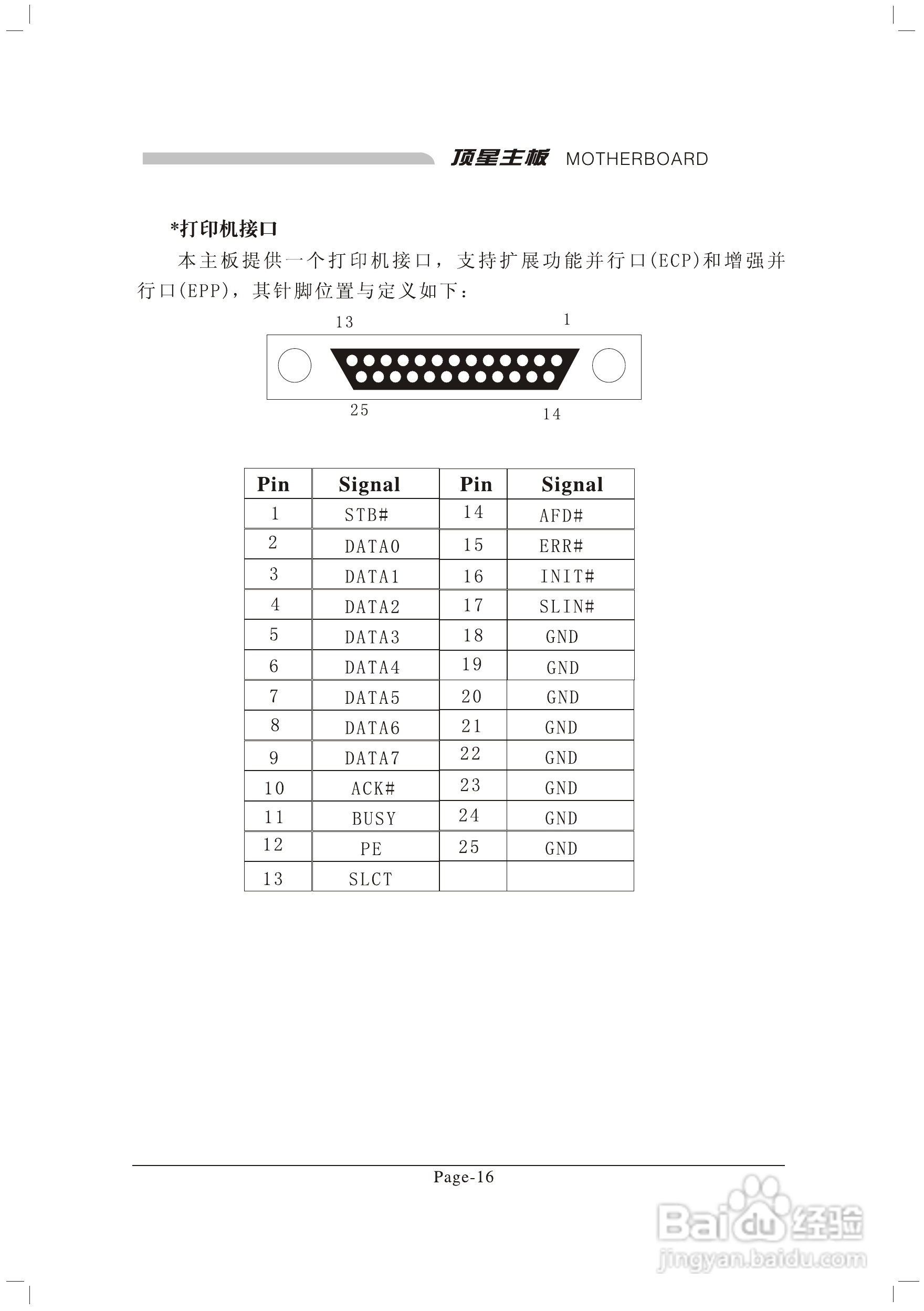
顶星TM-915GLM2型主板说明书:[3]
2025-12-11 22:54:24
本篇为《顶星TM-915GLM2型主板说明书》,主要介绍该产品的使用方法以及常见故障解决方案。
(共篇)
上一篇:
|
下一篇:
声明:
本网站引用、摘录或转载内容仅供网站访问者交流或参考,不代表本站立场,如存在版权或非法内容,请联系站长删除,联系邮箱:site.kefu@qq.com。
相关推荐
顶星TM-915GVM3型主板说明书:[2]
阅读量:118
顶星TM-915GD2型主板说明书:[3]
阅读量:85
顶星TM-915GVM3型主板说明书:[3]
阅读量:41
顶星TM-915GD2型主板说明书:[2]
阅读量:176
顶星TM-915GVM3型主板说明书:[4]
阅读量:97
猜你喜欢
市盈率如何计算
眼底黄斑如何治疗
ps内存不足怎么办
肛门出血是什么原因
另一种灿烂生活
生活中的一件事作文
山西工商学院怎么样
生活无忧官网
理想的小白脸生活
冢怎么读音是什么
猜你喜欢
10个月宝宝如何早教
摩托车没劲怎么回事
伉俪是什么意思
十一月是什么星座
如何快速学英语
如何改变酸性体质
如何网上购物
如何退出qq群
炊大皇不粘锅怎么样
与本人关系如何怎么填