指南生活
首页
美食营养
手工爱好
生活家居
返回
指南生活
首页
美食营养
游戏数码
手工爱好
生活家居
健康养生
运动户外
职场理财
情感交际
母婴教育
时尚美容
知识问答
生活知识
搜索
TH2818/TH2819数字电桥使用说明书:[3]
2025-12-09 11:21:23
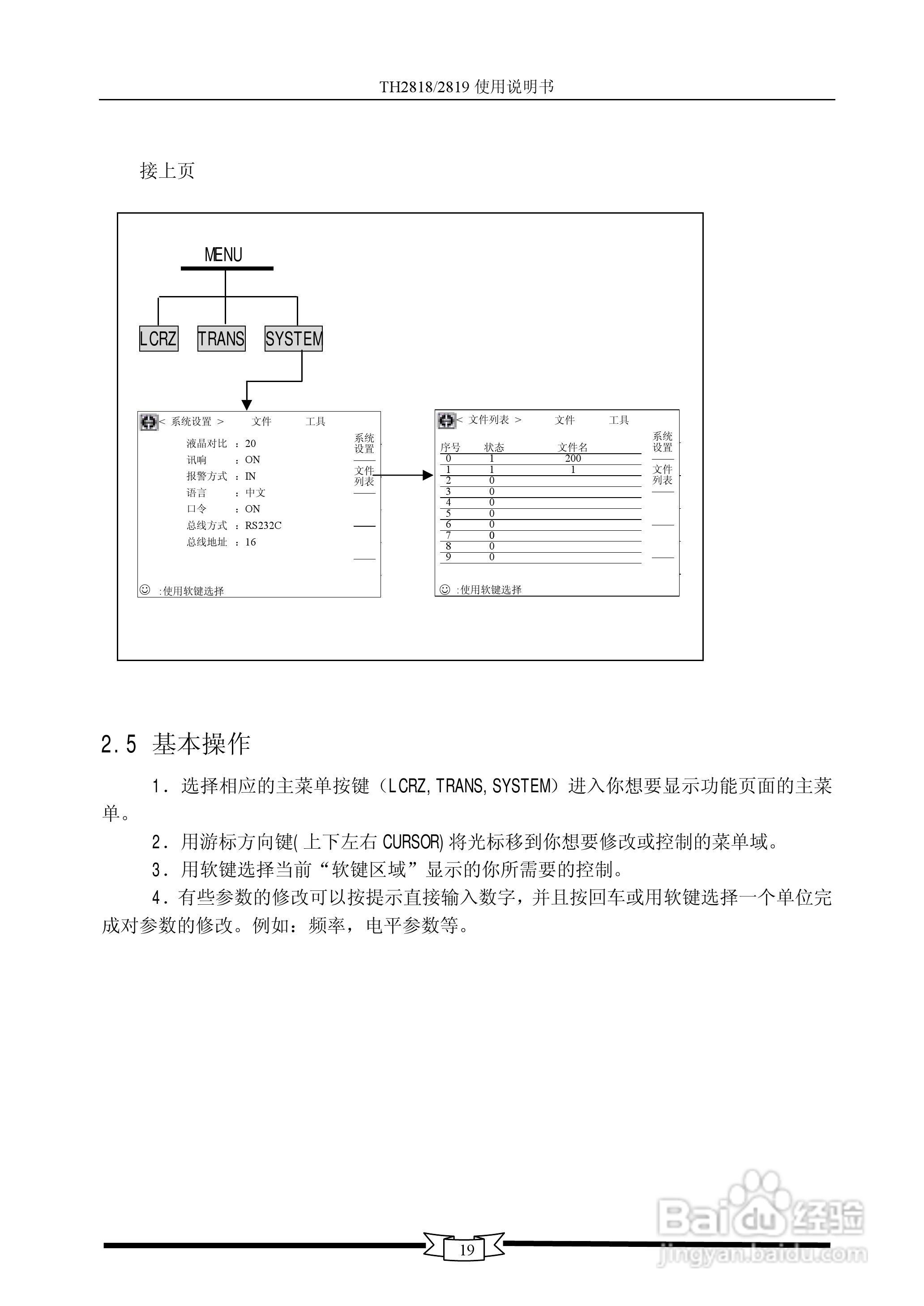
本篇为《TH2818/TH2819数字电桥使用说明书》,主要介绍该产品的使用方法以及常见故障解决方案。
(共篇)
上一篇:
|
下一篇:
声明:
本网站引用、摘录或转载内容仅供网站访问者交流或参考,不代表本站立场,如存在版权或非法内容,请联系站长删除,联系邮箱:site.kefu@qq.com。
相关推荐
TH2818/TH2819数字电桥使用说明书:[6]
阅读量:145
TH2818系列自动元件分析仪说明书:[3]
阅读量:187
TH2818系列自动元件分析仪说明书:[8]
阅读量:148
TH2818系列自动元件分析仪说明书:[9]
阅读量:79
TH2818系列自动元件分析仪说明书:[5]
阅读量:55
猜你喜欢
鼻窦炎的最好治疗方法
三角梅的养殖方法和注意事项
灭老鼠最有效的方法
白条鸡怎么炖好吃
蚜虫的防治方法
宝宝吐奶是怎么回事
苹果相机水印设置方法
腊八蒜的腌制方法
股癣怎么引起的
推迟月经最好的方法
猜你喜欢
宝宝大便干燥怎么办
汾酒价格表和图片大全
扇贝粉丝蒜蓉家常做法
芦荟的养殖方法和注意事项
怎么抠图换背景
脂肪肝是怎么治疗
戒烟的最佳方法
安卓手机怎么格式化
怎么共享文件夹
缩小毛孔最有效的方法