指南生活
首页
美食营养
手工爱好
生活家居
返回
指南生活
首页
美食营养
游戏数码
手工爱好
生活家居
健康养生
运动户外
职场理财
情感交际
母婴教育
时尚美容
知识问答
生活知识
搜索
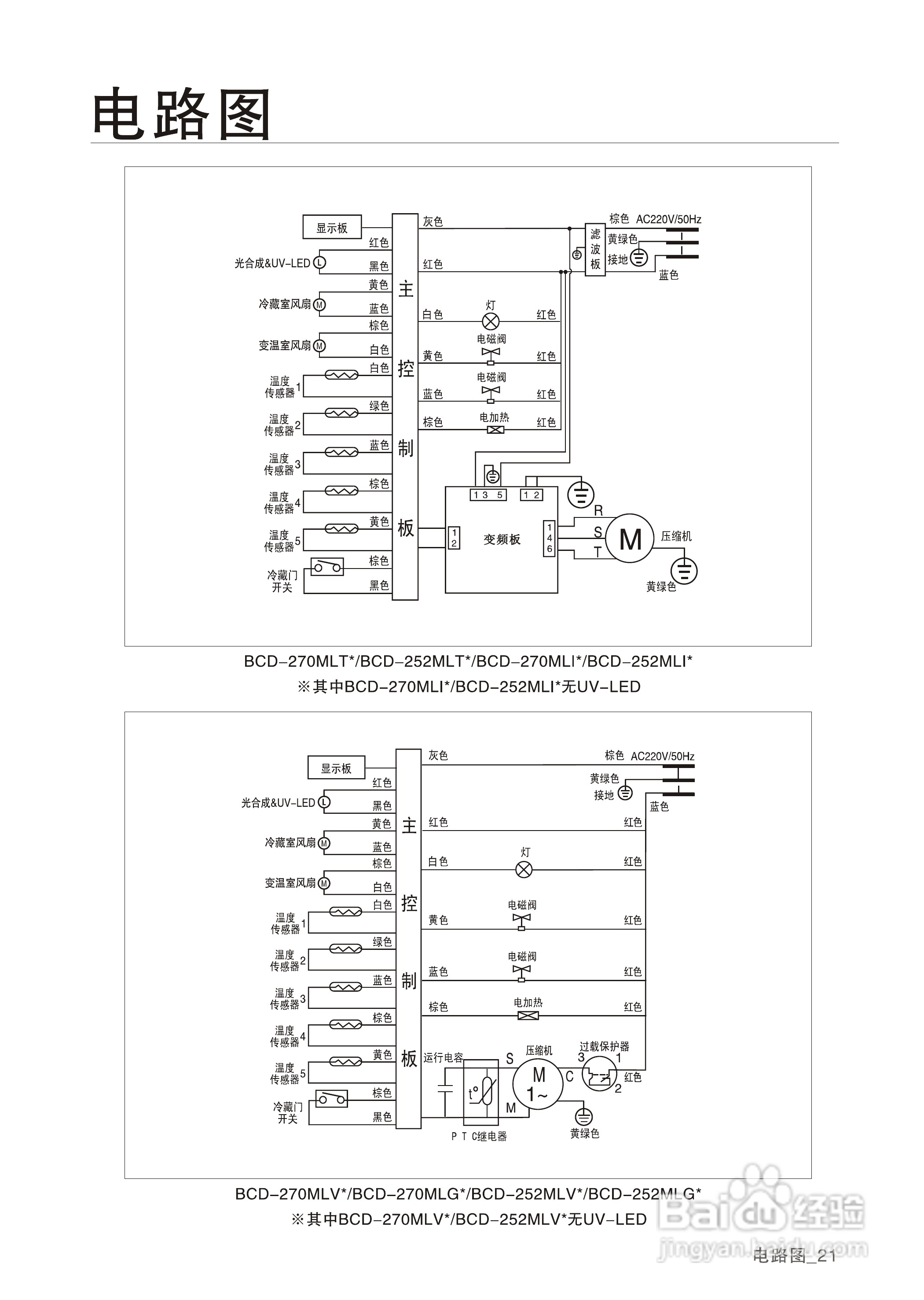
三星BCD-252MLT电冰箱使用说明书:[3]
2026-02-26 16:01:48
(共篇)
上一篇:
声明:
本网站引用、摘录或转载内容仅供网站访问者交流或参考,不代表本站立场,如存在版权或非法内容,请联系站长删除,联系邮箱:site.kefu@qq.com。
相关推荐
三星BCD-252MLT电冰箱使用说明书:[2]
阅读量:156
三星BCD-252MLT电冰箱使用说明书:[1]
阅读量:58
三星BCD-252MLI电冰箱使用说明书:[3]
阅读量:114
三星BCD-270MLT电冰箱使用说明书:[3]
阅读量:114
三星BCD-252MLV电冰箱使用说明书:[2]
阅读量:130
猜你喜欢
回力轮胎怎么样
马鲛鱼最好吃的做法
顶楼隔热最好的方法
广场舞视频大全2020年最火广场舞
除螨虫的方法
炖羊骨头的家常做法
现代诗歌大全100首
去除眼袋的方法
金钱树的养殖方法和注意事项
虾仁饺子馅的做法大全
猜你喜欢
红血丝怎么修复
自然堂怎么样
扁平疣治疗方法
蛋白尿的治疗方法
怎么格式化内存卡
方法论
节约用纸的方法
家常早餐
用简便方法计算
肛瘘怎么治