指南生活
首页
美食营养
手工爱好
生活家居
返回
指南生活
首页
美食营养
游戏数码
手工爱好
生活家居
健康养生
运动户外
职场理财
情感交际
母婴教育
时尚美容
知识问答
生活知识
搜索
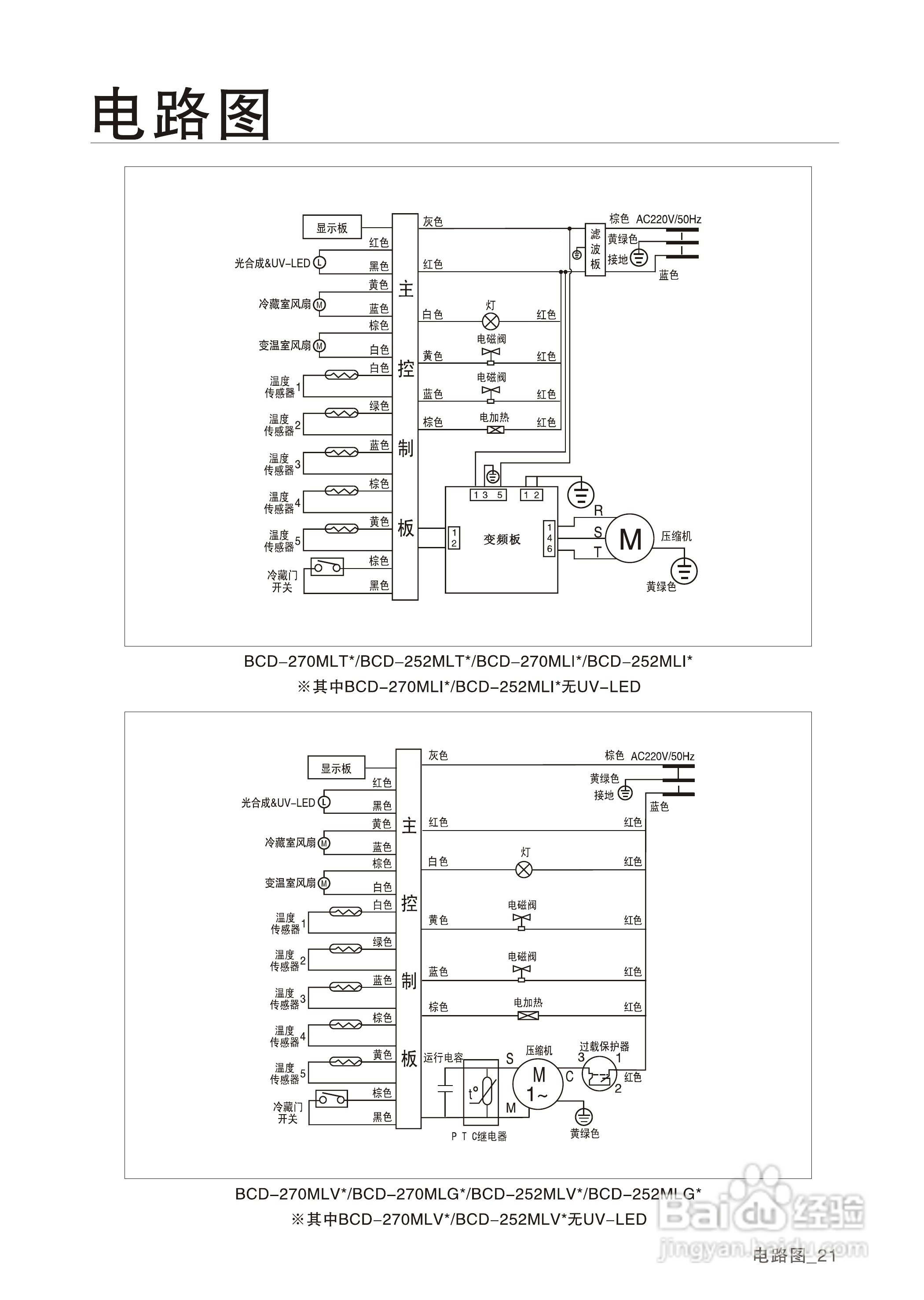
三星BCD-252MLI电冰箱使用说明书:[3]
2026-02-26 17:24:28
(共篇)
上一篇:
声明:
本网站引用、摘录或转载内容仅供网站访问者交流或参考,不代表本站立场,如存在版权或非法内容,请联系站长删除,联系邮箱:site.kefu@qq.com。
相关推荐
三星BCD-252MLI电冰箱使用说明书:[1]
阅读量:68
三星BCD-252MLT电冰箱使用说明书:[3]
阅读量:33
三星BCD-252MLG电冰箱使用说明书:[2]
阅读量:96
三星BCD-270MLI电冰箱使用说明书:[3]
阅读量:191
三星BCD-270MLI电冰箱使用说明书:[2]
阅读量:32
猜你喜欢
重温的意思
以梦为马 不负韶华是什么意思
abroad是什么意思
ckn是什么意思污的
鬼画符是什么意思
opposite是什么意思
虚拟光驱有什么用
春运什么时候开始
小狼狗是什么意思
单单的意思
猜你喜欢
失眠要吃什么
sufficient什么意思
什么牌子的polo衫好
偏振镜什么牌子好
信用社考试考什么
殚精竭虑是什么意思
隐姓埋名的意思
虎头蛇尾是什么意思
现在什么网游比较火
百年好合的意思