指南生活
首页
美食营养
手工爱好
生活家居
返回
指南生活
首页
美食营养
游戏数码
手工爱好
生活家居
健康养生
运动户外
职场理财
情感交际
母婴教育
时尚美容
知识问答
生活知识
搜索
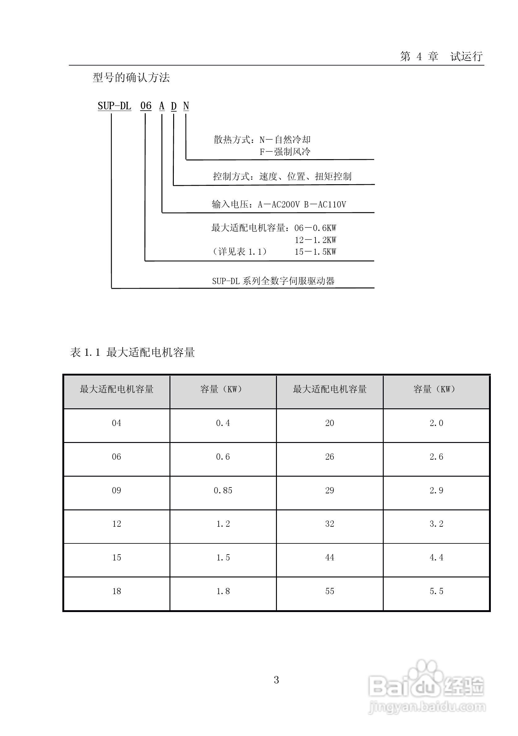
SUP-DL系列伺服驱动器说明书:[1]
2026-01-16 09:11:11
本篇为《SUP-DL系列伺服驱动器说明书》,主要介绍该产品的使用方法以及常见故障解决方案。
(共篇)
下一篇:
声明:
本网站引用、摘录或转载内容仅供网站访问者交流或参考,不代表本站立场,如存在版权或非法内容,请联系站长删除,联系邮箱:site.kefu@qq.com。
相关推荐
SUP-DL系列伺服驱动器说明书:[6]
阅读量:90
SUP-DL系列伺服驱动器说明书:[4]
阅读量:159
SUP-DL系列伺服驱动器说明书:[5]
阅读量:98
SUP-DL系列伺服驱动器说明书:[2]
阅读量:103
SUP-DL系列伺服驱动器说明书:[3]
阅读量:90
猜你喜欢
征婚启事怎么写
瘊子是怎么形成的
plt文件怎么打开
海鱼怎么做
怎么才能祛痘
钢琴考级怎么考
高尔夫怎么样
帅康燃气灶怎么样
提前还房贷利息怎么算
在校大学生怎么赚钱
猜你喜欢
奥迪a5怎么样
辣椒油怎么做才能又辣又香
怎么调电脑分辨率
宝宝不吃奶粉怎么办
采访提纲怎么写
怎么做代购
科沃斯怎么样
节假日加班工资怎么算
国际关系学院怎么样
鹦鹉鱼怎么养