指南生活
首页
美食营养
手工爱好
生活家居
返回
指南生活
首页
美食营养
游戏数码
手工爱好
生活家居
健康养生
运动户外
职场理财
情感交际
母婴教育
时尚美容
知识问答
生活知识
生活百科
搜索
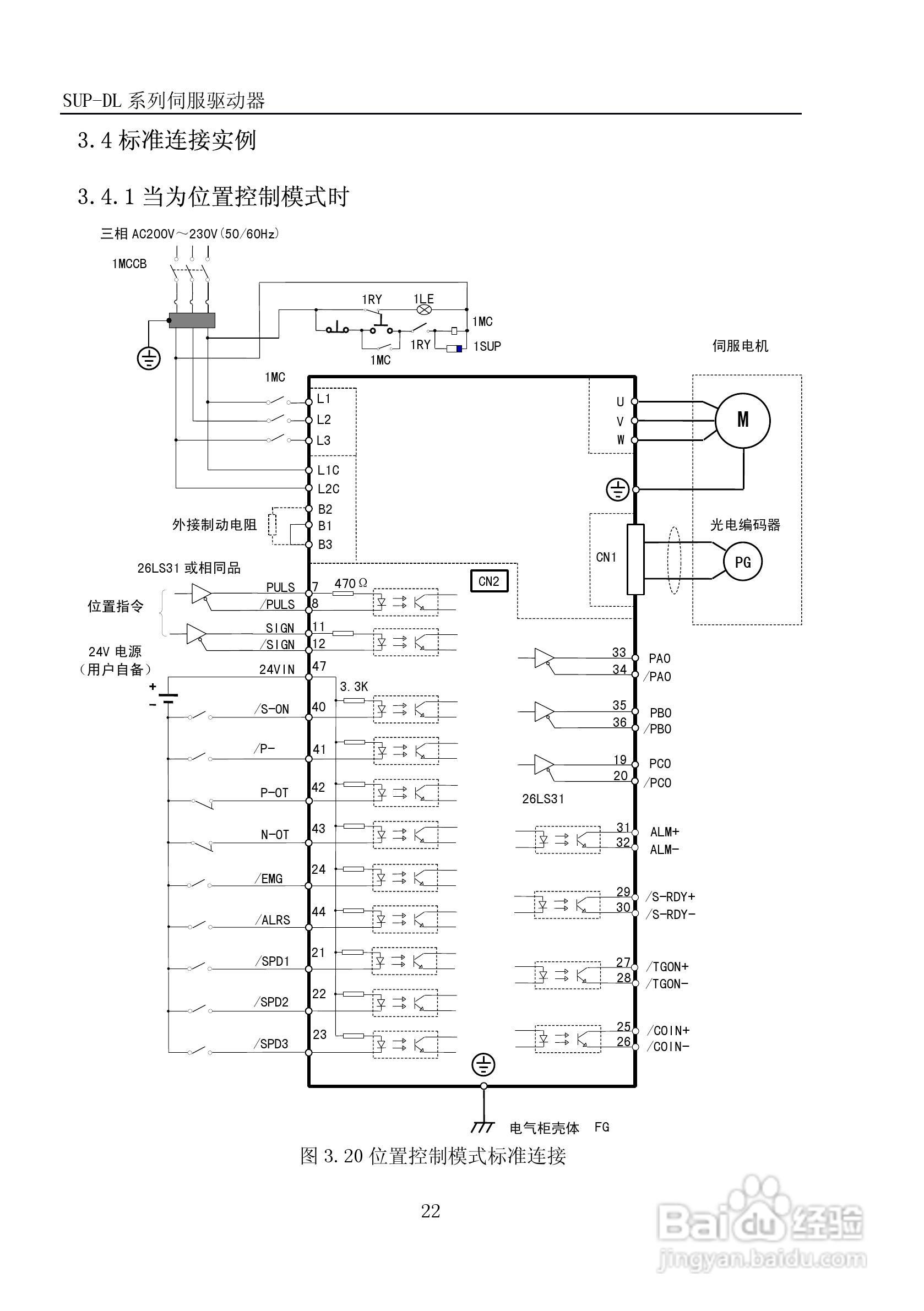
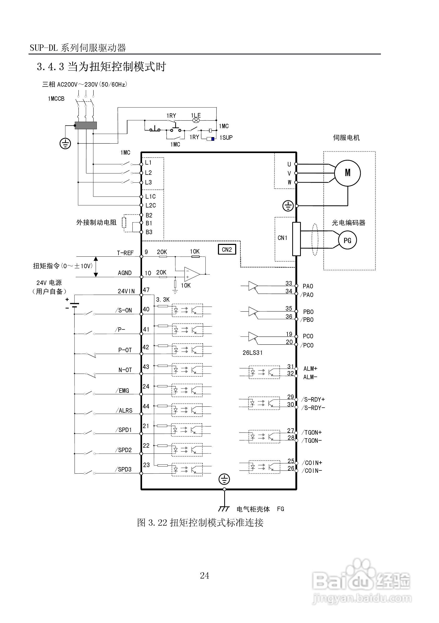
SUP-DL系列伺服驱动器说明书:[5]
2026-04-21 09:22:12
本篇为《SUP-DL系列伺服驱动器说明书》,主要介绍该产品的使用方法以及常见故障解决方案。
(共篇)
上一篇:
|
下一篇:
声明:
本网站引用、摘录或转载内容仅供网站访问者交流或参考,不代表本站立场,如存在版权或非法内容,请联系站长删除,联系邮箱:site.kefu@qq.com。
相关推荐
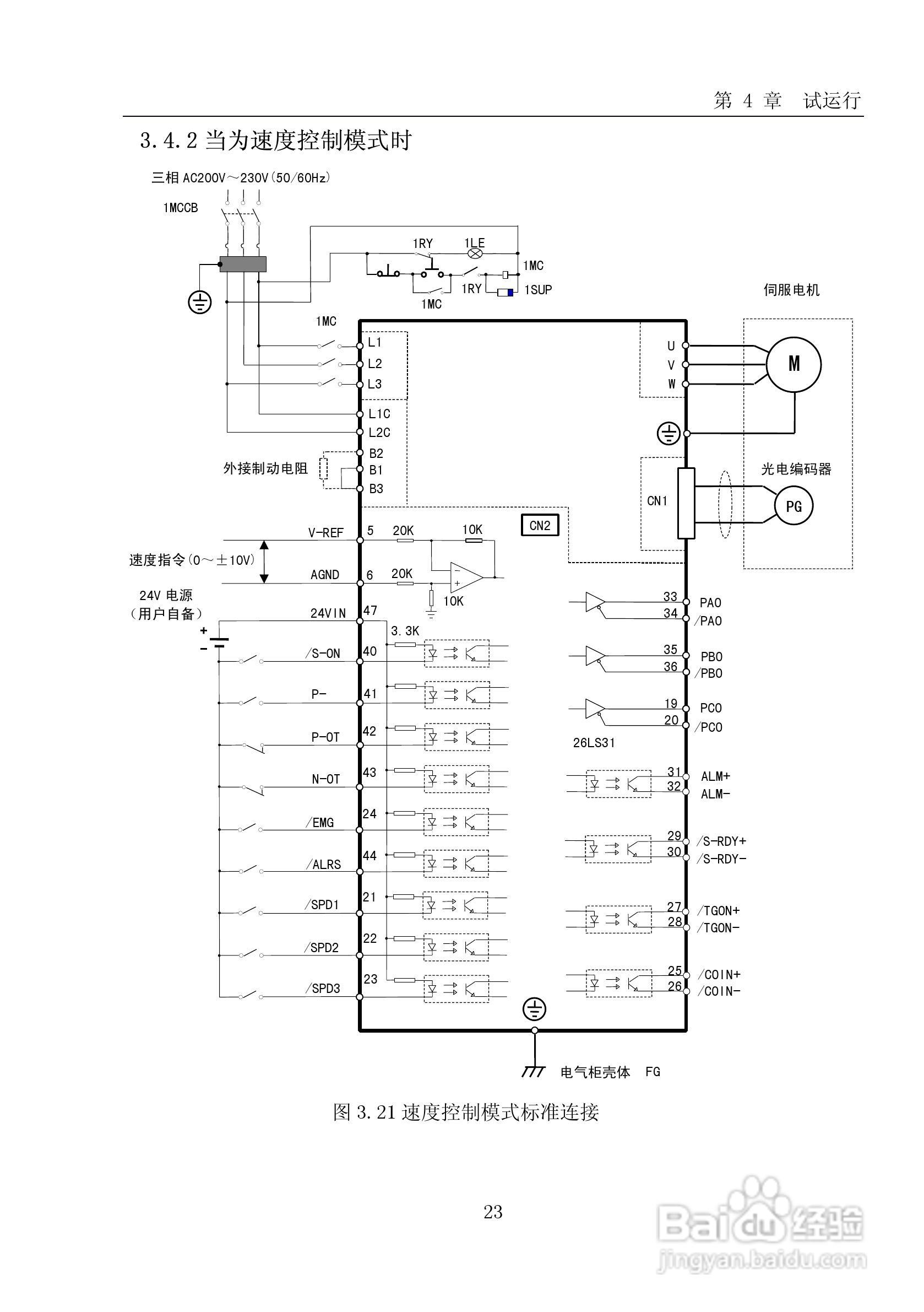
SUP-DL系列伺服驱动器说明书:[6]
阅读量:112
html网页制作学习:[5]sup上标sub下标
阅读量:94
伺服驱动器速度怎么计算
阅读量:29
如何正确调整SUP划桨的高度
阅读量:134
伺服驱动器的七个常见故障及其检修
阅读量:182
猜你喜欢
头疼是什么原因
male是什么意思
什么什么如什么
修辞手法是什么意思
朱砂痣什么意思
热水器什么牌子好
研究生调剂是什么意思
什么是缓刑
十月初一是什么日子
铺货是什么意思
猜你喜欢
一直放屁是什么原因
cast是什么意思
小心翼翼的意思是什么
什么的回忆作文
今天什么节气
oa是什么
stamp是什么意思
什么是封闭针
碘酒是什么
什么是数学