指南生活
首页
美食营养
手工爱好
生活家居
返回
指南生活
首页
美食营养
游戏数码
手工爱好
生活家居
健康养生
运动户外
职场理财
情感交际
母婴教育
时尚美容
知识问答
生活知识
搜索
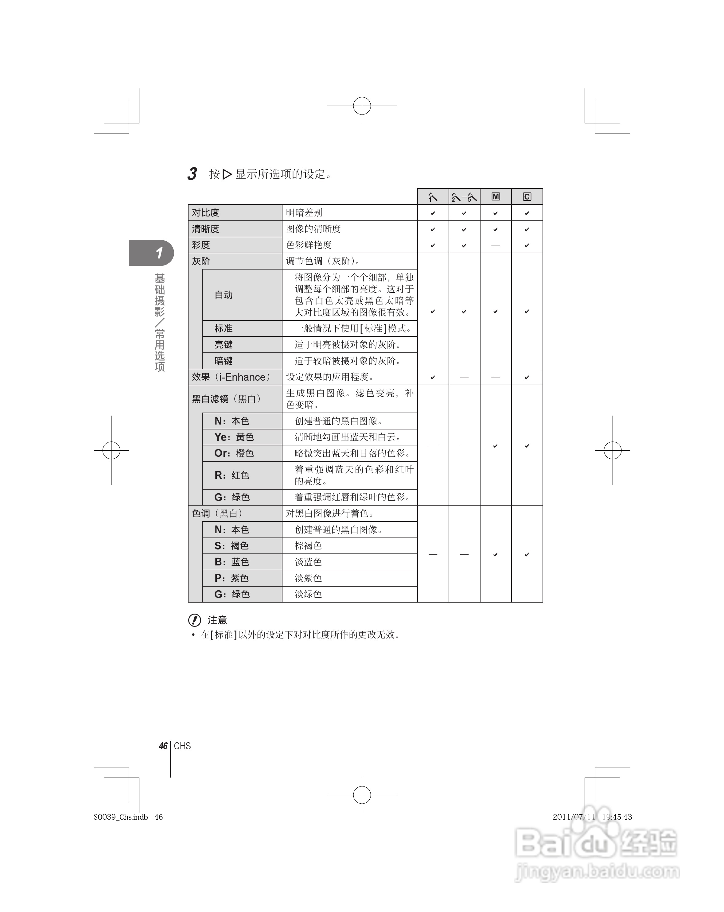
奥林巴斯E-PM1数码照相机使用说明书:[5]
2025-12-29 16:23:09
本篇为《奥林巴斯E-PM1数码照相机使用说明书》,主要介绍该产品的使用方法以及常见故障解决方案。
(共篇)
上一篇:
|
下一篇:
声明:
本网站引用、摘录或转载内容仅供网站访问者交流或参考,不代表本站立场,如存在版权或非法内容,请联系站长删除,联系邮箱:site.kefu@qq.com。
相关推荐
奥林巴斯E-PM1数码照相机使用说明书:[13]
阅读量:93
奥林巴斯E-P3数码照相机使用说明书:[5]
阅读量:174
奥林巴斯E-PL3数码照相机使用说明书:[5]
阅读量:110
奥林巴斯E-PL3数码照相机使用说明书:[1]
阅读量:196
奥林巴斯E-PL3数码照相机使用说明书:[6]
阅读量:58
猜你喜欢
仝卓怎么读
年利率怎么算利息
推荐理由怎么写
back怎么读
痉挛怎么读
跳蚤咬了怎么办
师傅的老公怎么称呼
灭火器怎么画
槟榔怎么吃
原著张大佛爷怎么死的
猜你喜欢
绪论怎么写
睡不着觉怎么办
动态壁纸怎么设置
贴膜神器怎么用
护发素怎么用
赵子龙怎么死的 死在哪
怎么查车辆违章查询
就业意向怎么填
微信聊天记录怎么查
开洗衣店利润怎么样