指南生活
首页
美食营养
手工爱好
生活家居
返回
指南生活
首页
美食营养
游戏数码
手工爱好
生活家居
健康养生
运动户外
职场理财
情感交际
母婴教育
时尚美容
知识问答
生活知识
搜索
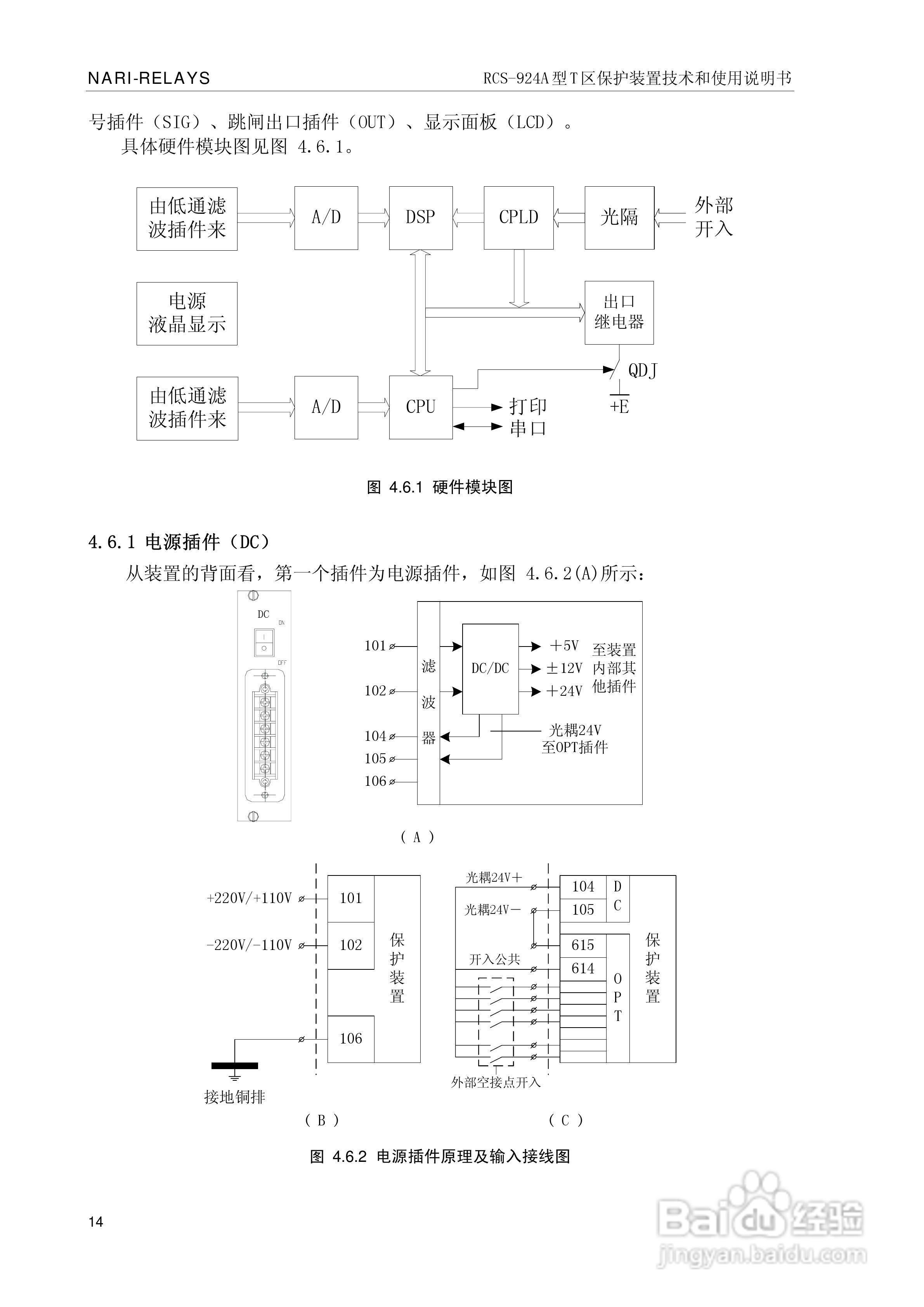
RCS-924A型T区保护装置使用说明书:[2]
2025-12-28 06:07:00
本篇为《RCS-924A型T区保护装置使用说明书》,主要介绍该产品的使用方法以及常见故障解决方案。
(共篇)
上一篇:
|
下一篇:
声明:
本网站引用、摘录或转载内容仅供网站访问者交流或参考,不代表本站立场,如存在版权或非法内容,请联系站长删除,联系邮箱:site.kefu@qq.com。
相关推荐
RCS-924B型T区保护装置使用说明书:[2]
阅读量:27
RCS-924B型T区保护装置使用说明书:[4]
阅读量:149
南瑞RCS-915GD微机母线保护装置使用说明书:[2]
阅读量:113
使用说明书封面怎么做
阅读量:78
使用说明书wf2651使用指南
阅读量:171
猜你喜欢
上善若水什么意思
如果你有空陪我过个冬是什么歌
相生相克是什么意思
处暑节气的含义是什么
越什么越什么的词语
党的女儿准备了什么作为党费
7月18日是什么星座
送给不值一提的过去是什么歌
出现的近义词是什么
佳茵是什么药
猜你喜欢
备注是什么意思
什么是英雄
新陈代谢是什么意思
op什么意思
8月11日是什么星座
什么的微笑
9月15日是什么星座
阴囊瘙痒用什么药
有机物是什么
宫颈纳氏囊肿是什么