指南生活
首页
美食营养
手工爱好
生活家居
返回
指南生活
首页
美食营养
游戏数码
手工爱好
生活家居
健康养生
运动户外
职场理财
情感交际
母婴教育
时尚美容
知识问答
生活知识
生活百科
搜索
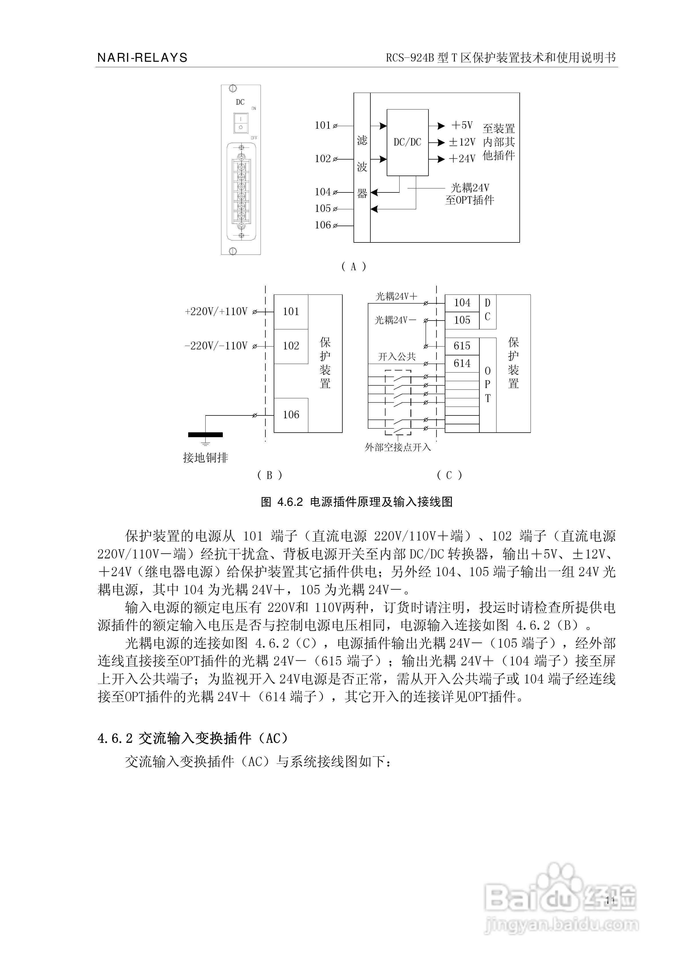
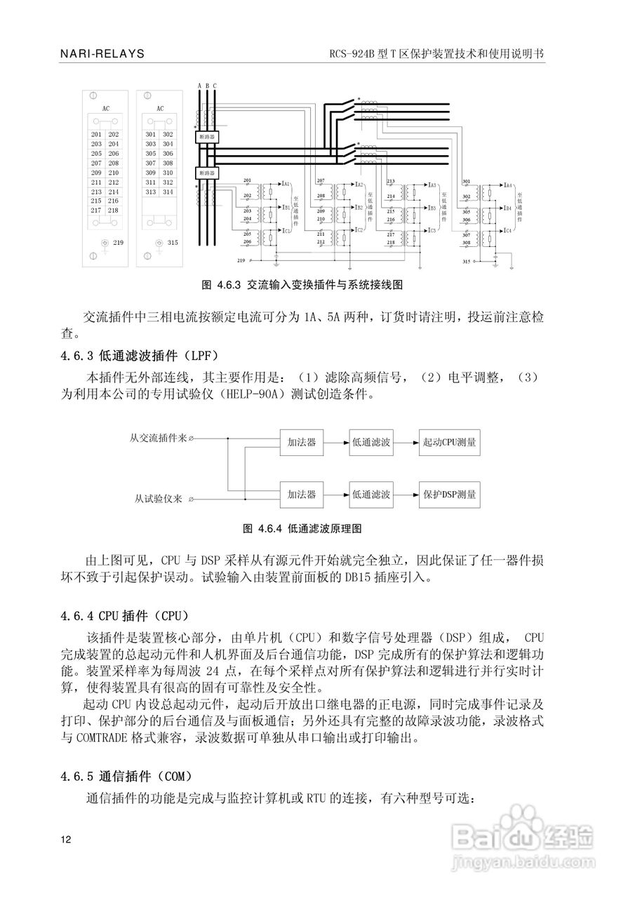
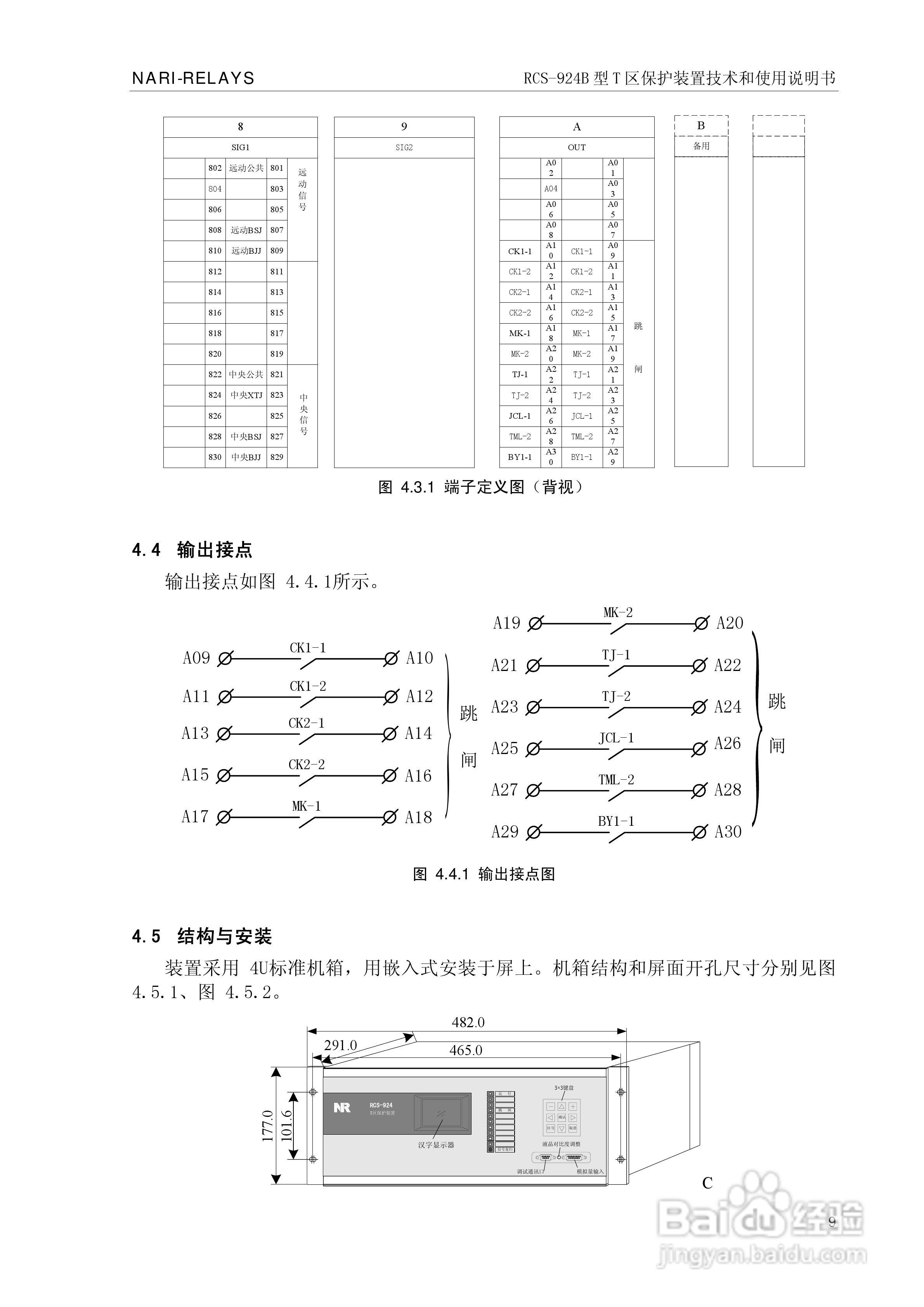
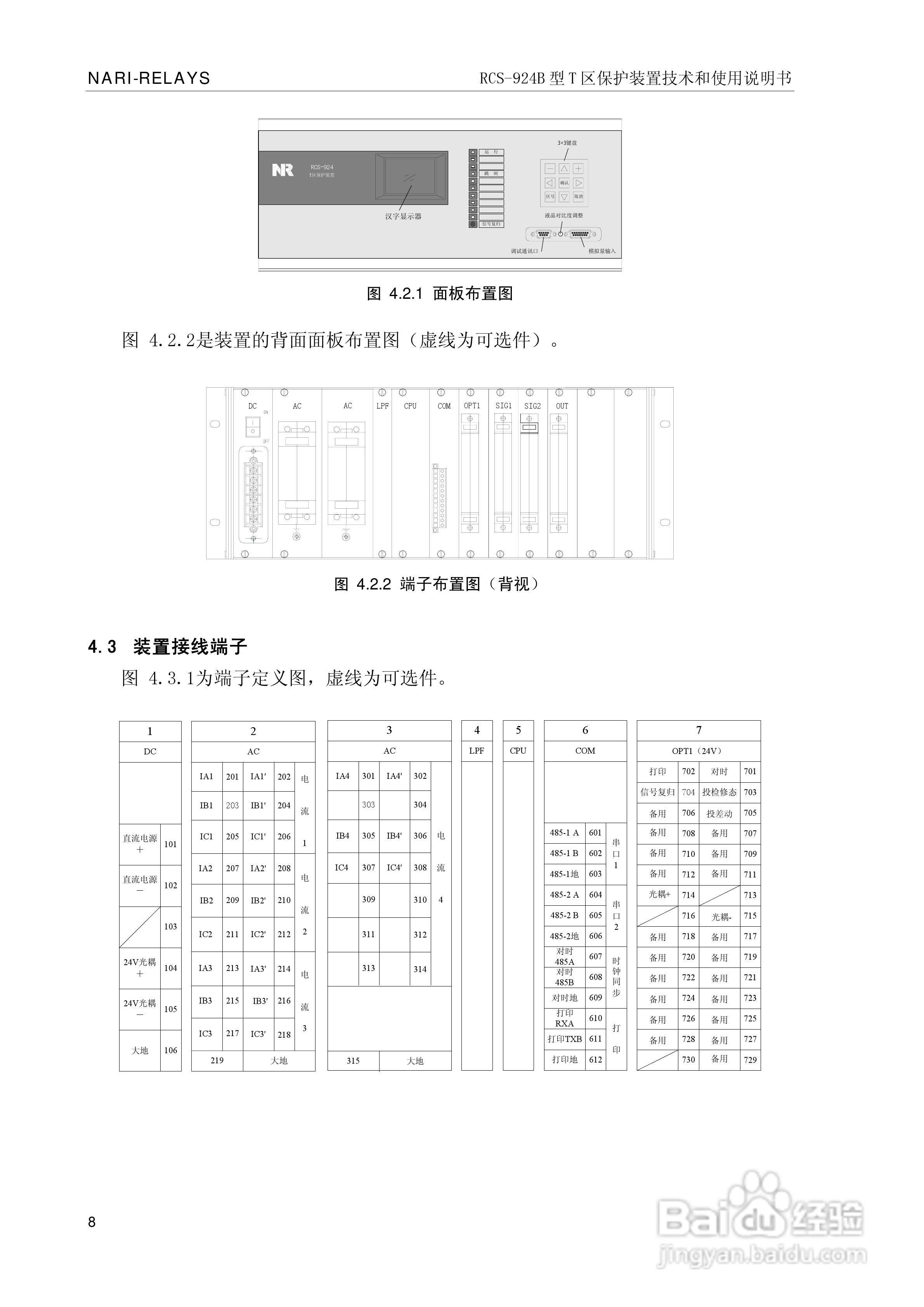
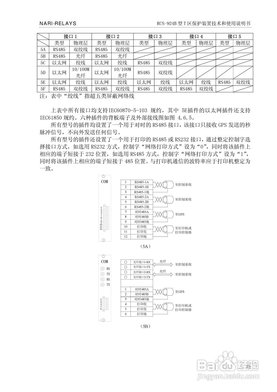
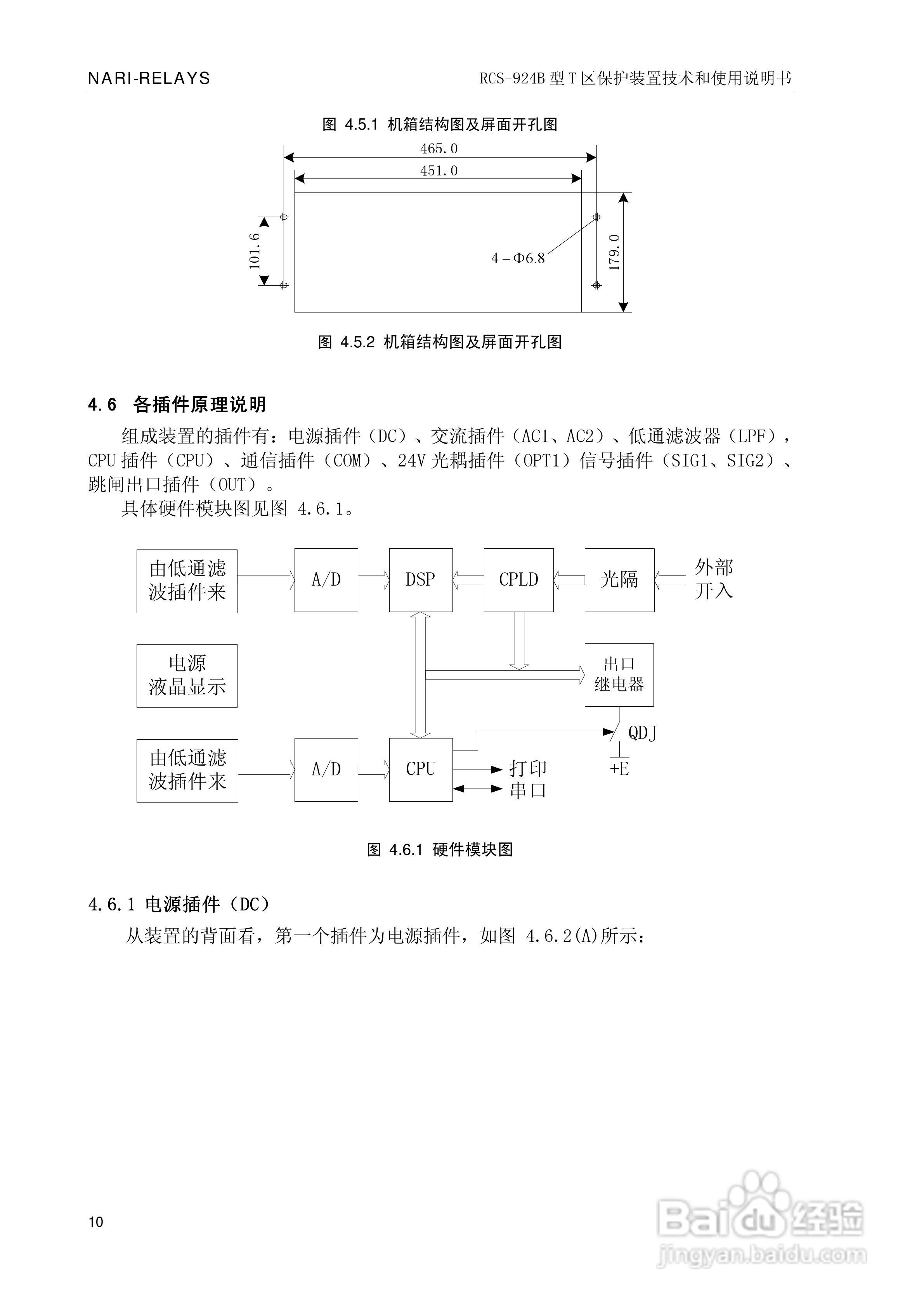
RCS-924B型T区保护装置使用说明书:[2]
2026-04-01 22:06:33
本篇为《RCS-924B型T区保护装置使用说明书》,主要介绍该产品的使用方法以及常见故障解决方案。
(共篇)
上一篇:
|
下一篇:
声明:
本网站引用、摘录或转载内容仅供网站访问者交流或参考,不代表本站立场,如存在版权或非法内容,请联系站长删除,联系邮箱:site.kefu@qq.com。
相关推荐
RCS-924A型T区保护装置使用说明书:[2]
阅读量:107
RCS-924A型T区保护装置使用说明书:[4]
阅读量:141
南瑞RCS-985TS_B电厂变压器保护装置使用说明书:[2]
阅读量:32
RCS-9000系列B型变压器保护测控装置使用说明书:[8]
阅读量:80
使用说明书封面怎么做
阅读量:53
猜你喜欢
生菜怎么做好吃又简单
简单点心的做法大全
三好学生主要事迹怎么写
微信分身怎么弄
信的格式怎么写
花样面点的做法大全
素媛案件真实女孩怎么样了
怎么念
慢性宫颈炎怎么治疗
欠条怎么写才能在法律上生效
猜你喜欢
为什么有的网站打不开
手机卡顿反应慢怎么解决
炒股怎么炒
睥睨怎么读
个人交社保怎么交
男人虚怎么办
肚子疼怎么办
股票为什么会涨跌
matter怎么读
嫉妒魔女为什么喜欢昂