指南生活
首页
美食营养
手工爱好
生活家居
返回
指南生活
首页
美食营养
游戏数码
手工爱好
生活家居
健康养生
运动户外
职场理财
情感交际
母婴教育
时尚美容
知识问答
生活知识
搜索
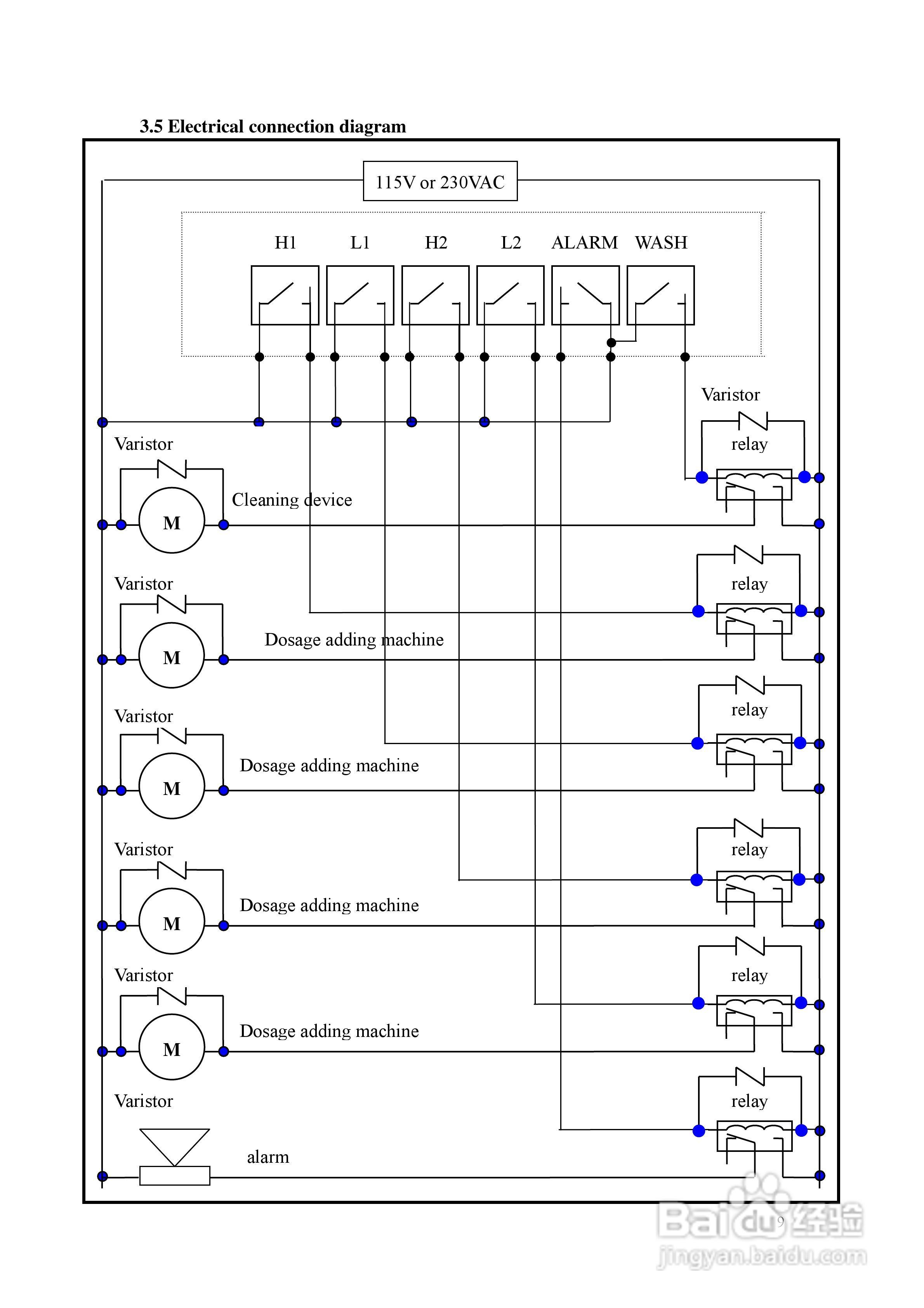
上泰EC4200双通道电导率电阻率控制器操作手册:[1]
2026-02-28 05:33:18
本篇为《上泰EC4200双通道电导率电阻率控制器操作手册》,主要介绍该产品的使用方法以及常见故障解决方案。
(共篇)
下一篇:
声明:
本网站引用、摘录或转载内容仅供网站访问者交流或参考,不代表本站立场,如存在版权或非法内容,请联系站长删除,联系邮箱:site.kefu@qq.com。
相关推荐
上泰EC4110智能型电导率电阻率控制器操作手册:[1]
阅读量:155
上泰EC4110智能型电导率电阻率控制器操作手册:[2]
阅读量:163
上泰EC4110智能型电导率电阻率控制器操作手册:[3]
阅读量:187
上泰EC410/430微电脑电导率电阻率监控器操作手册:[1]
阅读量:46
控制器暂停功能的实现步骤
阅读量:132
猜你喜欢
减光镜什么牌子好
格力空调e享是什么意思
hold的意思
朋友生日祝福语大全
最经典的祝福语
banner是什么意思
tick是什么意思
行尸走肉什么时候更新
soon的意思
田子坊有什么好玩的
猜你喜欢
什么是汪星人
什么是根证书
天使投资人什么意思
form是什么意思
疤痕体质有什么特征
主观能动性是什么意思
十渡有什么好玩的
thankyou是什么意思
旅游鞋什么牌子好
闭月羞花是什么意思