指南生活
首页
美食营养
手工爱好
生活家居
返回
指南生活
首页
美食营养
游戏数码
手工爱好
生活家居
健康养生
运动户外
职场理财
情感交际
母婴教育
时尚美容
知识问答
生活知识
生活百科
搜索
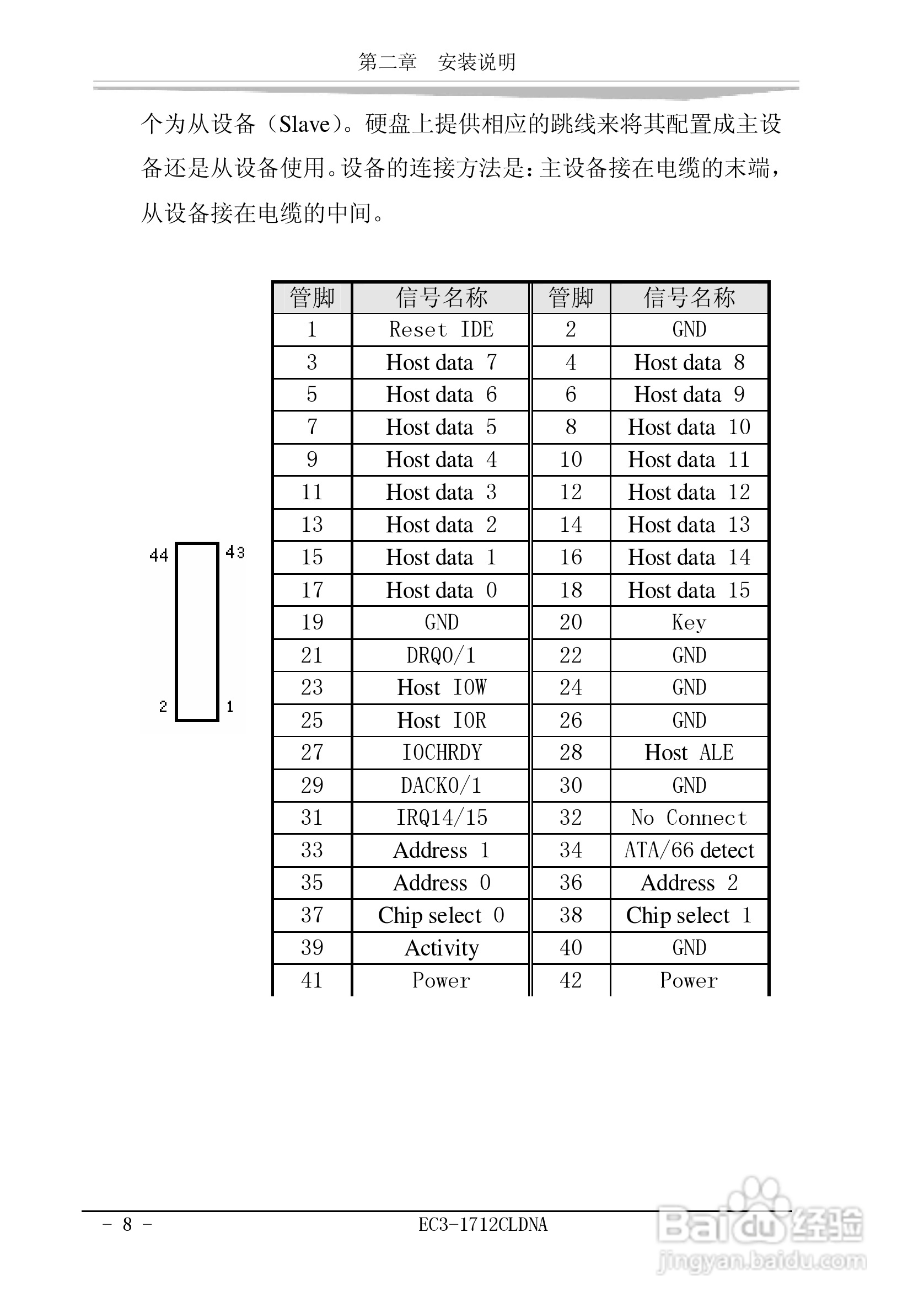
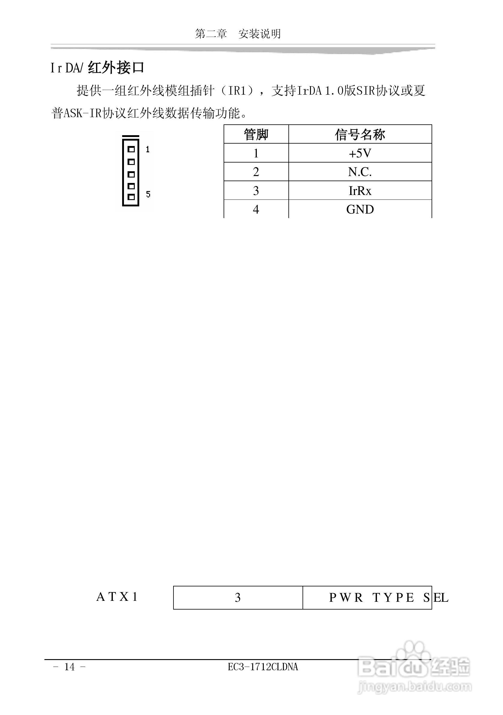
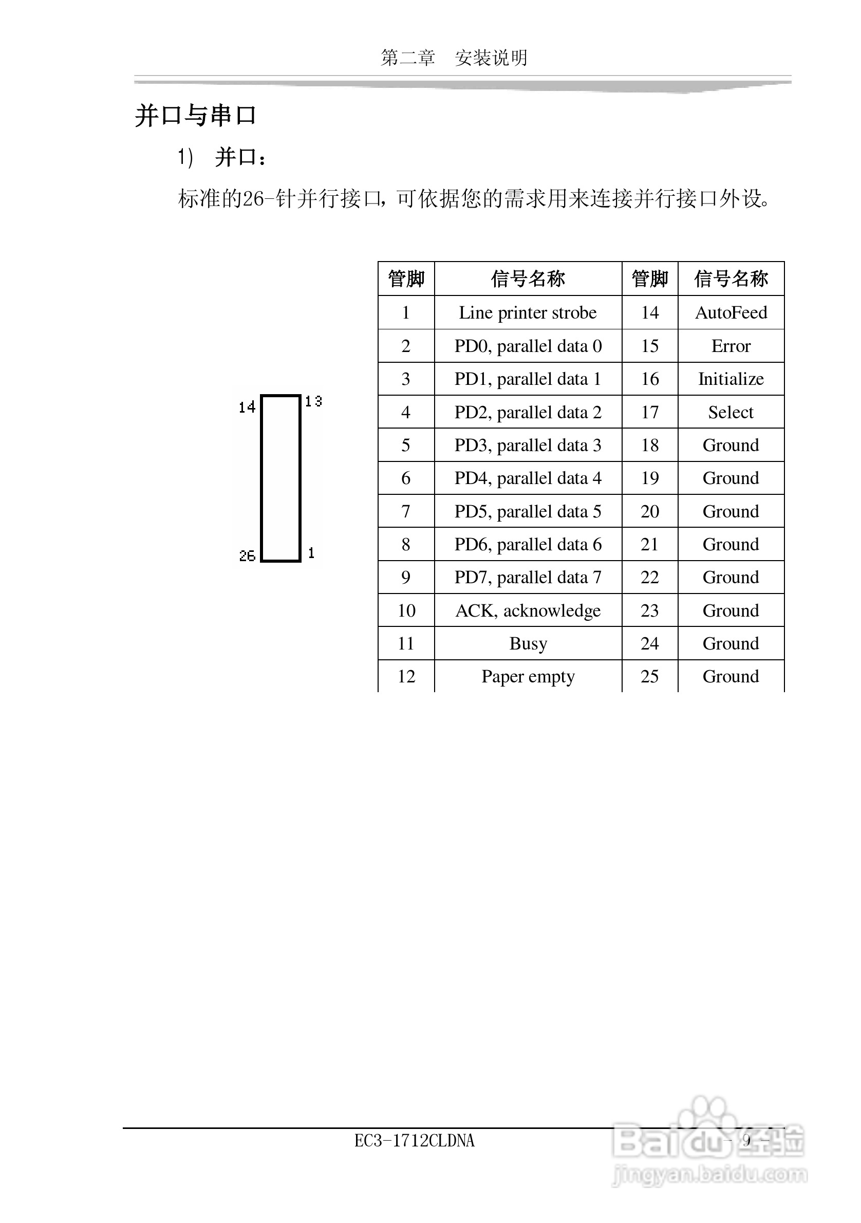
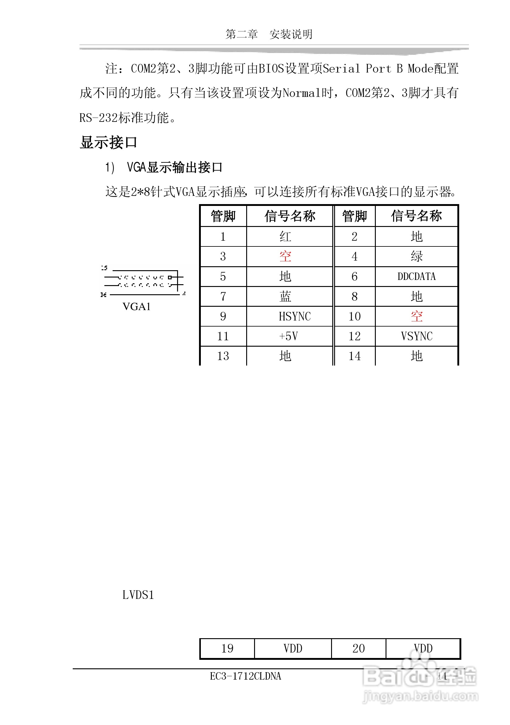
研祥EC3-1712CLDNA工业级CPU板卡说明书:[2]
2026-05-01 21:48:13
本篇为《研祥EC3-1712CLDNA工业级CPU板卡说明书》,主要介绍该产品的使用方法以及常见故障解决方案。
(共篇)
上一篇:
|
下一篇:
声明:
本网站引用、摘录或转载内容仅供网站访问者交流或参考,不代表本站立场,如存在版权或非法内容,请联系站长删除,联系邮箱:site.kefu@qq.com。
相关推荐
研祥EC3-1481CLDNA工业级CPU板卡说明书:[2]
阅读量:90
研祥EC3-1481CLDNA工业级CPU板卡说明书:[3]
阅读量:121
研祥EC3-1481CLDNA工业级CPU板卡说明书:[1]
阅读量:35
研祥EC3-1481CLDNA工业级CPU板卡说明书:[6]
阅读量:72
研祥EC5-1712CLDNA工业级CPU板卡说明书:[8]
阅读量:133
猜你喜欢
etf基金是什么意思
非农数据是什么意思
国家二级运动员
爱情是什么样的
stupid什么意思
寒冷的近义词是什么
背部长痘痘是什么原因
肉狗养殖
维生素b12功能与作用
运动会主题
猜你喜欢
treasure是什么意思
小学运动会加油稿
lg是什么
bamboo是什么意思
风控专员是做什么的
乐天派是什么意思
正月初四是什么星座
尿隐血是什么原因
晚上失眠是什么原因
什么叫增值税